LEMON Manuals: Even more car manuals for everyone
Home >> Saab >> 2001 >> 9-3 Base, 2D Hatchback, Standard >> Repair and Diagnosis >> Engine Performance >> System >> TRIONIC T7 Fuel Control System >> Technical Description >> Speed, bus from TC/ABS >> Notes

Speed, bus from TC/ABS: Notes

Fig 1: Identifying Speed, Bus From TC/ABS - Control Module Communication Diagram
G03504140Courtesy of SAAB-SCANIA OF AMERICA, INC.
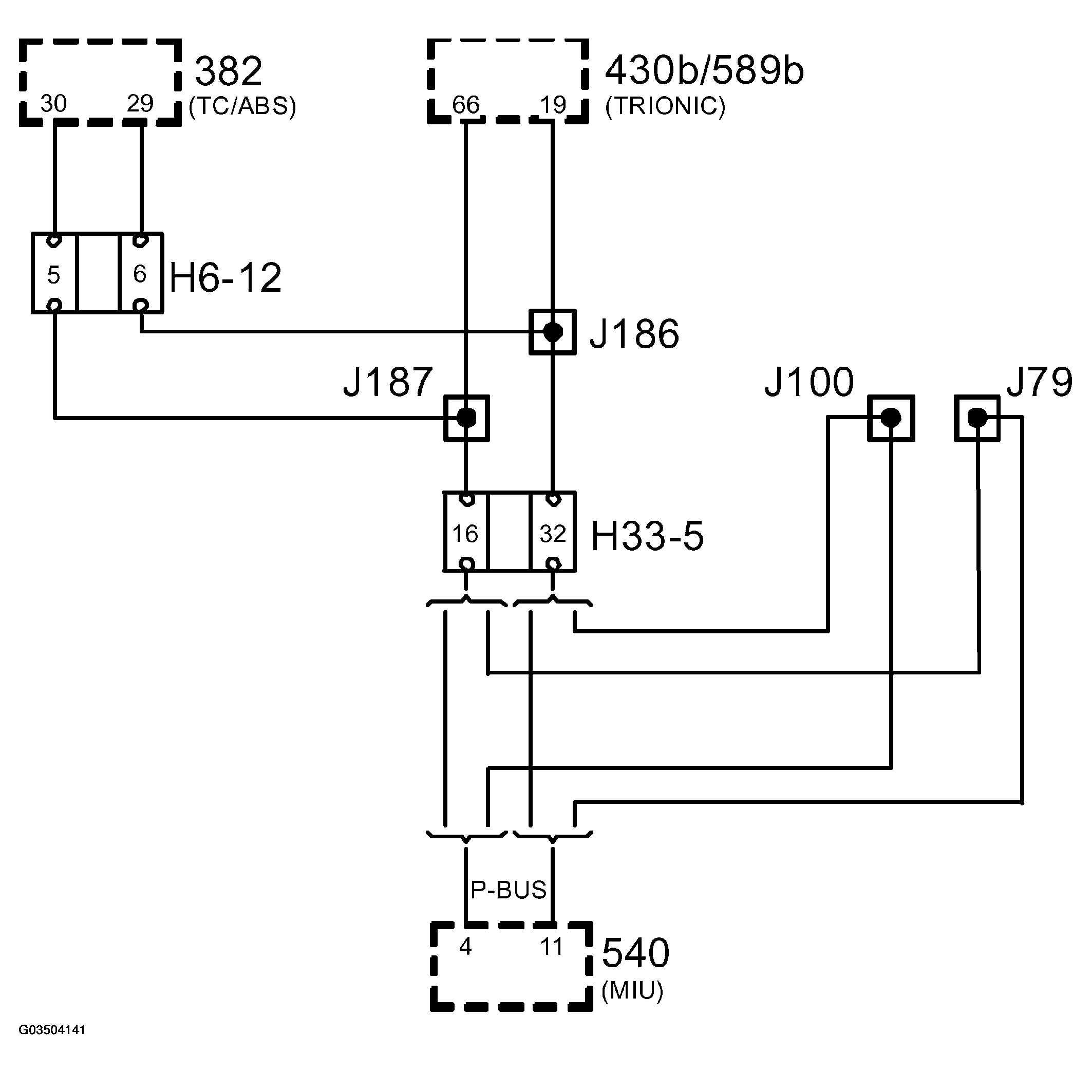
Fig 2: Identifying Speed, Bus From TC/ABS - Control Module Communication Circuit Diagram
G03504141Courtesy of SAAB-SCANIA OF AMERICA, INC.

The TC/ABS control module sends the bus message "Wheel speed, front right, XXX km/h" via the P -bus to the Trionic control module connections 19 and 66. This speed signal is used to: