LEMON Manuals: Even more car manuals for everyone
Home >> Saab >> 2001 >> 9-3 Base, 2D Hatchback, Standard >> Repair and Diagnosis >> Engine Performance >> System >> TRIONIC T7 Fuel Control System >> Technical Description >> Ignition discharge module >> Notes

Ignition discharge module: Notes

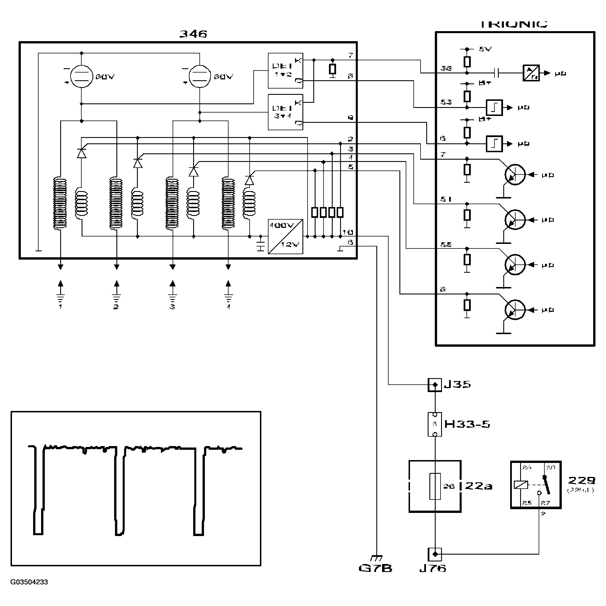
Fig 1: Circuit Diagram - Ignition System
G03504233Courtesy of SAAB-SCANIA OF AMERICA, INC.