LEMON Manuals: Even more car manuals for everyone
Home >> Saab >> 2001 >> 9-3 Base, 2D Hatchback, Standard >> Repair and Diagnosis >> Engine Performance >> System >> TRIONIC T7 Fuel Control System >> Technical Description >> Control module power supply >> Notes

Control module power supply: Notes

Fig 1: Identifying Control Module Power Supply
G03504118Courtesy of SAAB-SCANIA OF AMERICA, INC.

+30

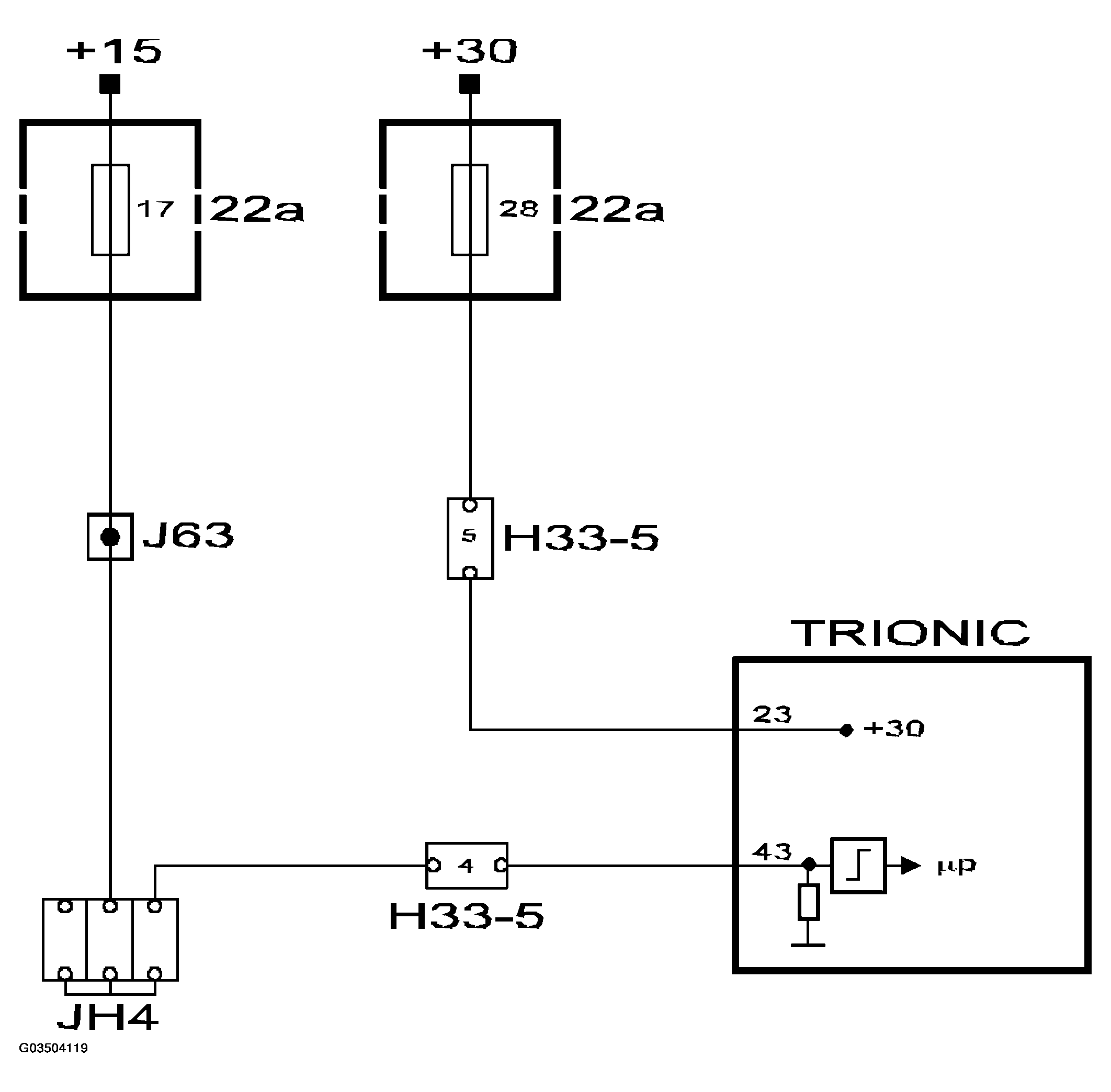
Fig 2: Identifying Control Module Power Supply Circuit Diagram
G03504119Courtesy of SAAB-SCANIA OF AMERICA, INC.

The main relay, fuel pump relay and fuse 17 are supplied with +30 from maxi fuse 2. Control module pin 23 is supplied from fuse 28.

The control module uses +30 for its memory.

+15

Control module pin 43 is supplied with +15 from fuse 17. When +15 is applied to pin 43, the control module will be activated.