LEMON Manuals: Even more car manuals for everyone
Home >> Saab >> 2001 >> 9-3 Base, 2D Hatchback, Standard >> Repair and Diagnosis >> Engine Performance >> System >> TRIONIC T7 Fuel Control System >> Technical Description >> Control module power supply >> Diagnostics

Control module power supply: Diagnostics



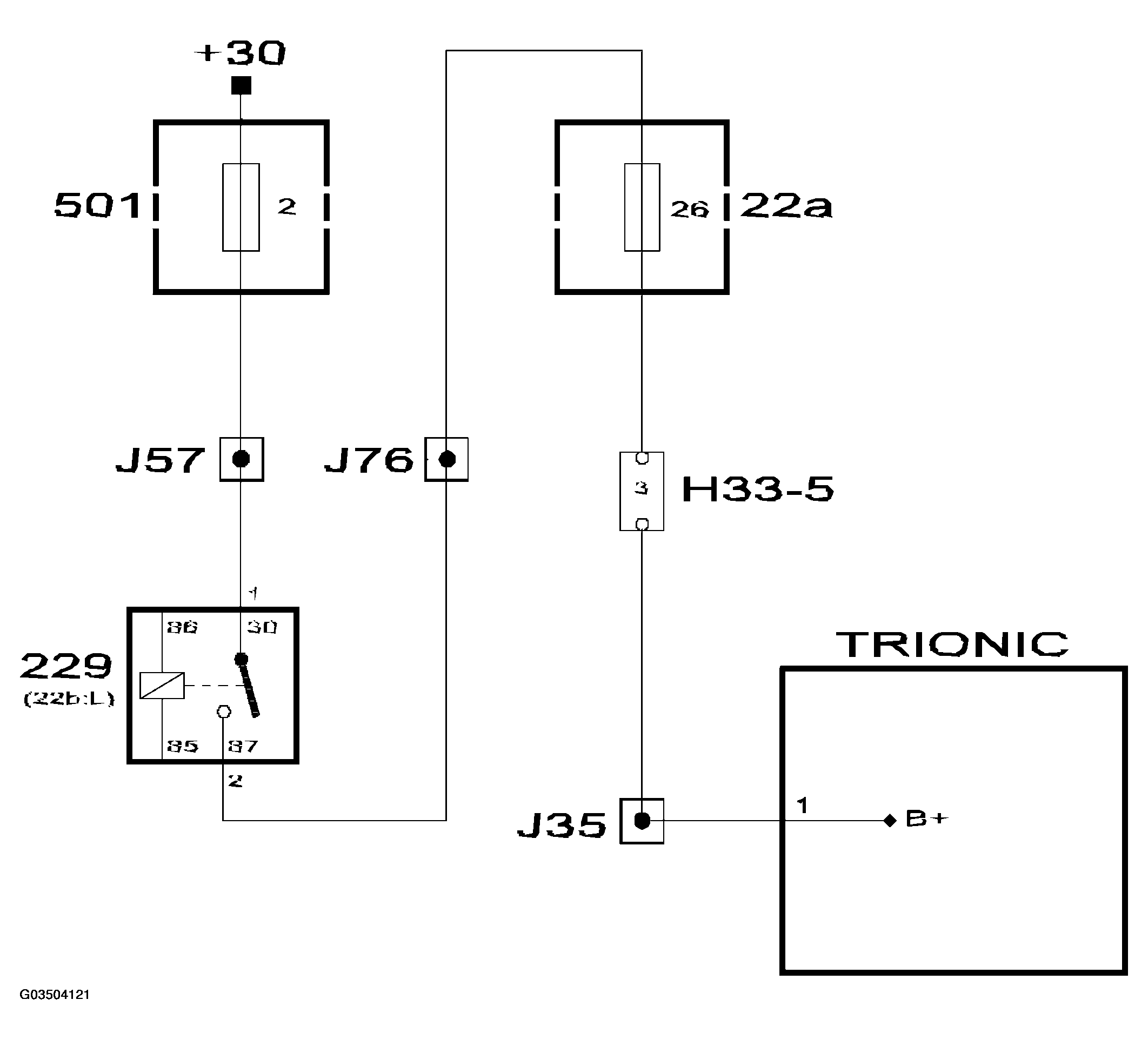
Fig 1: Identifying Supply Circuit Diagram From Main Relay To Control Module
G03504121Courtesy of SAAB-SCANIA OF AMERICA, INC.