LEMON Manuals: Even more car manuals for everyone
Home >> Saab >> 2001 >> 9-3 Base, 2D Hatchback, Standard >> Repair and Diagnosis >> Engine Performance >> System >> TRIONIC T7 Fuel Control System >> Technical Description >> Closed loop >> Oxygen sensor 2 >> Notes

Oxygen sensor 2: Notes

Fig 1: Communication Diagram - Oxygen Sensor 2
G03504202Courtesy of SAAB-SCANIA OF AMERICA, INC.
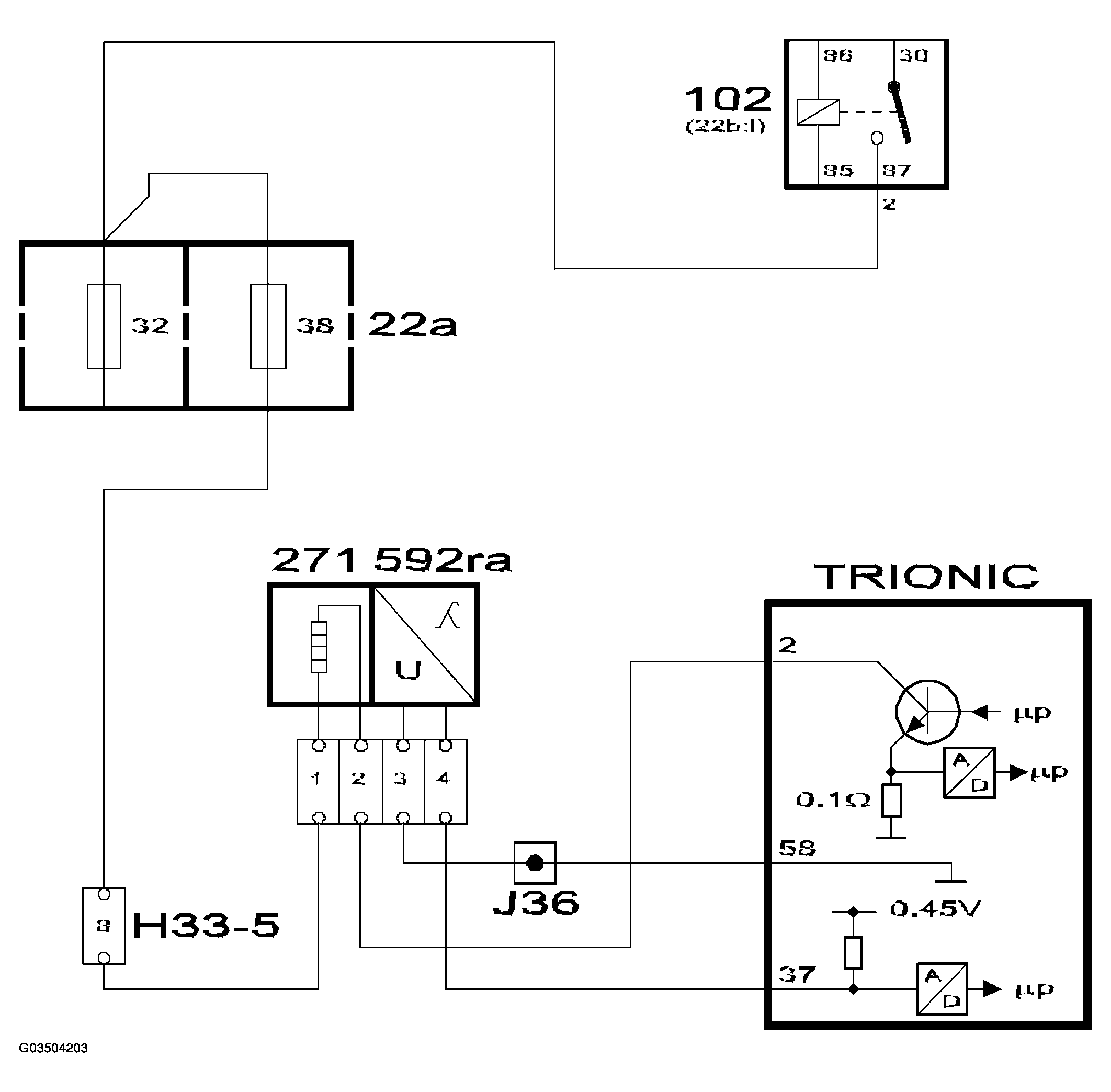
Fig 2: Circuit Diagram - Oxygen Sensor 2
G03504203Courtesy of SAAB-SCANIA OF AMERICA, INC.

To be able to diagnose the front catalyst an oxygen sensor is fitted in the exhaust system after the catalytic converter. The sensor is called oxygen sensor 2 or O2S 2. The oxygen sensor is connected to control module pin 57 and is grounded from the control module pin 58.

To rapidly supply a voltage after starting, the oxygen sensor must be pre -heated. The pre -heating is fed with B+ from the fuel pump relay via fuse 38 and is grounded via control module pin 2. To be able to control the pre -heating output the grounding on the pre - heating circuit is pulse width modulated.

Preheating is activated as soon as the engine coolant temperature exceeds 30 °C.

The control module estimates the exhaust gas temperature based on the load and engine speed. When the exhaust gas temperature is high, the pre-heating is de-activated to avoid damaging the oxygen sensor.

If the catalytic converter is damaged, its ability to absorb oxygen will deteriorate. The normal fluctuations of the closed loop will then be detected on the voltage from oxygen sensor 2 and a diagnostic trouble code will be generated. The diagnosis is performed once per driving cycle.

In addition to the catalytic converter diagnosis, the oxygen sensor value is also used to correct the closed loop for minor faults in oxygen sensor 1.

Optimum emission values are obtained when the voltage from oxygen sensor 2 is 0.6V.

If the voltage is 0.3V, for example, the engine is running slightly lean. the closed loop correction factor will then be blocked in the rich setting for a certain number of combustions before oxygen sensor 1 is allowed to affect the value again.