LEMON Manuals: Even more car manuals for everyone
Home >> Porsche >> 1987 >> 944 Base, Standard >> Repair and Diagnosis >> Engine Performance >> System >> DME Control System >> Wiring Diagrams

Wiring Diagrams

Fig 1: Wiring Diagram for Porsche 911 Carrera DME System
G61820
Fig 2: Wiring Diagram for Porsche 924S DME System
G61822
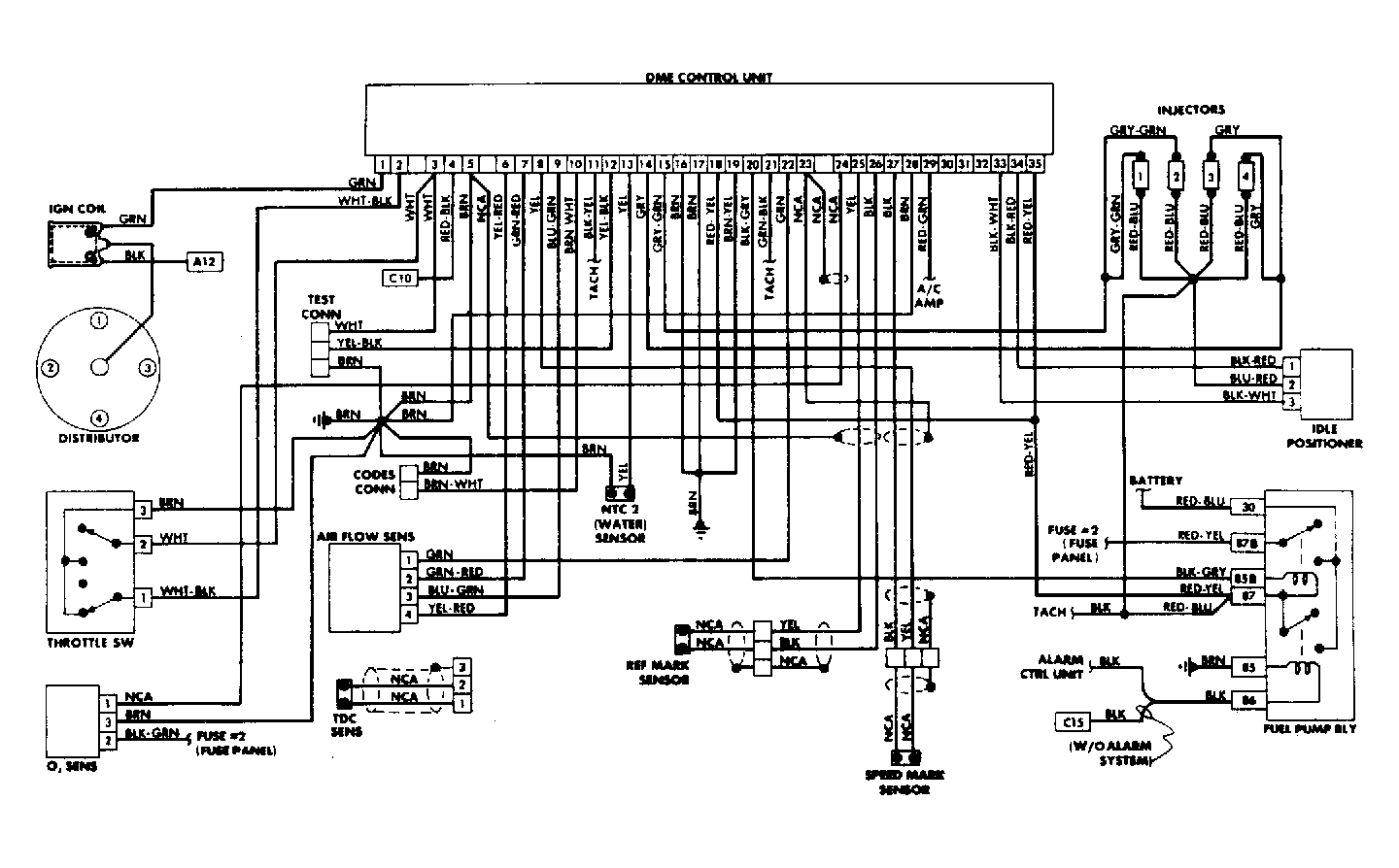
Fig 3: Wiring Diagram for Porsche 944S DME System
G61821
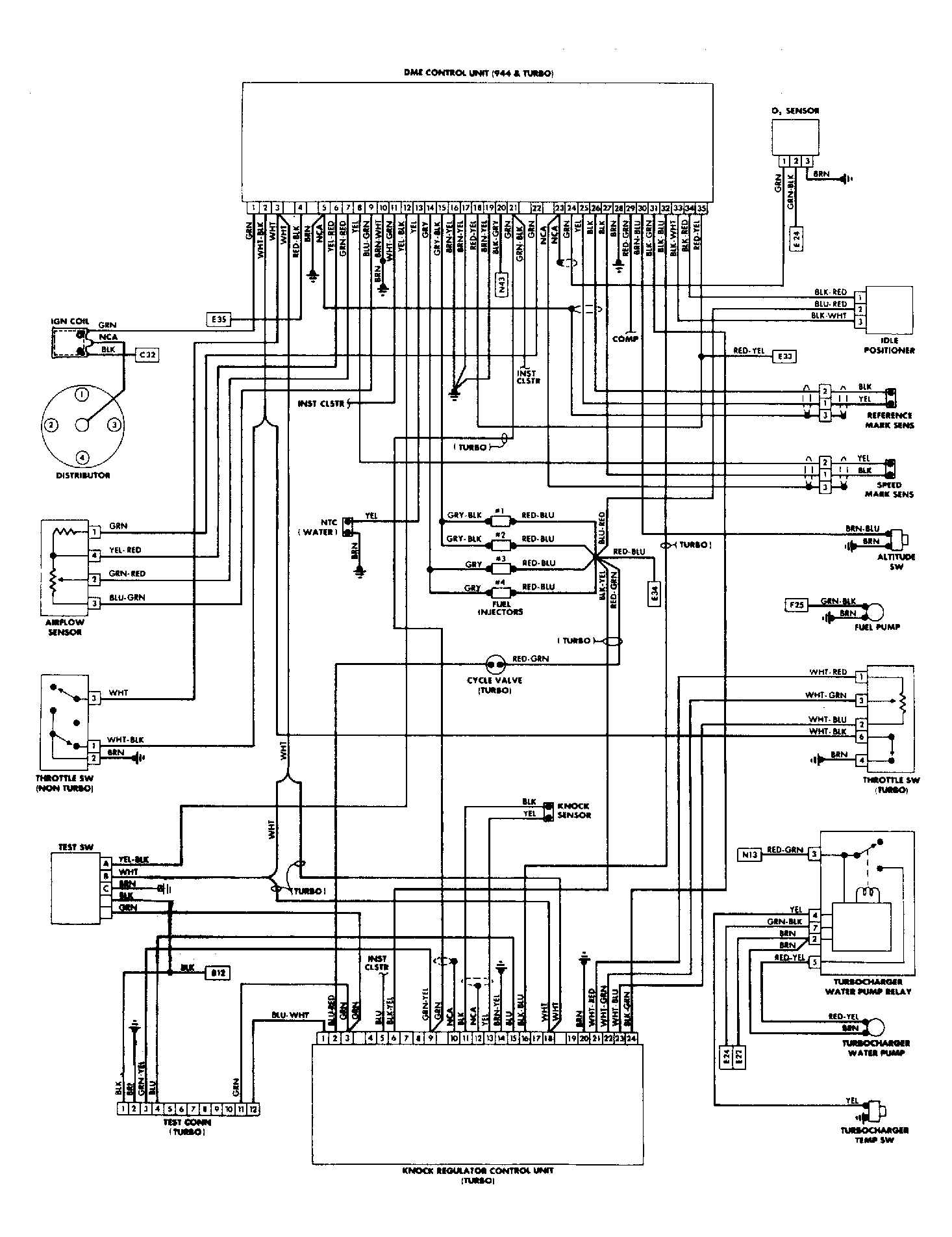
Fig 4: Wiring Diagram for Porsche 944 & 944 Turbo DME System
G61823