LEMON Manuals: Even more car manuals for everyone
Home >> Pontiac >> 2009 >> Torrent Base, AWD >> Repair and Diagnosis >> External Pages >> Different variant/trim >> Section 2 (Engine Controls And Fuel - 3.6L - Introduction) >> Schematic and Routing Diagrams >> Engine Controls Schematics

Engine Controls Schematics

WARNING: This page is about a different variant/trim than selected.
Fig 1: Module, Power, Ground, MIL, and Serial Data Schematic
GM2085805Courtesy of GENERAL MOTORS CORP.
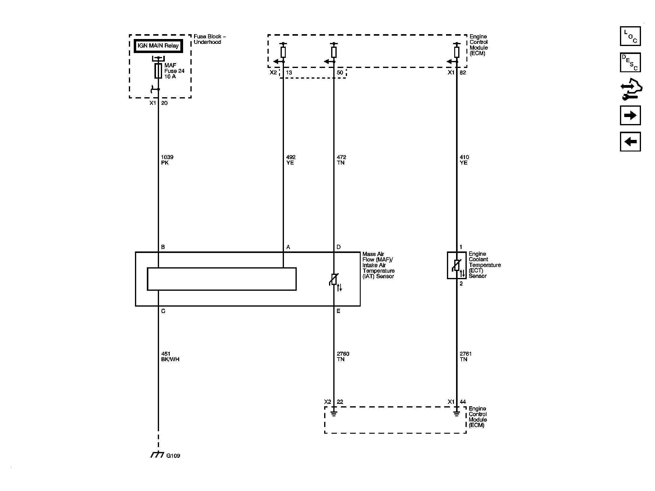
Fig 2: Engine Data Sensors - MAF and Engine Coolant Temperature Sensor Schematic
GM2085811Courtesy of GENERAL MOTORS CORP.
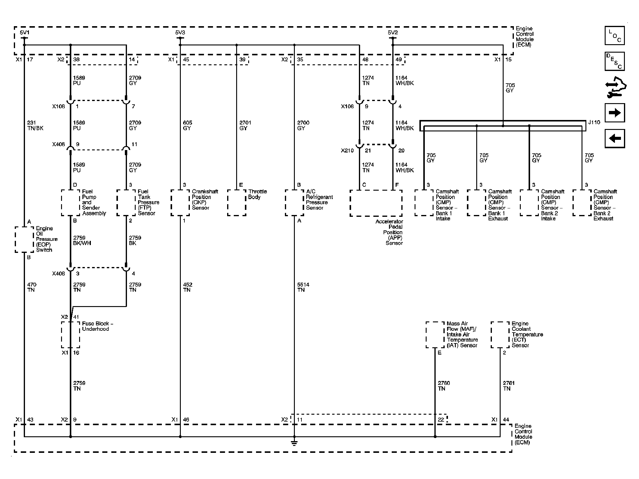
Fig 3: 5-Volt and Low Reference Schematic
GM2085809Courtesy of GENERAL MOTORS CORP.
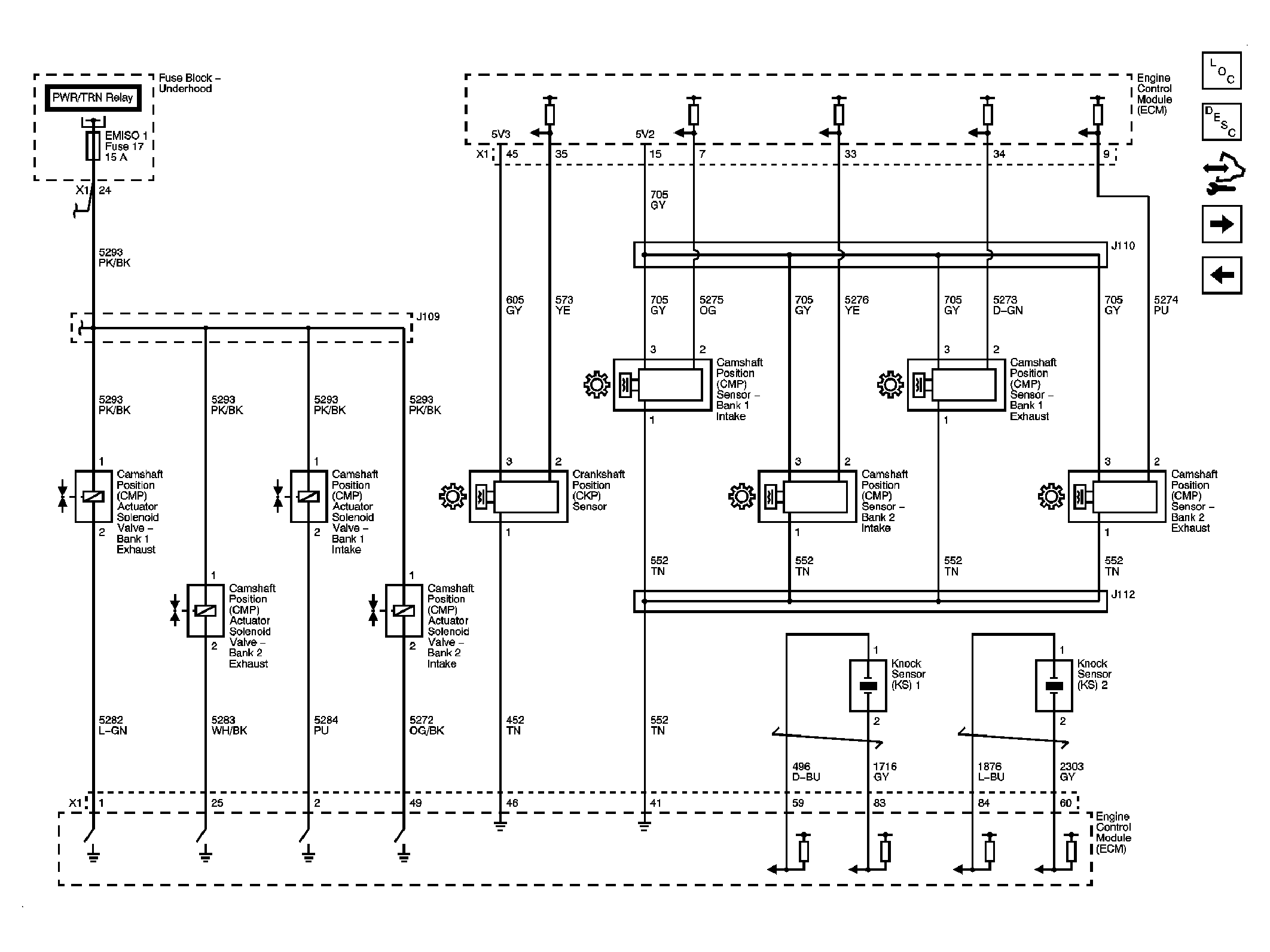
Fig 4: CMP Sensors and Solenoids, Knock Sensors, and Crankshaft Position Sensor Schematic
GM2085812Courtesy of GENERAL MOTORS CORP.
Fig 5: Engine Data Sensors - Oxygen Sensors Schematic
GM2085813Courtesy of GENERAL MOTORS CORP.
Fig 6: Engine Data Sensors - Electronic Throttle Controls Schematic
GM2085814Courtesy of GENERAL MOTORS CORP.
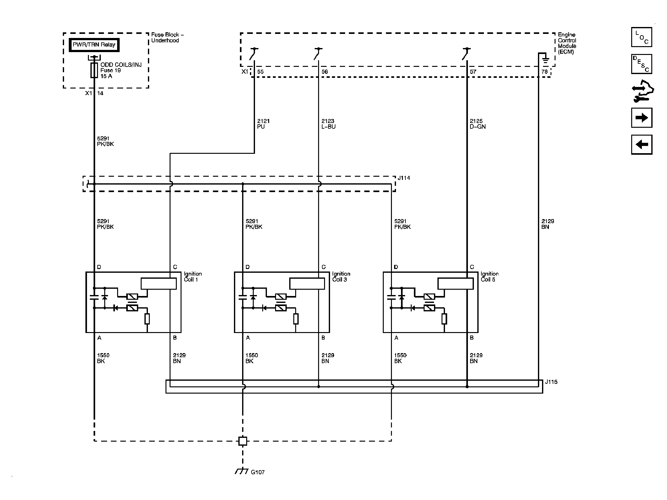
Fig 7: Bank 1 Ignition Coils Schematic
GM2085816Courtesy of GENERAL MOTORS CORP.
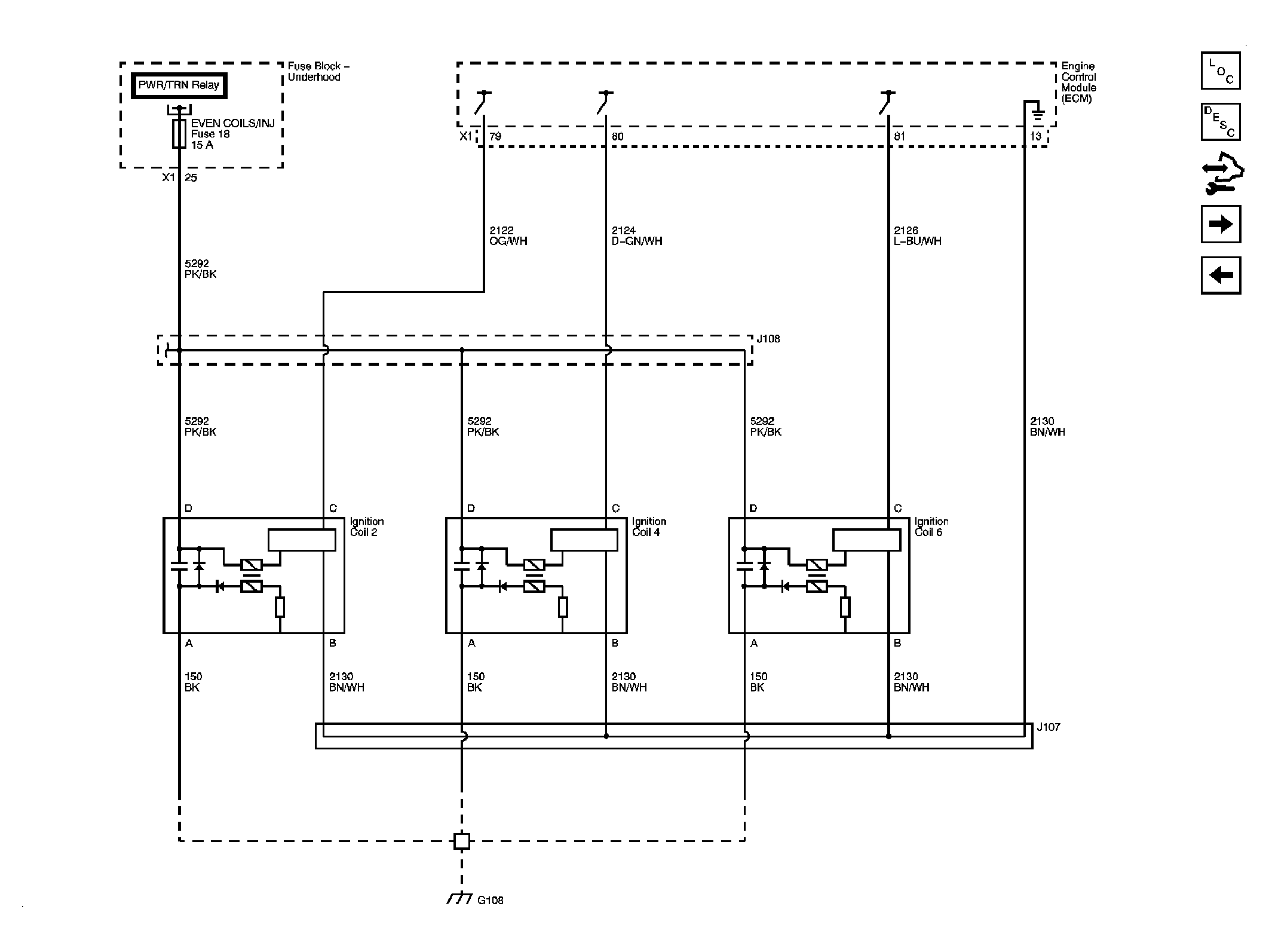
Fig 8: Bank 2 Ignition Coils Schematic
GM2085817Courtesy of GENERAL MOTORS CORP.
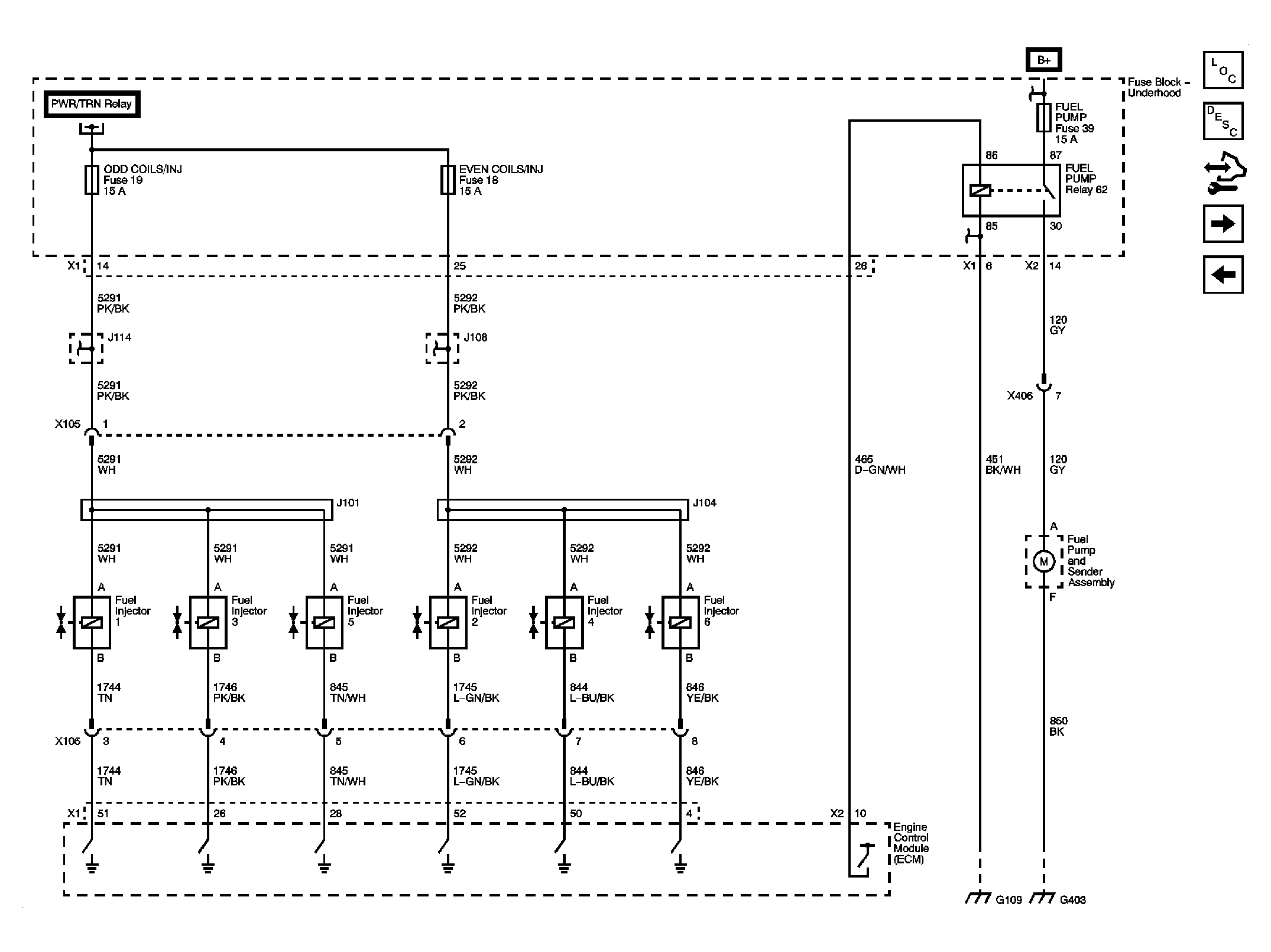
Fig 9: Fuel Pump and Injectors Schematic
GM2085818Courtesy of GENERAL MOTORS CORP.
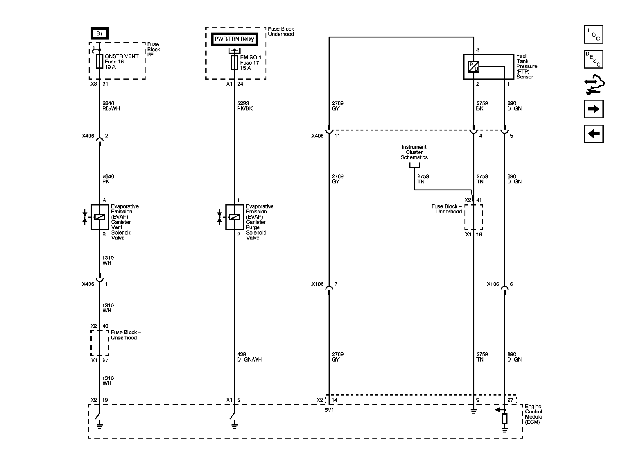
Fig 10: Evaporative Emissions and Fuel Tank Pressure Sensor Schematic
GM2085820Courtesy of GENERAL MOTORS CORP.
Fig 11: Controlled/Monitored Subsystems References Schematic
GM2085821Courtesy of GENERAL MOTORS CORP.