LEMON Manuals: Even more car manuals for everyone
Home >> Pontiac >> 2009 >> Torrent Base, AWD >> Repair and Diagnosis >> External Pages >> Different car >> Section 36 (Antilock Brake System With Traction Control System) >> Schematic and Routing Diagrams >> ABS Schematics

ABS Schematics

WARNING: This page is about a different car, the 2006 Pontiac Torrent and 2006 Chevrolet Equinox. However, it is still accessible from the selected car via links, so may be relevant.
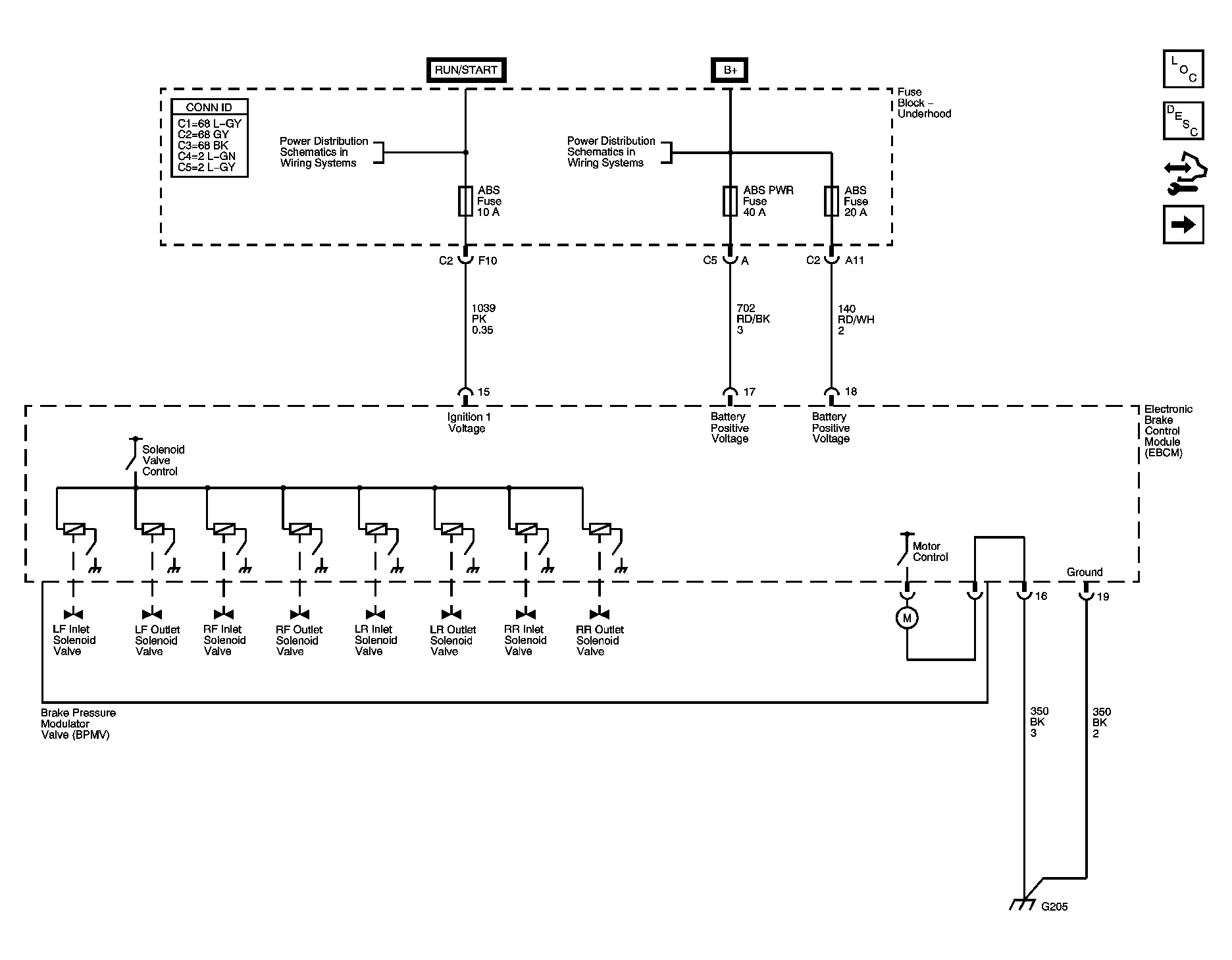
Fig 1: Power, Ground
GM1380898Courtesy of GENERAL MOTORS CORP.
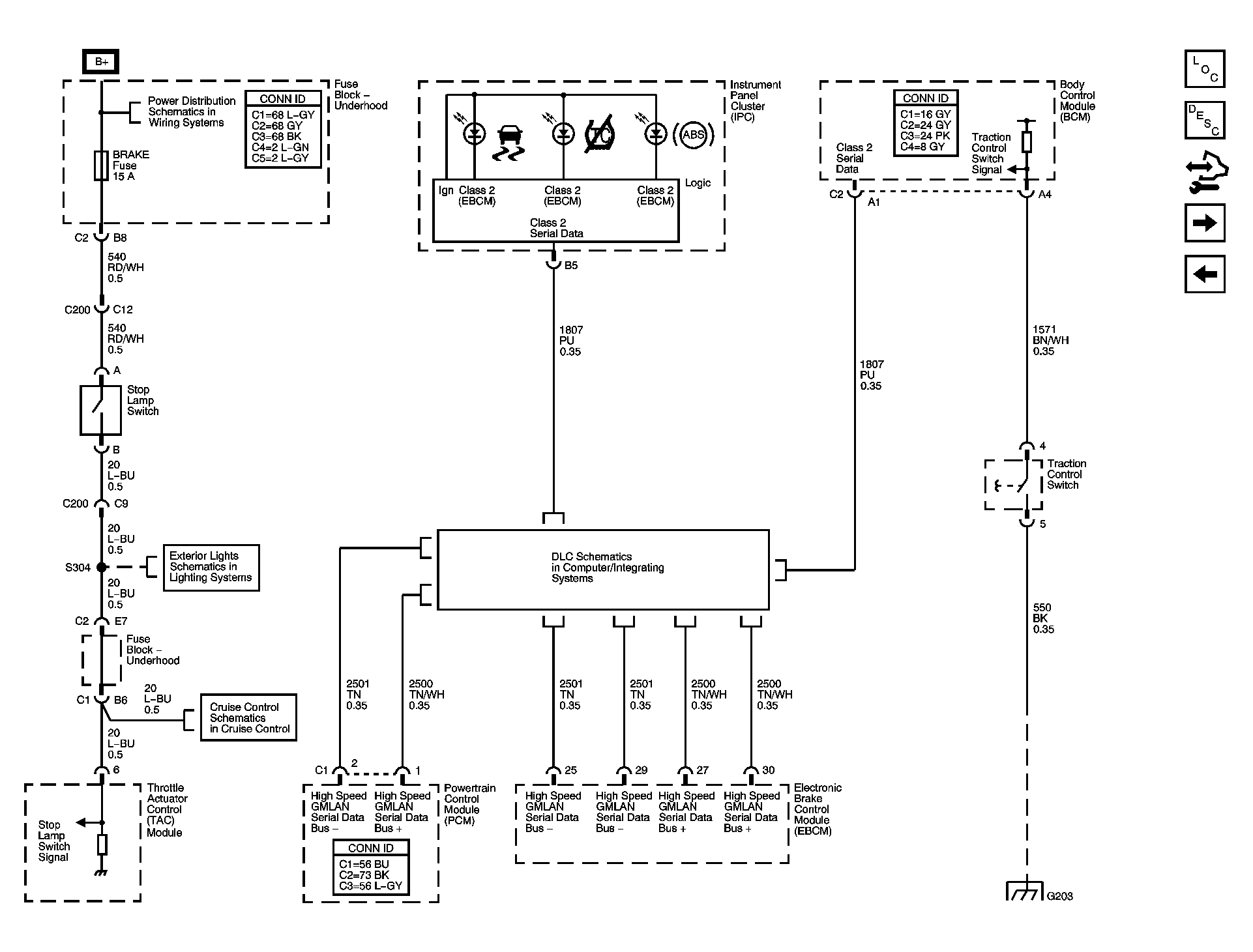
Fig 2: Indicators, TC Switch
GM1625861Courtesy of GENERAL MOTORS CORP.
Fig 3: Wheel Speed Sensors
GM1380900Courtesy of GENERAL MOTORS CORP.