LEMON Manuals: Even more car manuals for everyone
Home >> Pontiac >> 2009 >> Torrent Base, AWD >> Repair and Diagnosis >> External Pages >> Different car >> Section 169 (Cellular System, Entertainment System & Navigation System) >> Schematic and Routing Diagrams >> Radio/Navigation System Schematics

Radio/Navigation System Schematics

WARNING: This page does not describe the selected car, but rather 6 other vehicles, including the 2009 GMC Savana Special, 2009 GMC Savana Camper Special, 2009 GMC Savana, 2009 Chevrolet RV Cutaway, and 2009 Chevrolet Cutaway. However, it is still accessible from the selected car via links, so may be relevant.
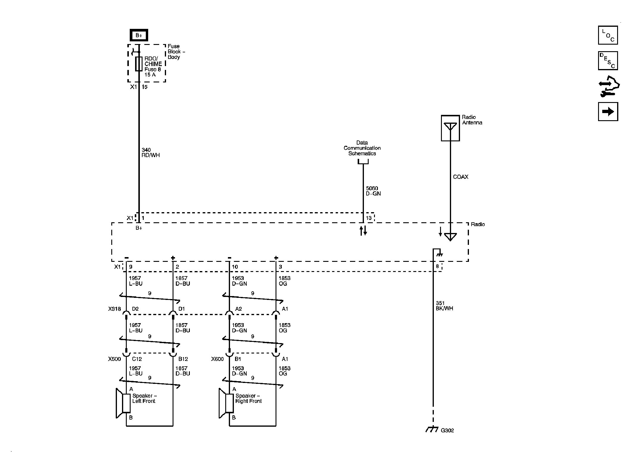
Fig 1: Power, Ground, Serial Data, Antenna and Front Speaker Outputs Schematic
GM2080954Courtesy of GENERAL MOTORS CORP.
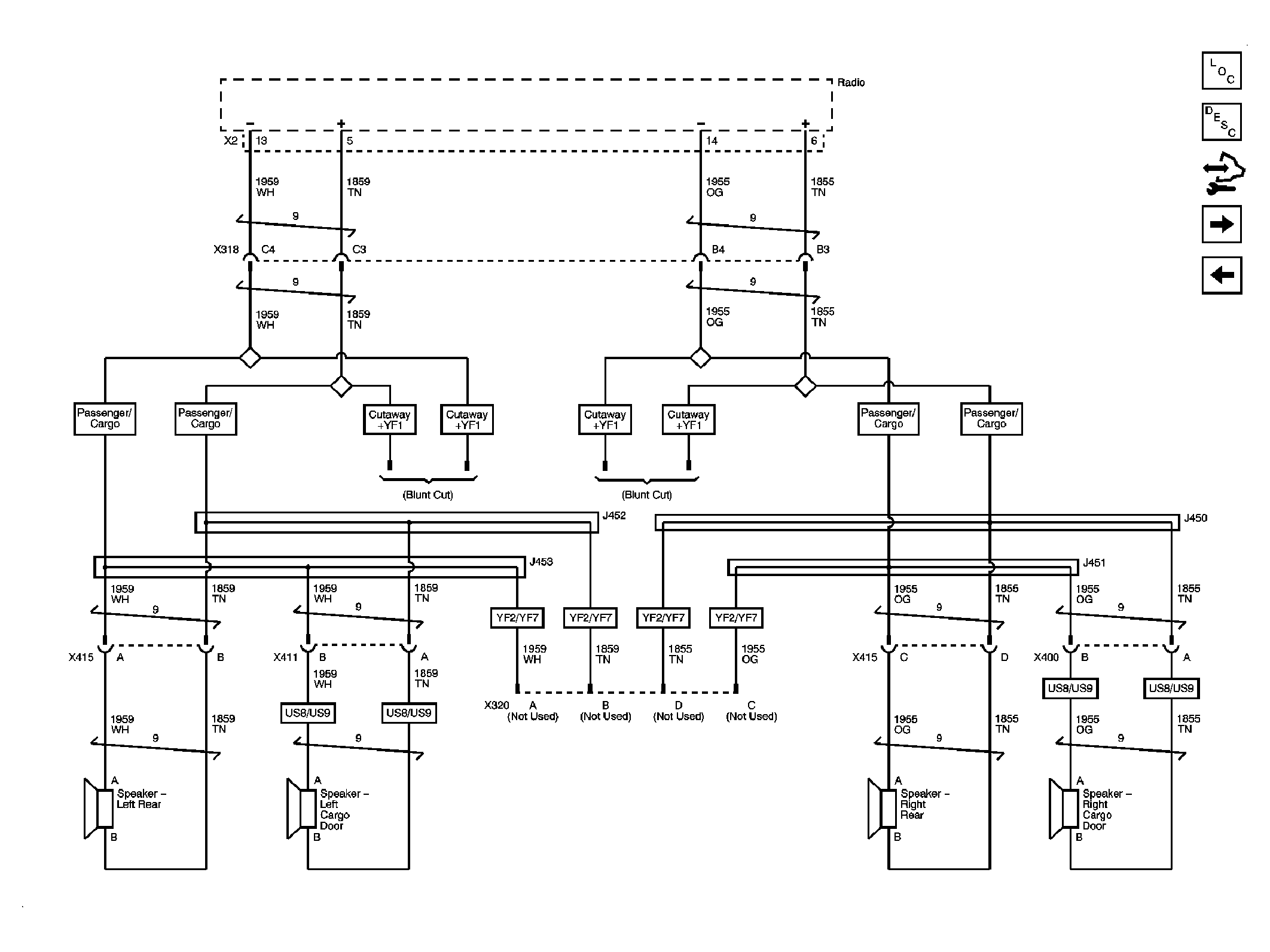
Fig 2: Rear Speaker Outputs Schematic
GM2080957Courtesy of GENERAL MOTORS CORP.
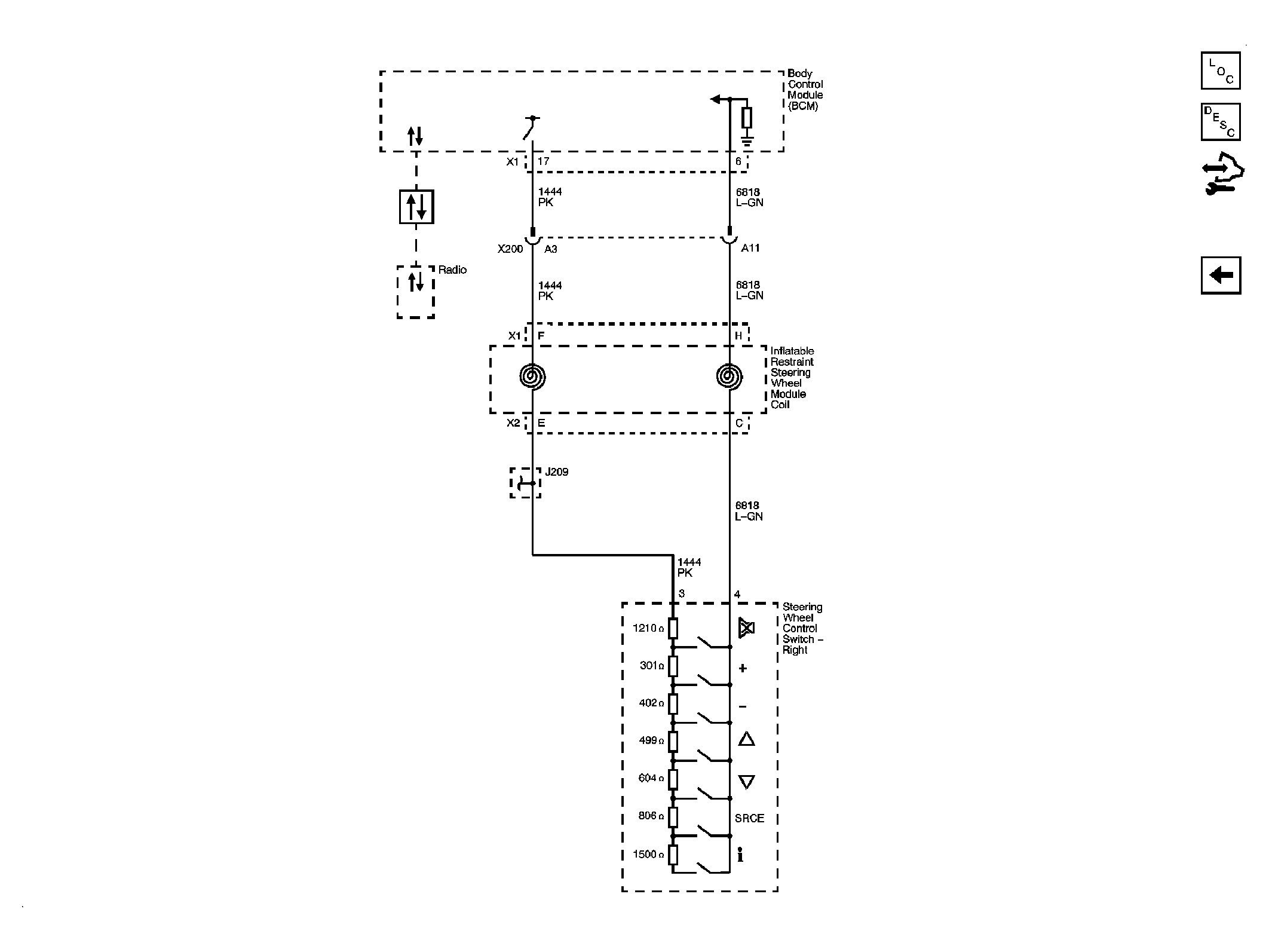
Fig 3: Steering Wheel Radio Redundant Controls Schematic
GM2080961Courtesy of GENERAL MOTORS CORP.