LEMON Manuals: Even more car manuals for everyone
Home >> Pontiac >> 2009 >> Torrent Base, AWD >> Repair and Diagnosis >> Engine Performance >> System >> Engine Controls And Fuel - 3.4L - Introduction >> Schematic and Routing Diagrams >> Engine Controls Schematics

Engine Controls Schematics

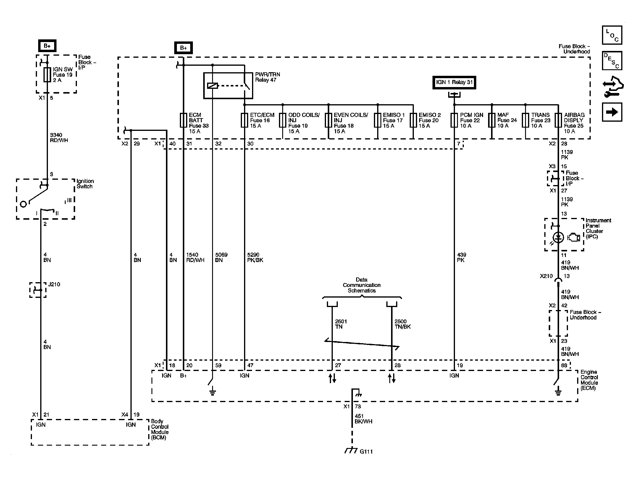
Fig 1: Module Power, Ground, and MIL
GM2085764Courtesy of GENERAL MOTORS CORP.
Fig 2: 5-Volt Reference
GM2085769Courtesy of GENERAL MOTORS CORP.
Fig 3: Low Reference
GM2085774Courtesy of GENERAL MOTORS CORP.
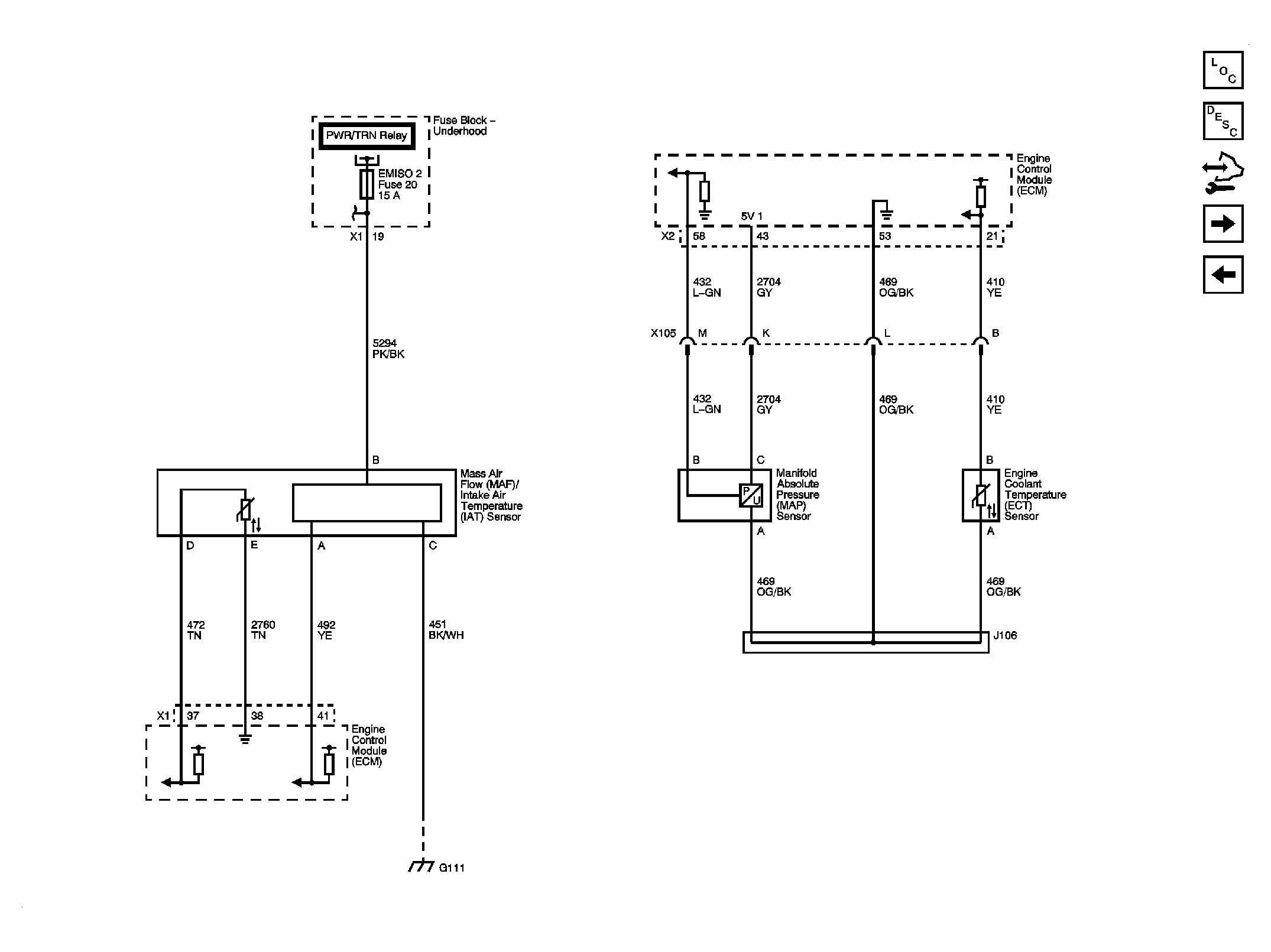
Fig 4: MAF, MAP, ECT
GM2085777Courtesy of GENERAL MOTORS CORP.
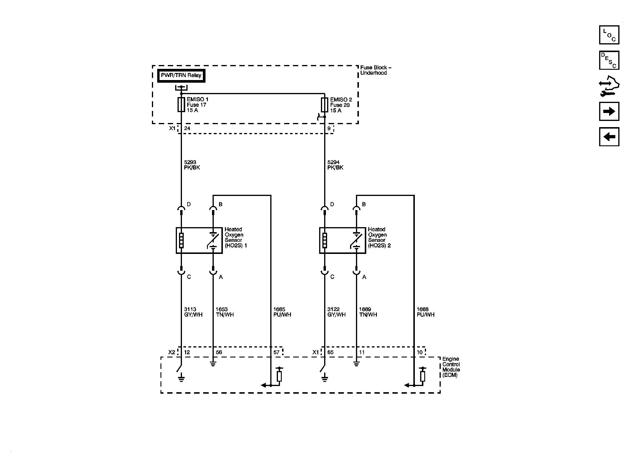
Fig 5: Oxygen Sensors
GM2085781Courtesy of GENERAL MOTORS CORP.
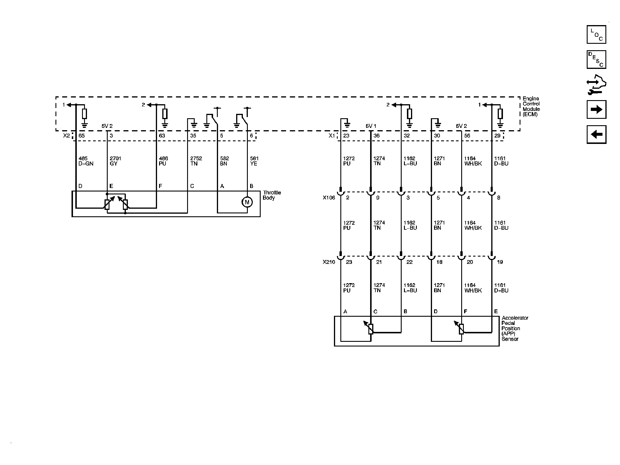
Fig 6: TAC, Accelerator Pedal Sensor
GM2085782Courtesy of GENERAL MOTORS CORP.
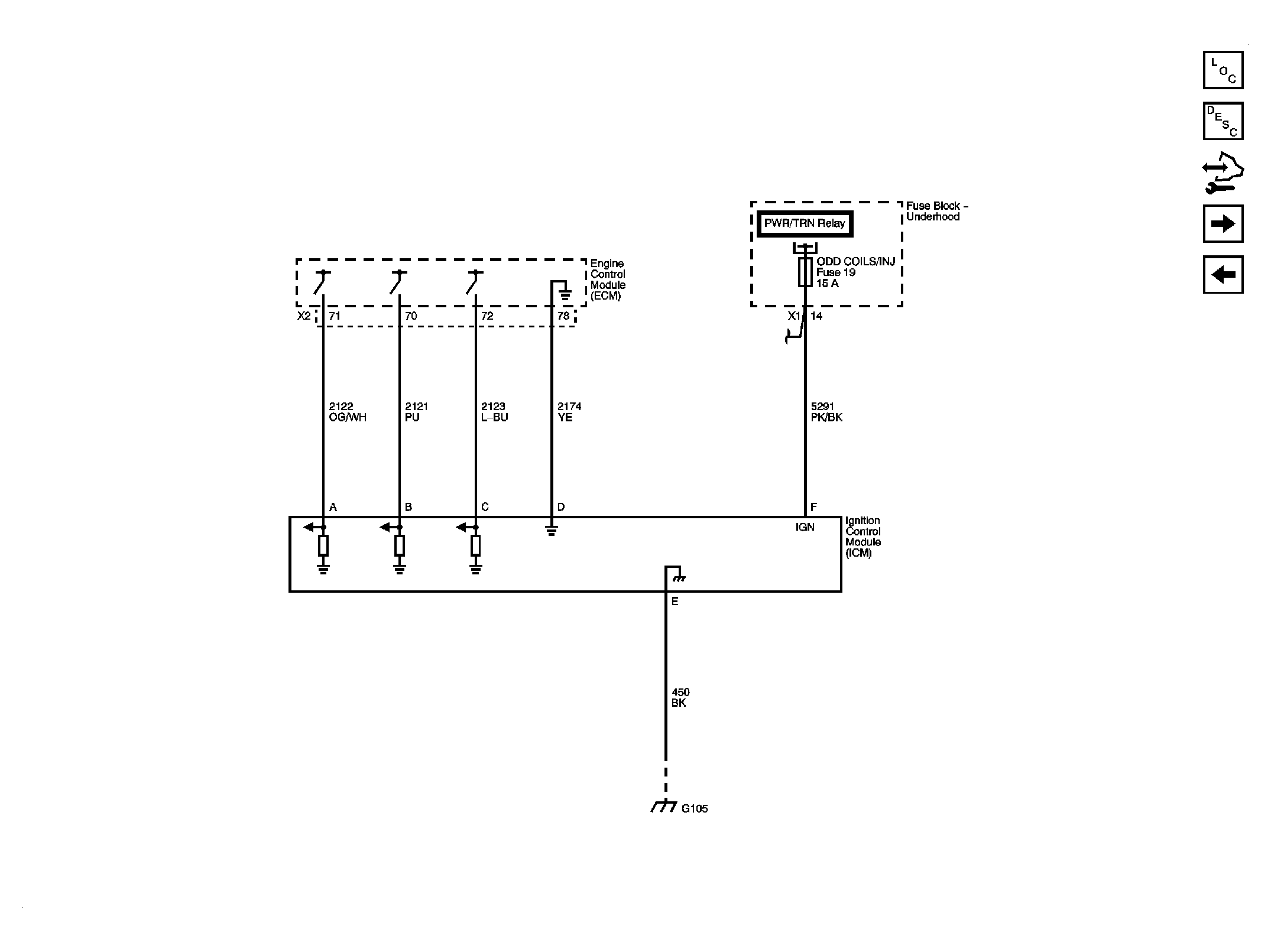
Fig 7: Ignition Control Module
GM2085787Courtesy of GENERAL MOTORS CORP.
Fig 8: Knock, Camshaft, and Crankshaft Sensors
GM2085793Courtesy of GENERAL MOTORS CORP.
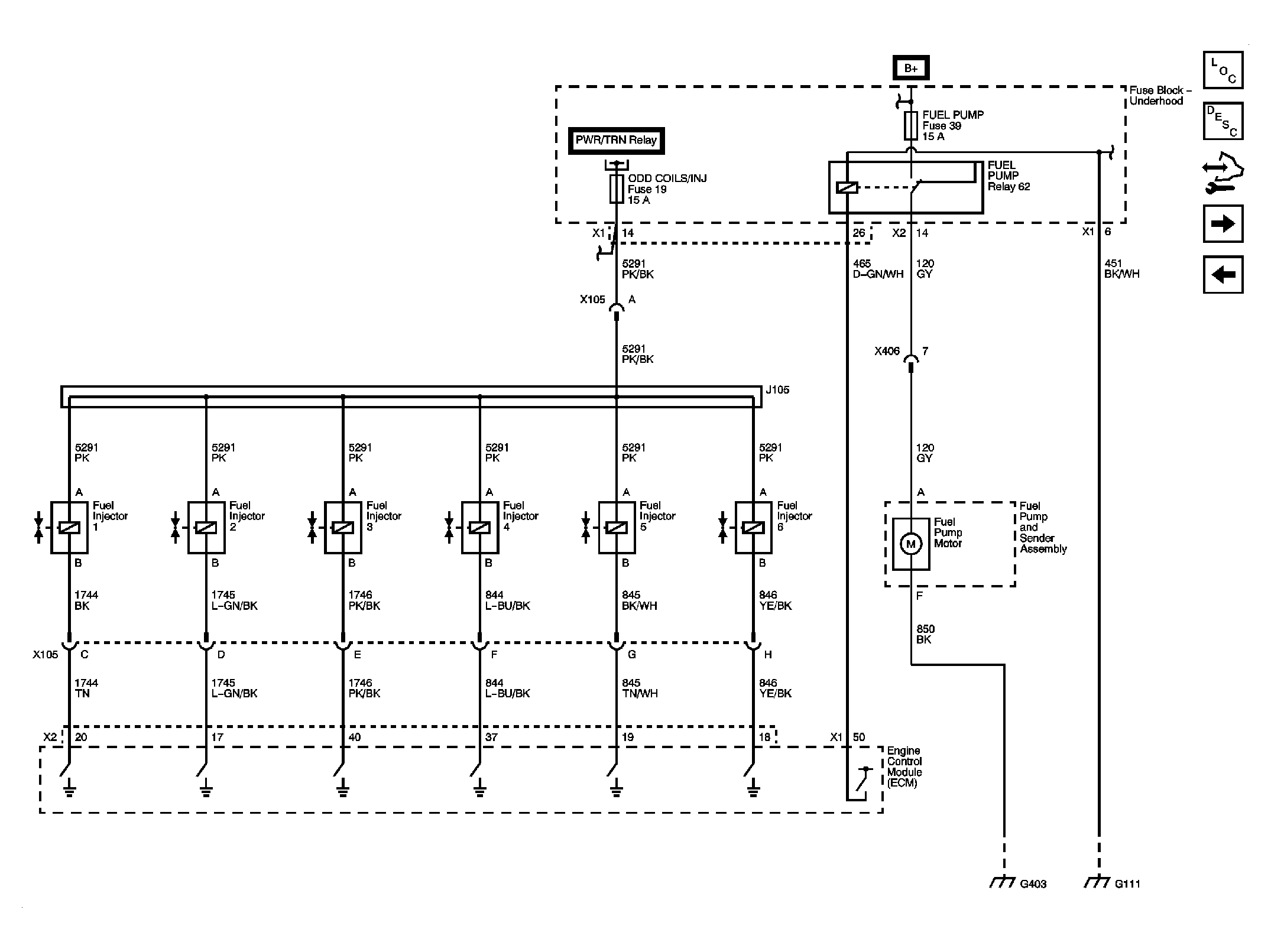
Fig 9: Fuel Injectors and Fuel Pump
GM2085796Courtesy of GENERAL MOTORS CORP.
Fig 10: EGR and EVAP Controls
GM2085800Courtesy of GENERAL MOTORS CORP.
Fig 11: Controlled/Monitored Subsystem References
GM2085801Courtesy of GENERAL MOTORS CORP.