LEMON Manuals: Even more car manuals for everyone
Home >> Pontiac >> 2009 >> Torrent Base, AWD >> Repair and Diagnosis (Single Page) >> Quick Lookups >> Electrical Component Locations >> Electrical Component Locator >> Component Location Graphics

Component Location Graphics

NOTE: Figures may show multiple component locations. Refer to appropriate table for proper figure references.
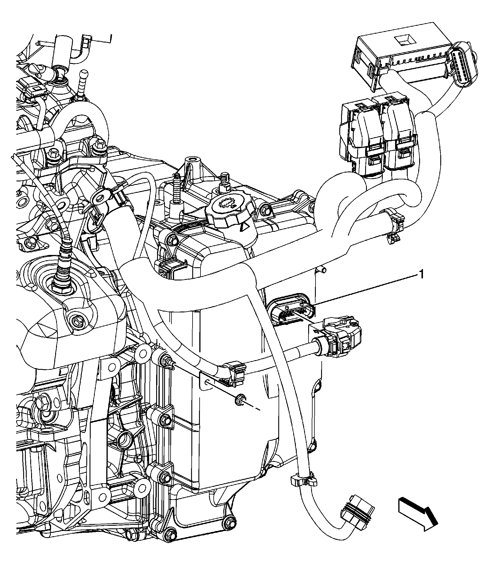
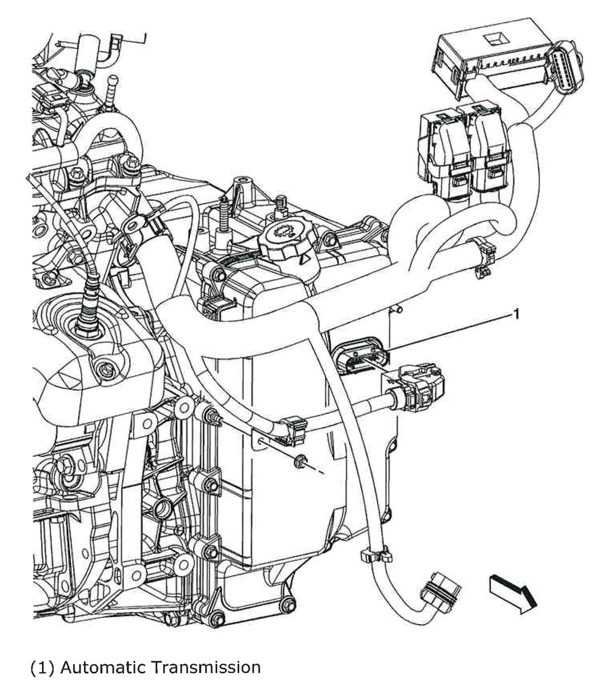
Fig 1: Automatic Transmission Electronic Components Overview
G00469988Courtesy of GENERAL MOTORS CORP.
Fig 2: Sunroof Components
G00469983Courtesy of GENERAL MOTORS CORP.
Fig 3: Left Front Engine Compartment
G00469986Courtesy of GENERAL MOTORS CORP.
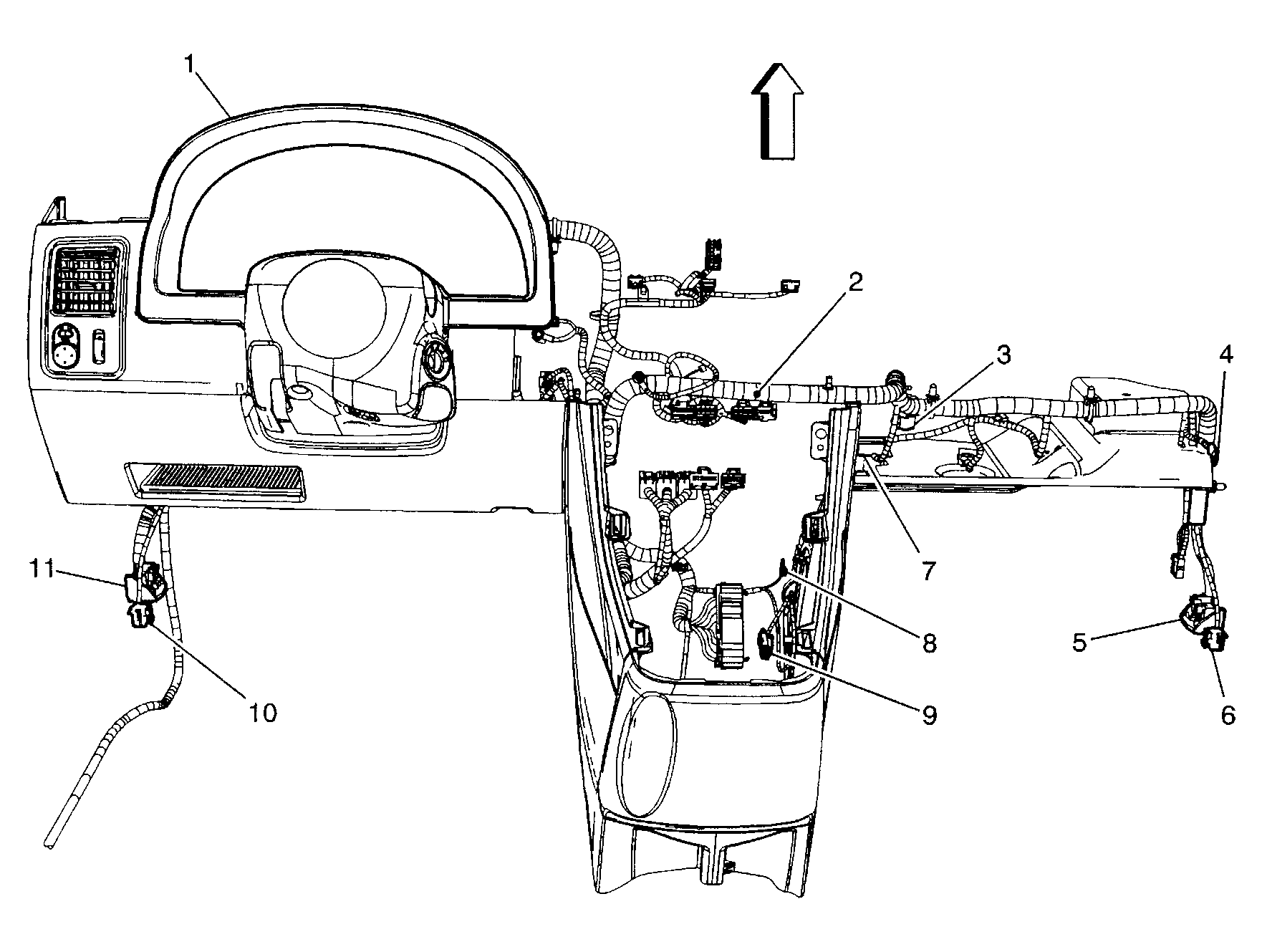
Fig 4: Center Of Dash
G00359576Courtesy of GENERAL MOTORS CORP.
Fig 5: Front Of Engine (LNJ)
G00441047Courtesy of GENERAL MOTORS CORP.
Fig 6: Pedal Assemblies
G00441048Courtesy of GENERAL MOTORS CORP.
Fig 7: Front HVAC Module Assembly
G00469977Courtesy of GENERAL MOTORS CORP.
Fig 8: Below Front Impact Bar
G00441050Courtesy of GENERAL MOTORS CORP.
Fig 9: Instrument Panel
G00441051Courtesy of GENERAL MOTORS CORP.
Fig 10: Audio Components
G00441052Courtesy of GENERAL MOTORS CORP.
Fig 11: Below Shifter
G00441053Courtesy of GENERAL MOTORS CORP.
Fig 12: Near Brake Booster
G00441055Courtesy of GENERAL MOTORS CORP.
Fig 13: Top Of Engine (LNJ)
G00441056Courtesy of GENERAL MOTORS CORP.
Fig 14: Near Hood Latch
G00441057Courtesy of GENERAL MOTORS CORP.
Fig 15: Left Side Of Dash
G00456738Courtesy of GENERAL MOTORS CORP.
Fig 16: Below Left Rear Window
G00441059Courtesy of GENERAL MOTORS CORP.
Fig 17: Steering Column
G00469981Courtesy of GENERAL MOTORS CORP.
Fig 18: Above Battery
G00441061Courtesy of GENERAL MOTORS CORP.
Fig 19: Rear Of Engine (LNJ)
G00441062Courtesy of GENERAL MOTORS CORP.
Fig 20: Left side Of Engine (LNJ)
G00469982Courtesy of GENERAL MOTORS CORP.
Fig 21: Oxygen Sensors
G00441064Courtesy of GENERAL MOTORS CORP.
Fig 22: Passenger Seat (Manual)
G00469991Courtesy of GENERAL MOTORS CORP.
Fig 23: Driver Seat
G00469992Courtesy of GENERAL MOTORS CORP.
Fig 24: Below Left Front Headlamp
G00441067Courtesy of GENERAL MOTORS CORP.
Fig 25: Front Air Bags
G00441068Courtesy of GENERAL MOTORS CORP.
Fig 26: Roof Rail Air Bags
G00441069Courtesy of GENERAL MOTORS CORP.
Fig 27: Center Of Floor
G00469990Courtesy of GENERAL MOTORS CORP.
Fig 28: Air Induction Components (LNJ)
G00469979Courtesy of GENERAL MOTORS CORP.
Fig 29: Park Brake Assembly
G00441072Courtesy of GENERAL MOTORS CORP.
Fig 30: Near Rear Differential
G00441073Courtesy of GENERAL MOTORS CORP.
Fig 31: Below Right Rear Window
G00441074Courtesy of GENERAL MOTORS CORP.
Fig 32: Behind Dash
G00441075Courtesy of GENERAL MOTORS CORP.
Fig 33: Left Front Suspension
G00456739Courtesy of GENERAL MOTORS CORP.
Fig 34: Rear ABS Sensors
G00441077Courtesy of GENERAL MOTORS CORP.
Fig 35: Driver Door
G00441078Courtesy of GENERAL MOTORS CORP.
Fig 36: Passenger Door
G00441079Courtesy of GENERAL MOTORS CORP.
Fig 37: Left Rear Door
G00469984Courtesy of GENERAL MOTORS CORP.
Fig 38: Right Rear Door
G00469985Courtesy of GENERAL MOTORS CORP.
Fig 39: Forward Lamp Harness
G00469994Courtesy of GENERAL MOTORS CORP.
Fig 40: Front Body Harness
G00456742Courtesy of GENERAL MOTORS CORP.
Fig 41: Right Side Of Engine (LNJ)
G00456743Courtesy of GENERAL MOTORS CORP.
Fig 42: Passenger Compartment Body Harness
G00470001Courtesy of GENERAL MOTORS CORP.
Fig 43: Passenger Side Dash Harness
G00456745Courtesy of GENERAL MOTORS CORP.
Fig 44: Console Harness
G00456746Courtesy of GENERAL MOTORS CORP.
Fig 45: Driver Seat Harness
G00456747Courtesy of GENERAL MOTORS CORP.
Fig 46: Headliner Harness
G00456749Courtesy of GENERAL MOTORS CORP.
Fig 47: Chassis Harness
G00456748Courtesy of GENERAL MOTORS CORP.
Fig 48: Left Rear Body Harness
G00456750Courtesy of GENERAL MOTORS CORP.
Fig 49: Driver Side Dash Harness
G00456751Courtesy of GENERAL MOTORS CORP.
Fig 50: Right Rear Body Harness
G00456752Courtesy of GENERAL MOTORS CORP.
Fig 51: Trailer Harness
G00456753Courtesy of GENERAL MOTORS CORP.
Fig 52: Liftgate Harness
G00456754Courtesy of GENERAL MOTORS CORP.
Fig 53: Ground G101
G00441097Courtesy of GENERAL MOTORS CORP.
Fig 54: Power Steering Harness
G00441098Courtesy of GENERAL MOTORS CORP.
Fig 55: Ground G201
G00441100Courtesy of GENERAL MOTORS CORP.
Fig 56: Ground G203
G00441101Courtesy of GENERAL MOTORS CORP.
Fig 57: Ground G205
G00441102Courtesy of GENERAL MOTORS CORP.
Fig 58: Ground G301 & G311
G00441103Courtesy of GENERAL MOTORS CORP.
Fig 59: Ground G401
G00441104Courtesy of GENERAL MOTORS CORP.
Fig 60: Ground G403
G00441105Courtesy of GENERAL MOTORS CORP.
Fig 61: Passenger Door Harness
G00456755Courtesy of GENERAL MOTORS CORP.
Fig 62: Driver Door Harness
G00456756Courtesy of GENERAL MOTORS CORP.
Fig 63: Front Engine Harness
G00456757Courtesy of GENERAL MOTORS CORP.
Fig 64: Underhood Fuse Block
G00441109Courtesy of GENERAL MOTORS CORP.
Fig 65: I/P Fuse Block
G00441110Courtesy of GENERAL MOTORS CORP.
Fig 66: Engine Assembly (LY7)
G00456758Courtesy of GENERAL MOTORS CORP.
Fig 67: Right Front Of Engine (LY7)
G00469980Courtesy of GENERAL MOTORS CORP.
Fig 68: Top Of Engine (LY7)
G00456760Courtesy of GENERAL MOTORS CORP.
Fig 69: Rear Of Transmission (LY7)
G00456761Courtesy of GENERAL MOTORS CORP.
Fig 70: Roof Components
G00469978Courtesy of GENERAL MOTORS CORP.
Fig 71: Left Front Of Engine Compartment
G00469987Courtesy of GENERAL MOTORS CORP.
Fig 72: Rear Axle & Fuel Tank Components
G00469989Courtesy of GENERAL MOTORS CORP.
Fig 73: Front Of Transmission (LY7)
G00469993Courtesy of GENERAL MOTORS CORP.
Fig 74: Top Front Of Engine (LY7)
G00469995Courtesy of GENERAL MOTORS CORP.
Fig 75: Rear Compartment
G00469996Courtesy of GENERAL MOTORS CORP.
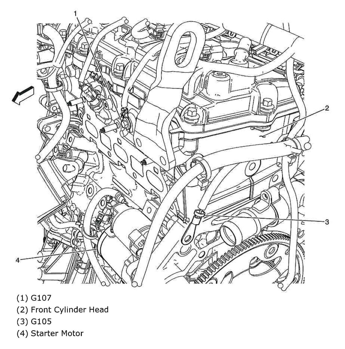
Fig 76: Grounds G105 & G107
G00469997Courtesy of GENERAL MOTORS CORP.
Fig 77: Engine Harness (G108 & G109)
G00469998Courtesy of GENERAL MOTORS CORP.
Fig 78: Instrument Panel & Console Components
G00469999Courtesy of GENERAL MOTORS CORP.
Fig 79: Headliner
G00470000Courtesy of GENERAL MOTORS CORP.