LEMON Manuals: Even more car manuals for everyone
Home >> Pontiac >> 2009 >> Solstice Base, 2D Convertible, Standard >> Repair and Diagnosis >> External Pages >> Different variant/trim >> Section 2 (Engine Controls And Fuel - 2.0L - Introduction) >> Schematic and Routing Diagrams >> Engine Controls Schematics

Engine Controls Schematics

WARNING: This page is about a different variant/trim than selected.
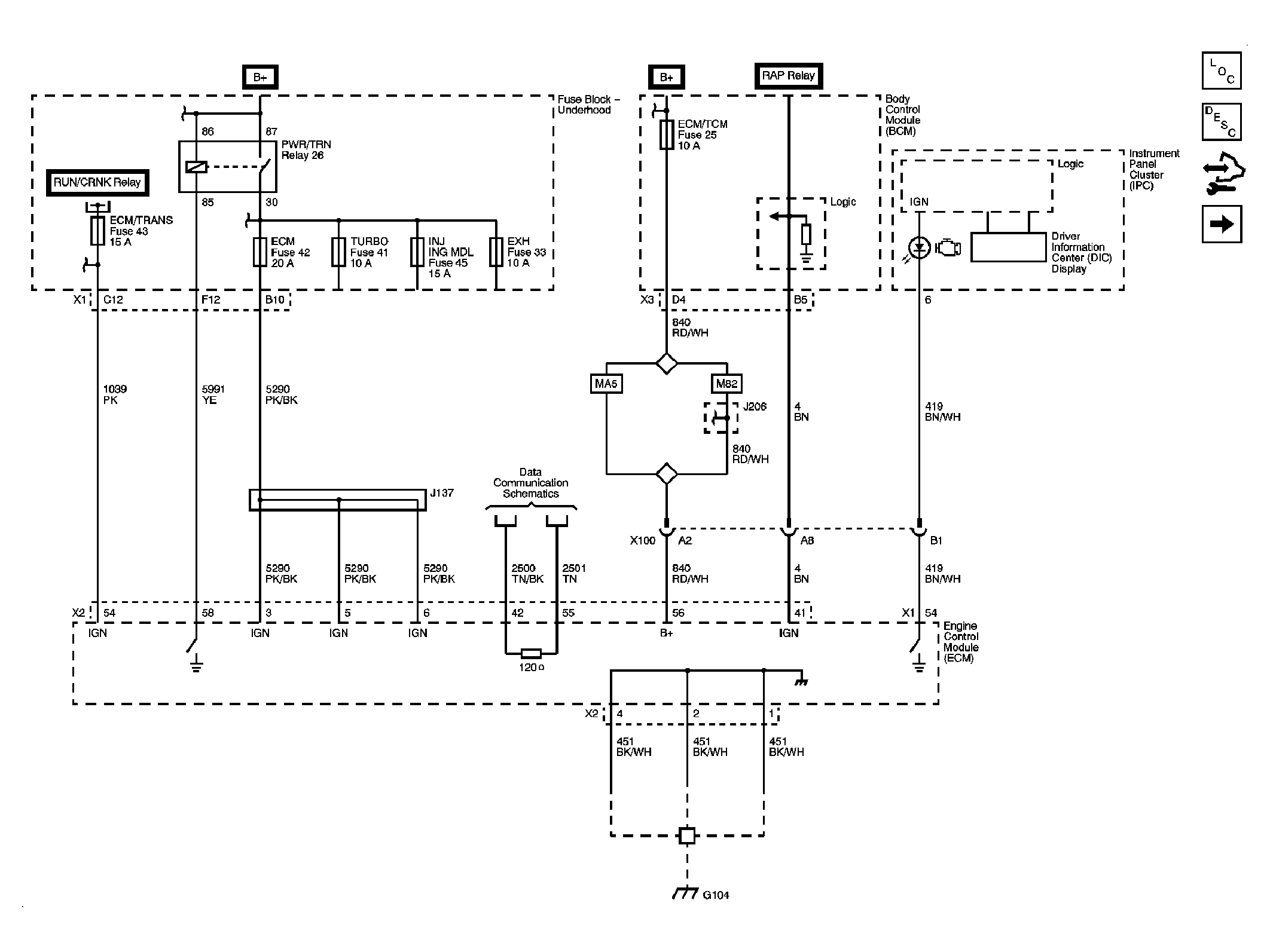
Fig 1: Power, Ground, Data Link & MIL
GM2049464Courtesy of GENERAL MOTORS CORP.
Fig 2: 5-Volt and Low Reference
GM2049466Courtesy of GENERAL MOTORS CORP.
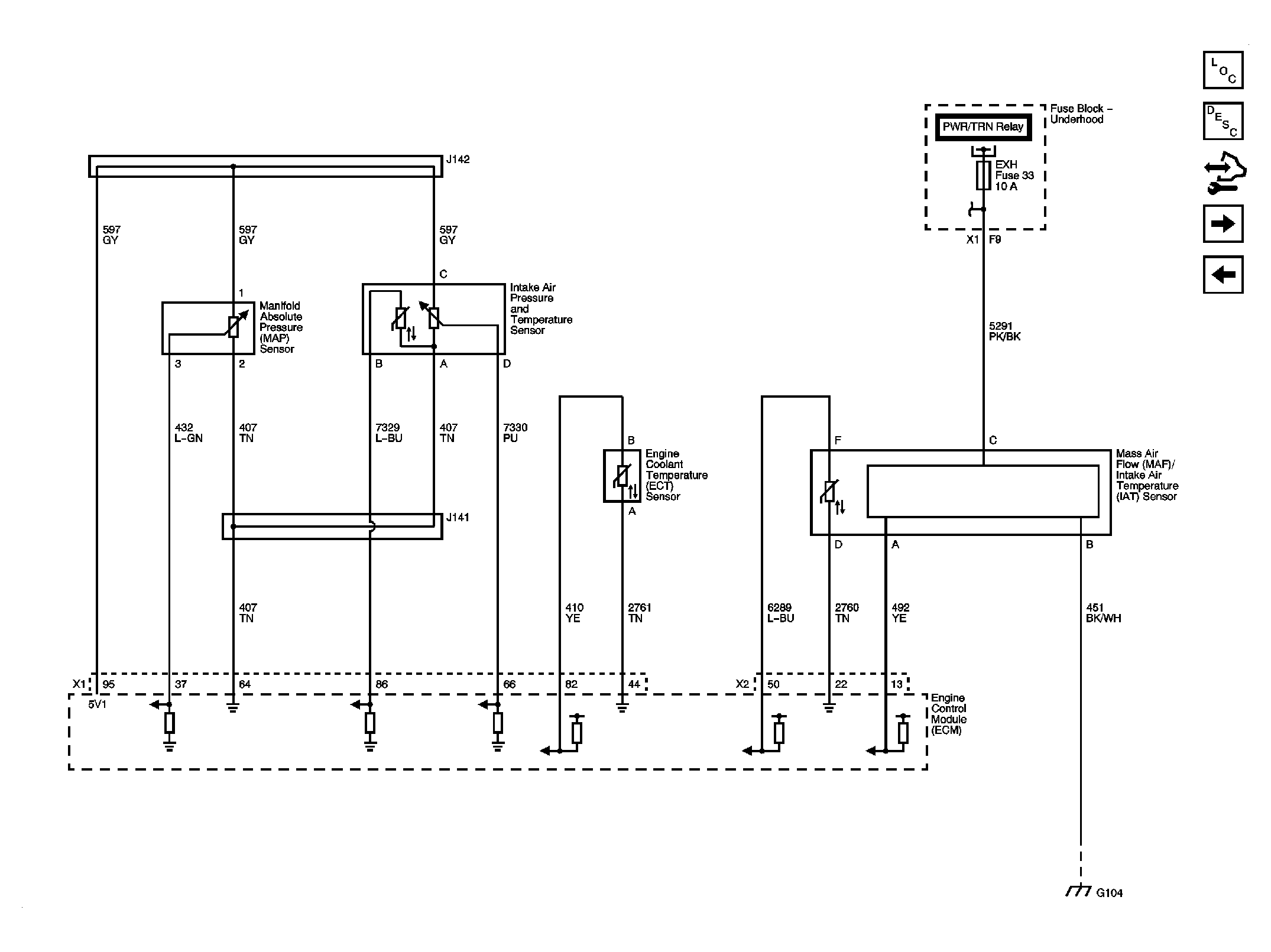
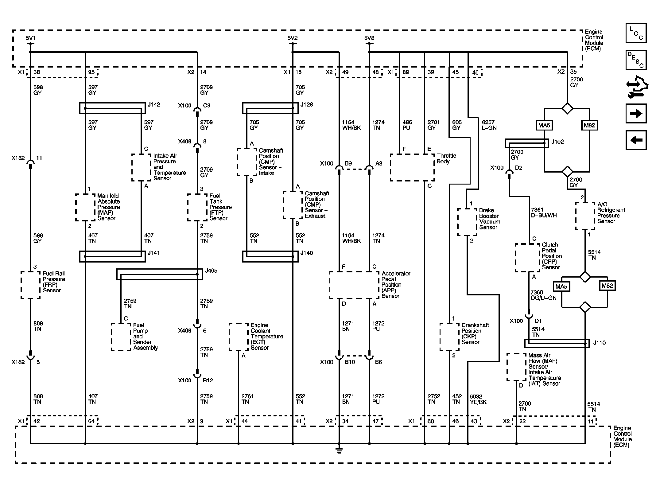
Fig 3: Engine Data Sensors - Pressure & Temperature
GM2049468Courtesy of GENERAL MOTORS CORP.
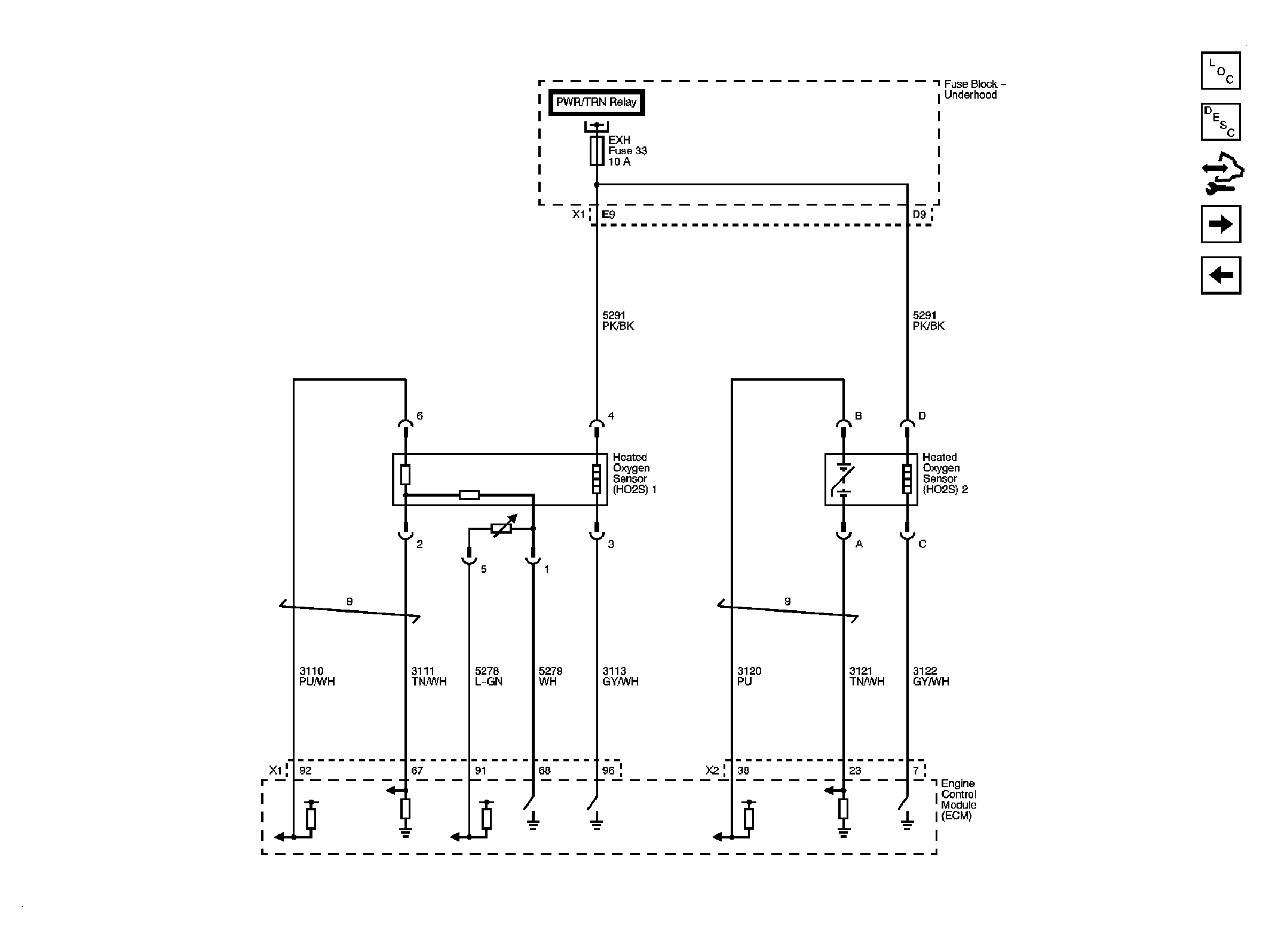
Fig 4: Engine Data Sensors - Oxygen Sensors
GM2049470Courtesy of GENERAL MOTORS CORP.
Fig 5: Engine Data Sensors - Electronic Throttle Controls
GM2049472Courtesy of GENERAL MOTORS CORP.
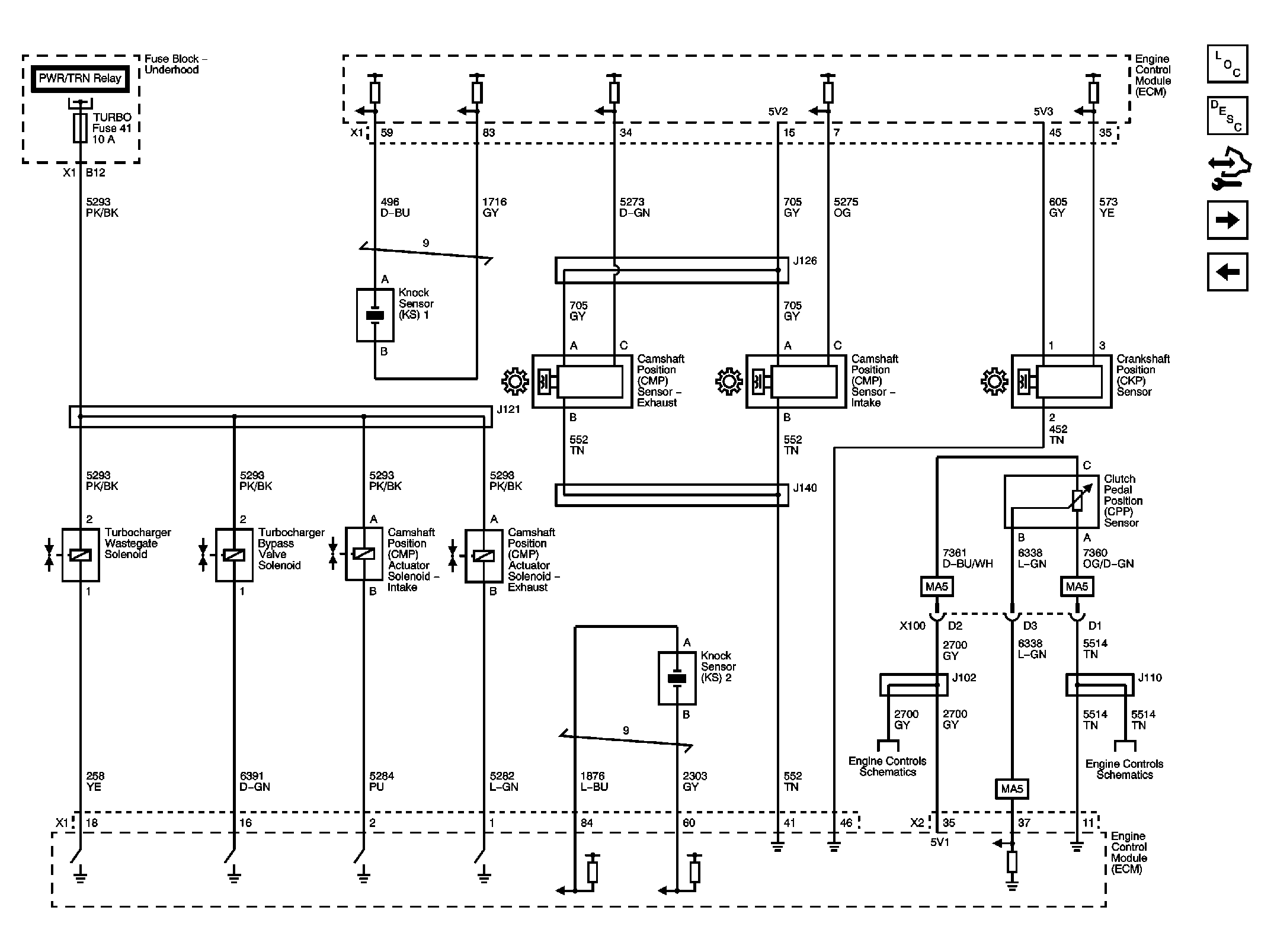
Fig 6: Ignition Controls - Sensors
GM2049474Courtesy of GENERAL MOTORS CORP.
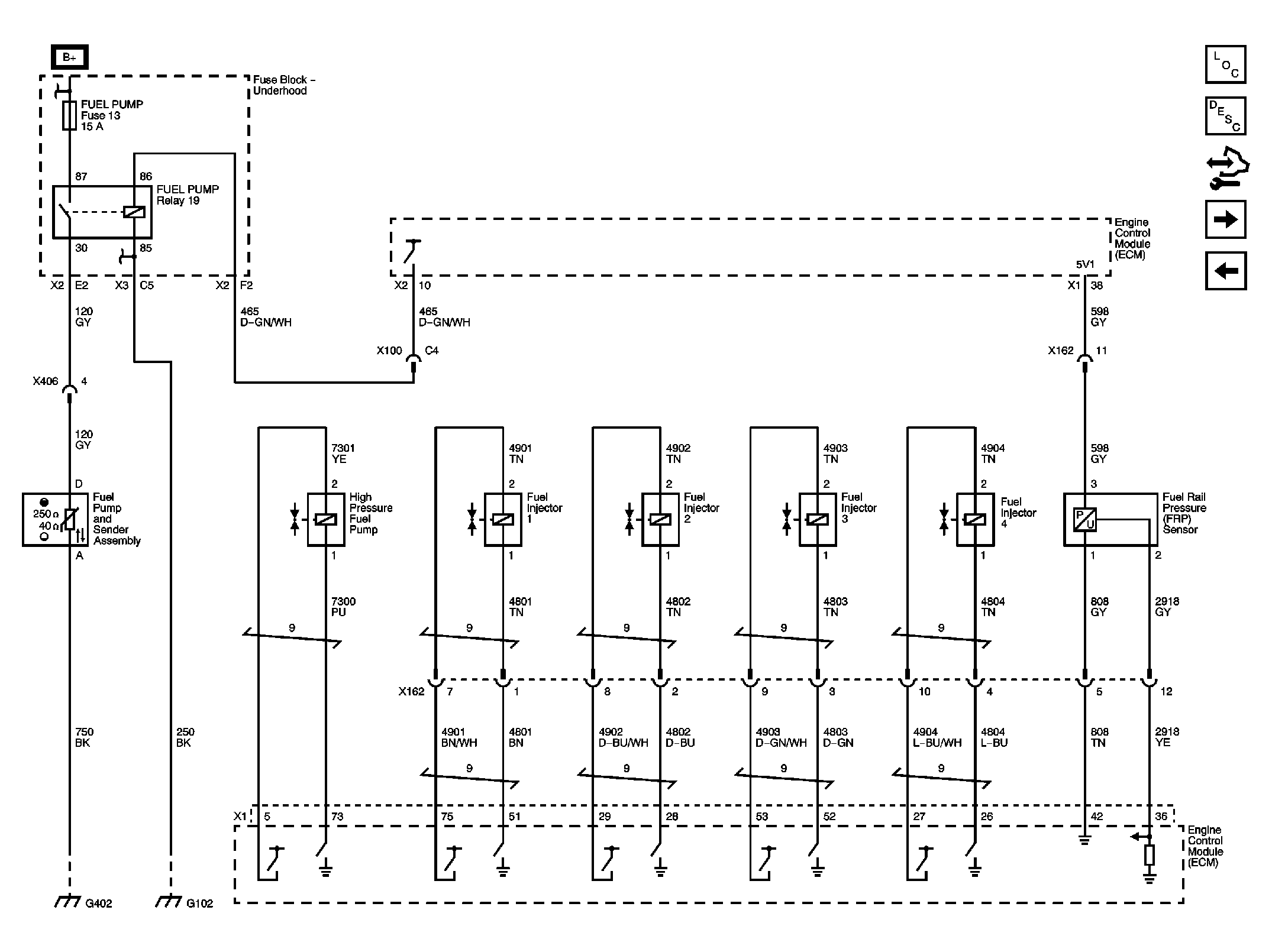
Fig 7: Fuel Controls - Fuel Pump Controls & Fuel Injectors
GM2049476Courtesy of GENERAL MOTORS CORP.
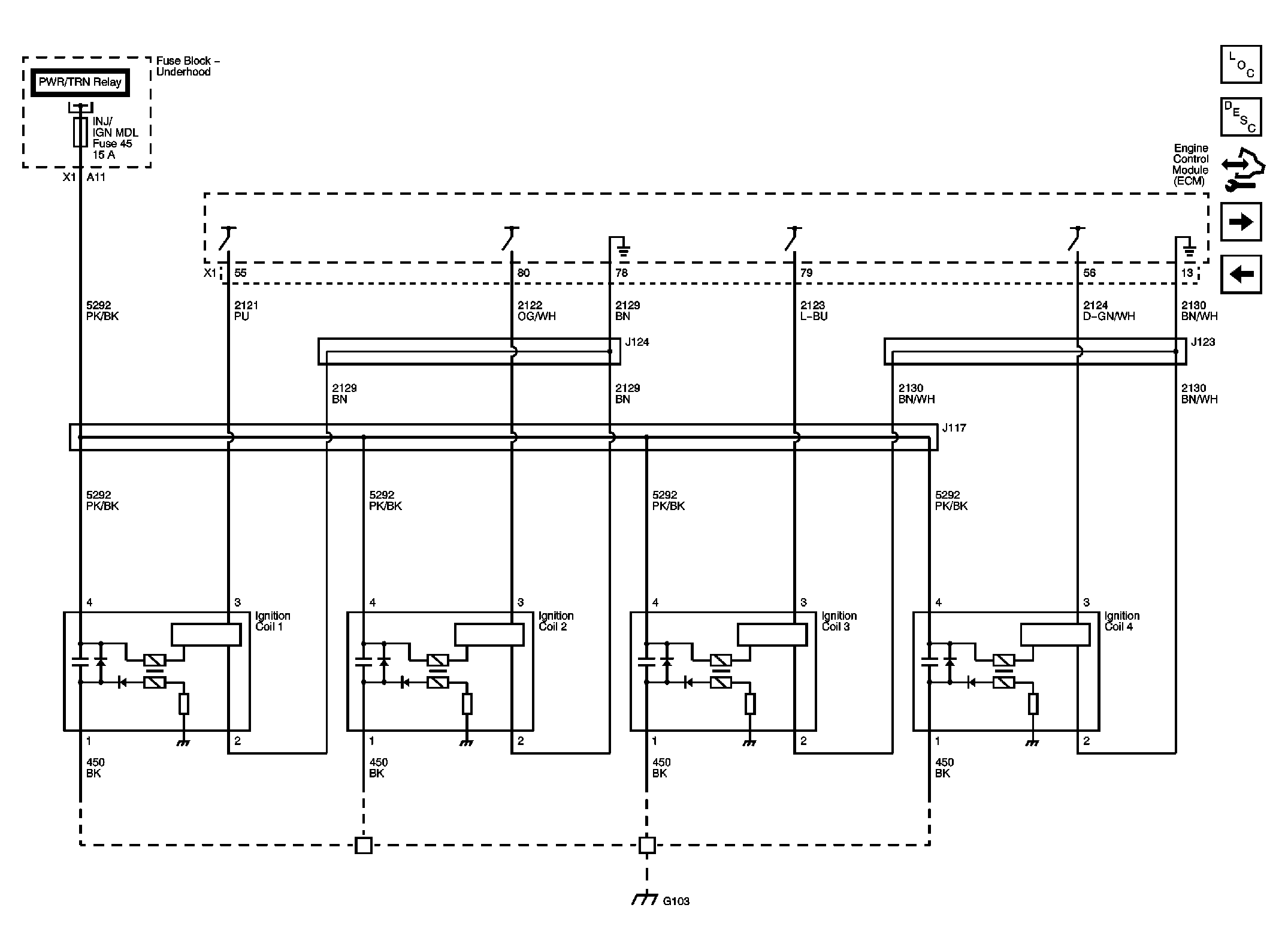
Fig 8: Ignition Controls - Ignition System
GM2049478Courtesy of GENERAL MOTORS CORP.
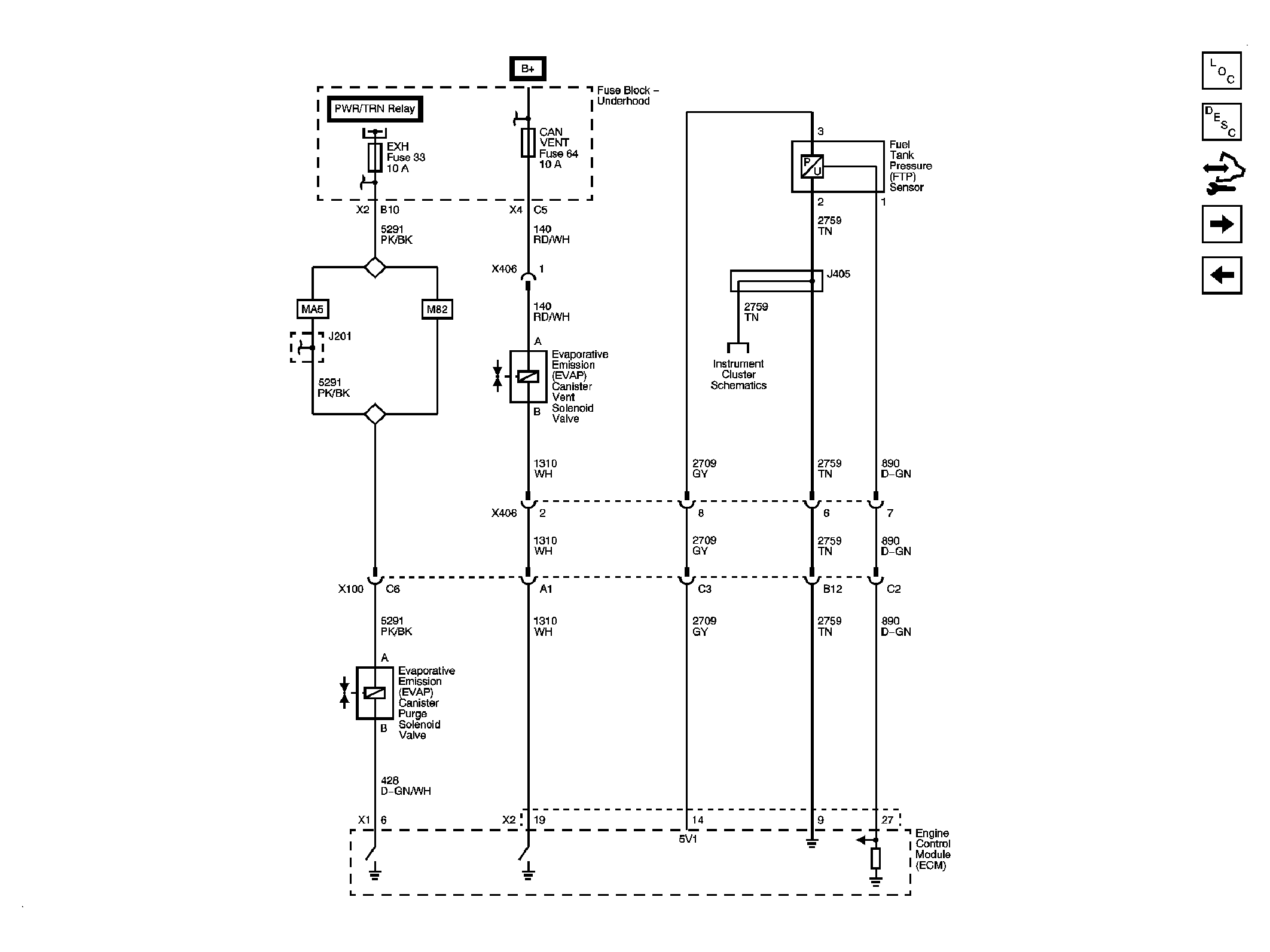
Fig 9: Fuel Controls - EVAP Controls
GM2049480Courtesy of GENERAL MOTORS CORP.
Fig 10: Controlled/Monitored Subsystem References
GM2049482Courtesy of GENERAL MOTORS CORP.