LEMON Manuals: Even more car manuals for everyone
Home >> Pontiac >> 2009 >> G8 Base >> Repair and Diagnosis >> External Pages >> Different car >> Section 473 (Cellular System, Entertainment System, And Navigation System) >> Wiring Schematics >> Radio/Navigation System Wiring Schematics >> Amplifier

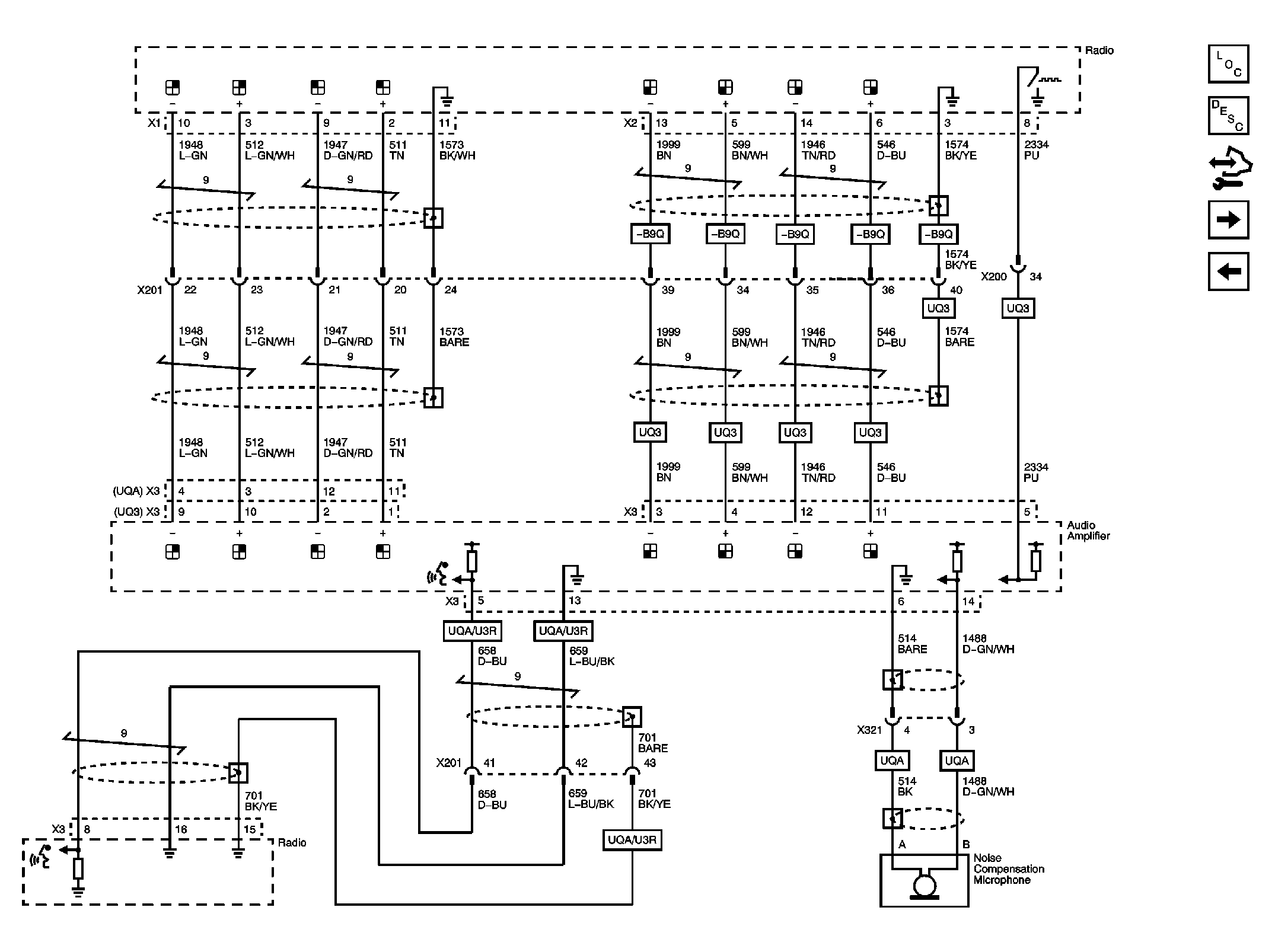
Radio/Navigation System Wiring Schematics: Amplifier

WARNING: This page is about a different car, the 2011 Cadillac DTS. However, it is still accessible from the selected car via links, so may be relevant.
Fig 1: Amplifier Wiring Schematic
GM2398287Courtesy of GENERAL MOTORS COMPANY