LEMON Manuals: Even more car manuals for everyone
Home >> Pontiac >> 2009 >> G8 Base >> Repair and Diagnosis >> External Pages >> Different car >> Section 204 (Keyless Entry System And Remote Functions) >> Schematic and Routing Diagrams >> Remote Function Schematics

Remote Function Schematics

WARNING: This page is about a different car, the 2009 Cadillac DTS. However, it is still accessible from the selected car via links, so may be relevant.
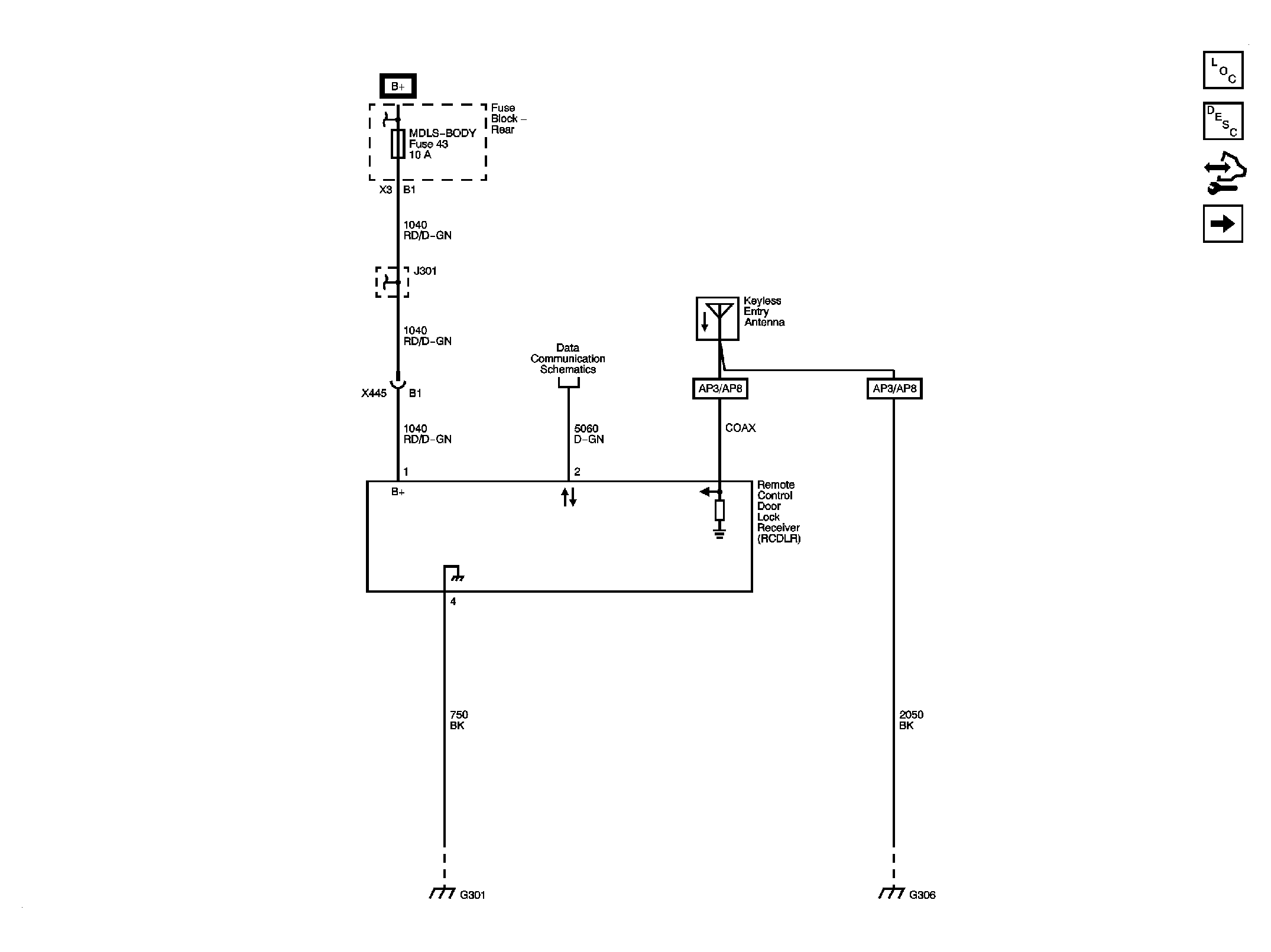
Fig 1: Remote Control Door Lock Receiver (RCDLR)
GM2082395Courtesy of GENERAL MOTORS CORP.
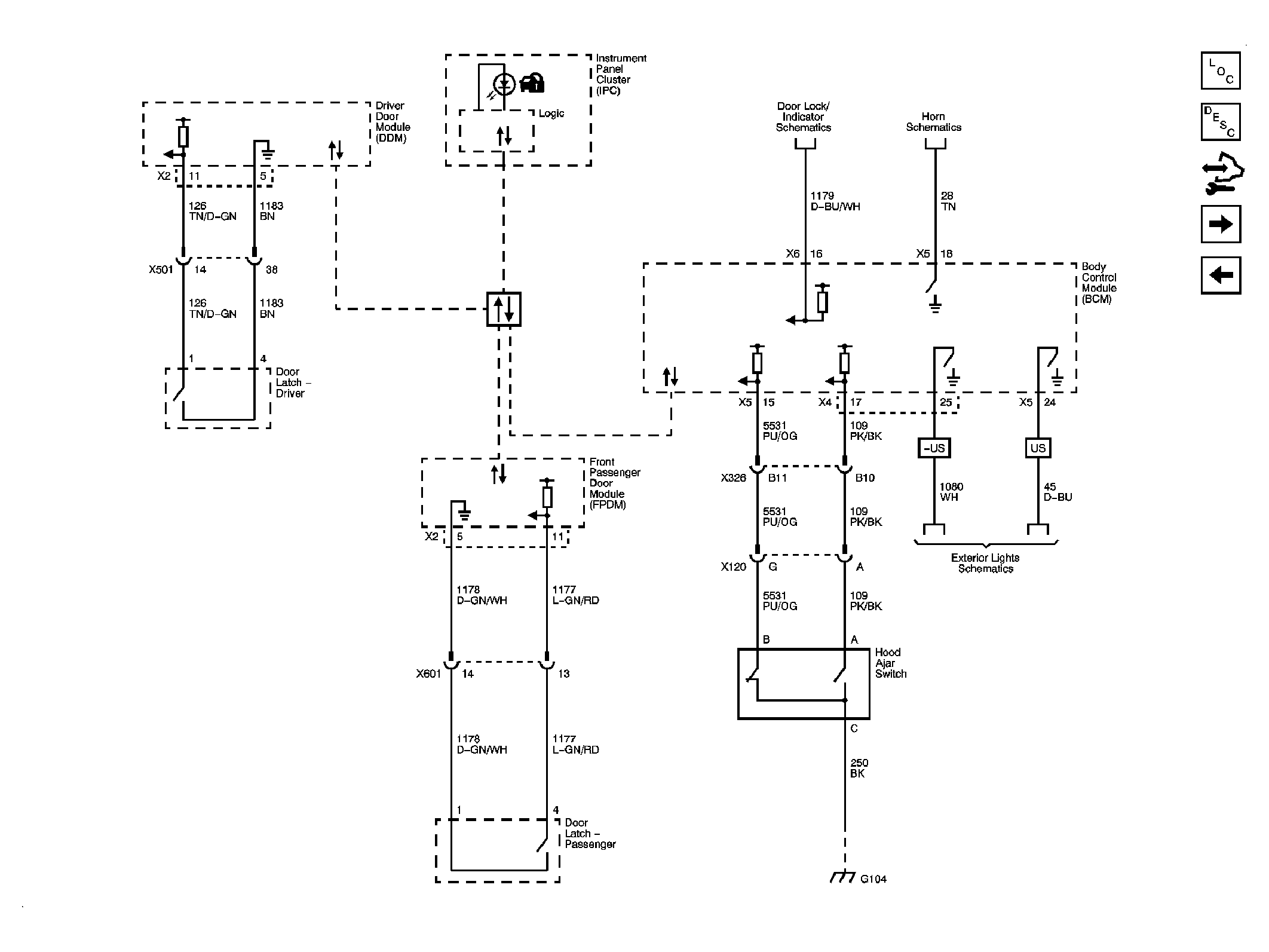
Fig 2: Door Latch Assemblies and Hood Ajar Switch
GM2082397Courtesy of GENERAL MOTORS CORP.
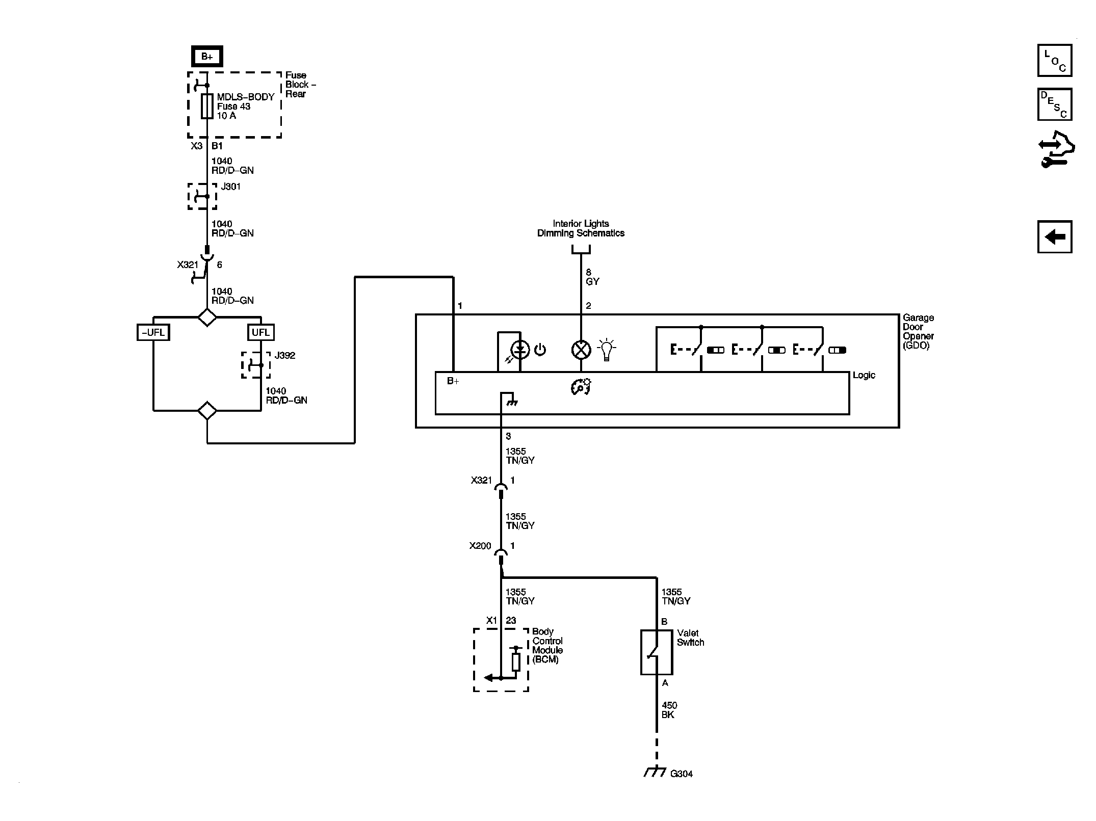
Fig 3: Garage Door Opener
GM2082398Courtesy of GENERAL MOTORS CORP.