LEMON Manuals: Even more car manuals for everyone
Home >> Pontiac >> 2009 >> G8 Base >> Repair and Diagnosis >> External Pages >> Different car >> Section 189 (Object Detection System) >> Schematic and Routing Diagrams >> Object Detection Schematics

Object Detection Schematics

WARNING: This page is about a different car, the 2009 Cadillac DTS. However, it is still accessible from the selected car via links, so may be relevant.
Fig 1: Front Park Assist (UFR)
GM2082391Courtesy of GENERAL MOTORS CORP.
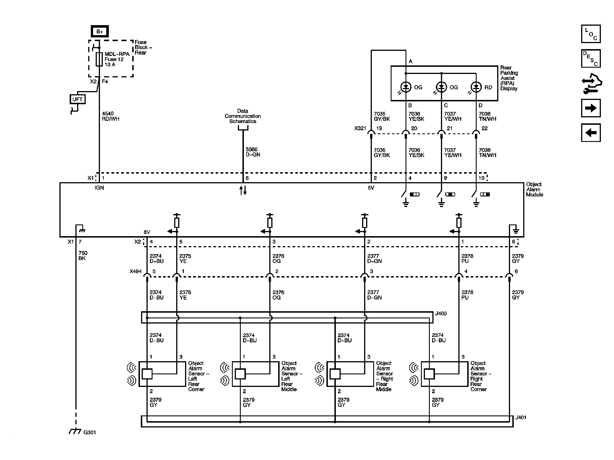
Fig 2: Rear Park Assist (UFR)
GM2082392Courtesy of GENERAL MOTORS CORP.
Fig 3: Lane Departure Warning System (UFL)
GM2082393Courtesy of GENERAL MOTORS CORP.
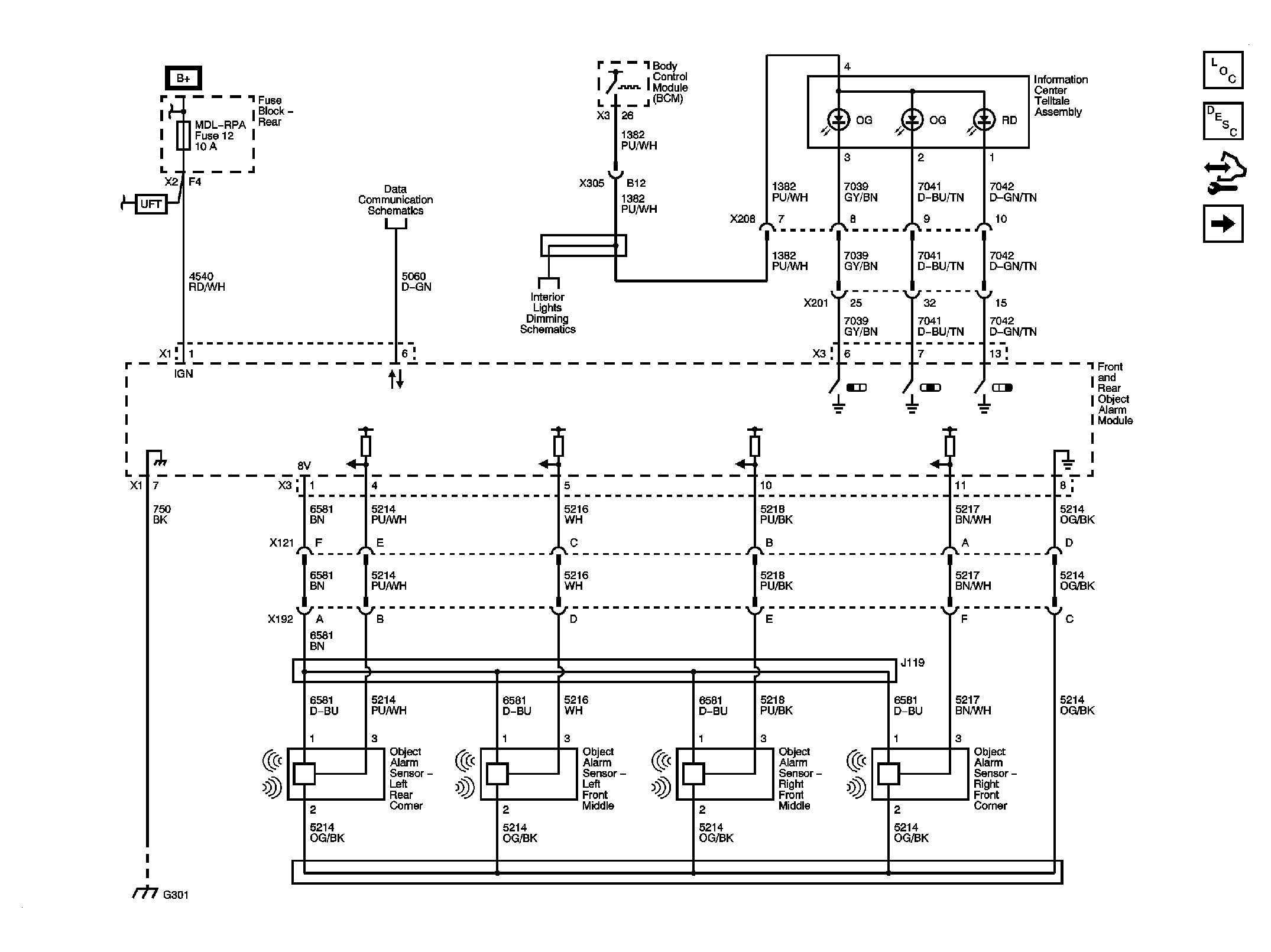
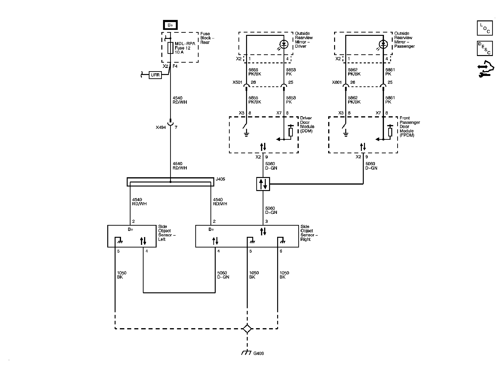
Fig 4: Side Object Detection (UFT)
GM2082394Courtesy of GENERAL MOTORS CORP.