LEMON Manuals: Even more car manuals for everyone
Home >> Pontiac >> 2009 >> G8 Base >> Repair and Diagnosis >> External Pages >> Different car >> Section 177 (Cellular System, Entertainment System & Navigation System) >> Schematic and Routing Diagrams >> Radio/Navigation System Schematics

Radio/Navigation System Schematics

WARNING: This page is about a different car, the 2009 Cadillac DTS. However, it is still accessible from the selected car via links, so may be relevant.
Fig 1: Radio Power and Ground
GM2082303Courtesy of GENERAL MOTORS CORP.
Fig 2: Amplifier
GM2082304Courtesy of GENERAL MOTORS CORP.
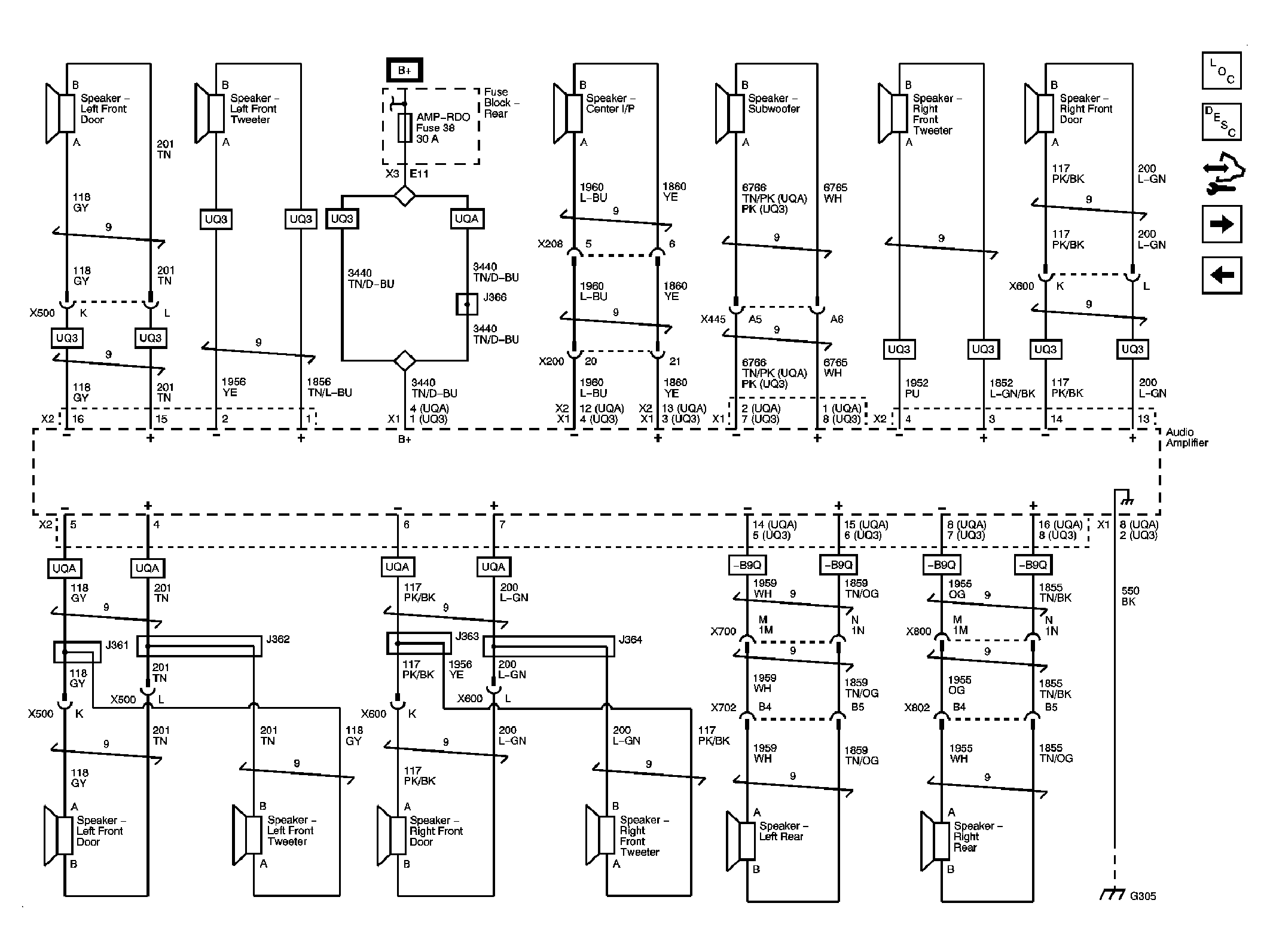
Fig 3: Speakers
GM2082306Courtesy of GENERAL MOTORS CORP.
Fig 4: Redundant Steering Wheel Controls
GM2082307Courtesy of GENERAL MOTORS CORP.
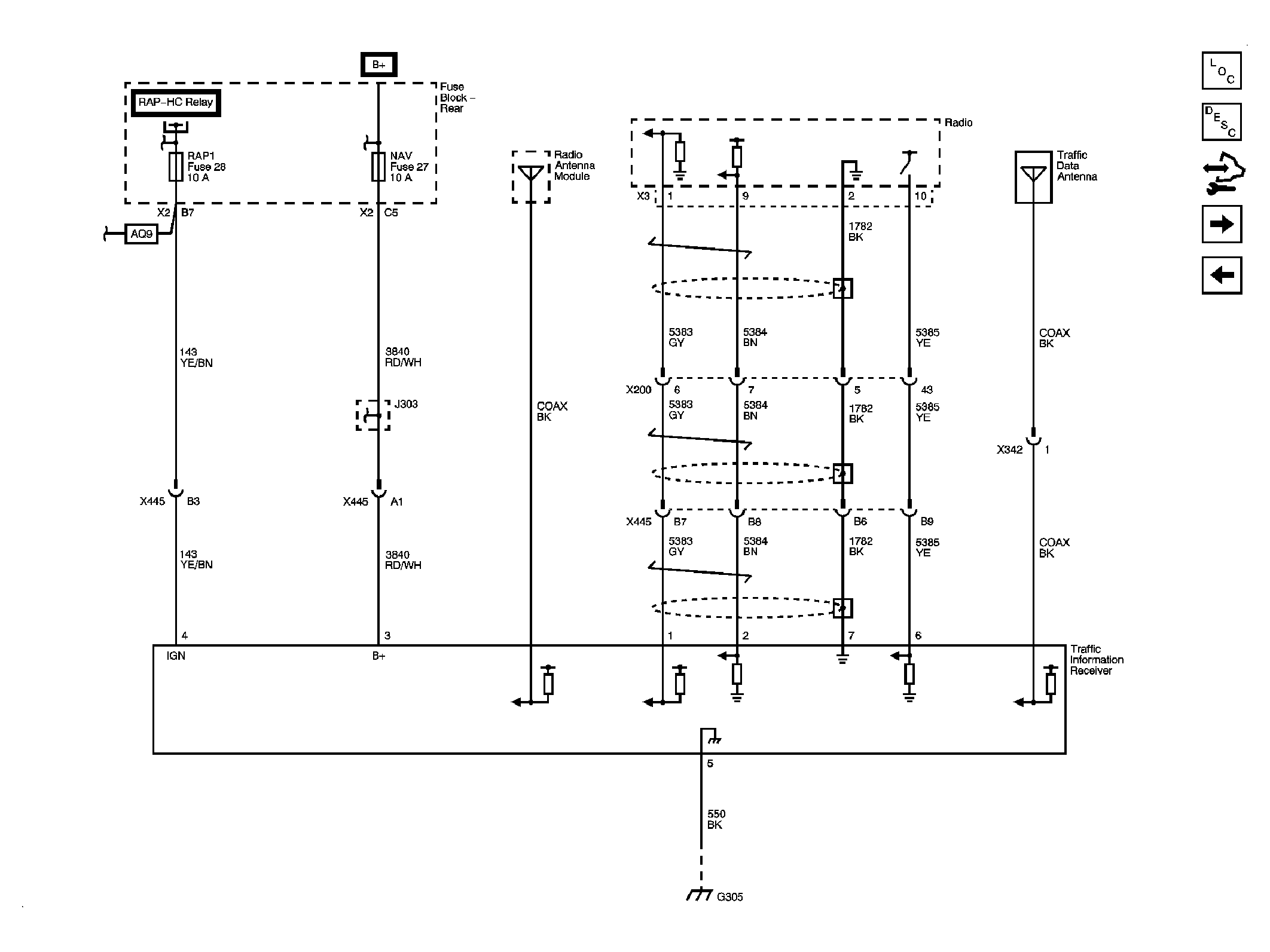
Fig 5: Traffic Information Receiver U3Q
GM2082308Courtesy of GENERAL MOTORS CORP.
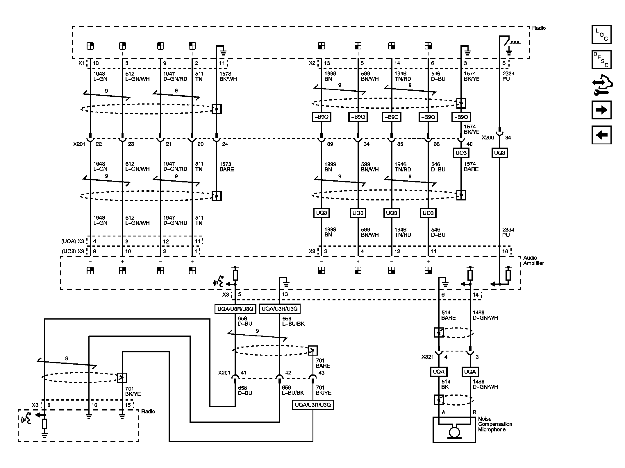
Fig 6: Radio (without UE1)
GM2082311Courtesy of GENERAL MOTORS CORP.