LEMON Manuals: Even more car manuals for everyone
Home >> Pontiac >> 2009 >> G8 Base >> Repair and Diagnosis >> Accessories & Equipment >> Infotainment >> Cellular System, Entertainment System & Navigation System >> Schematic and Routing Diagrams >> Radio/Navigation System Schematics

Radio/Navigation System Schematics

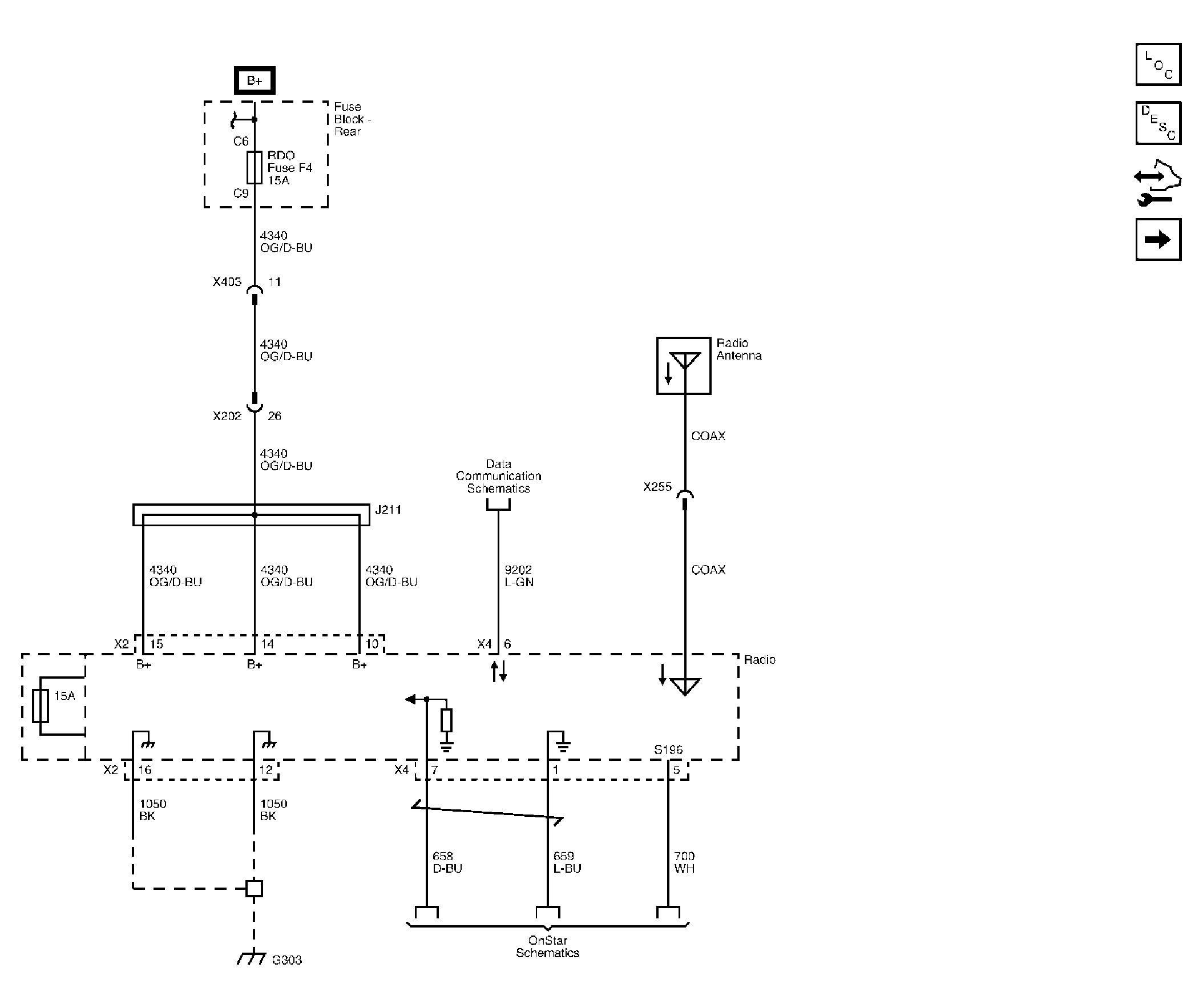
Fig 1: Radio Power, Ground, and Serial Data
GM2034221Courtesy of GENERAL MOTORS CORP.
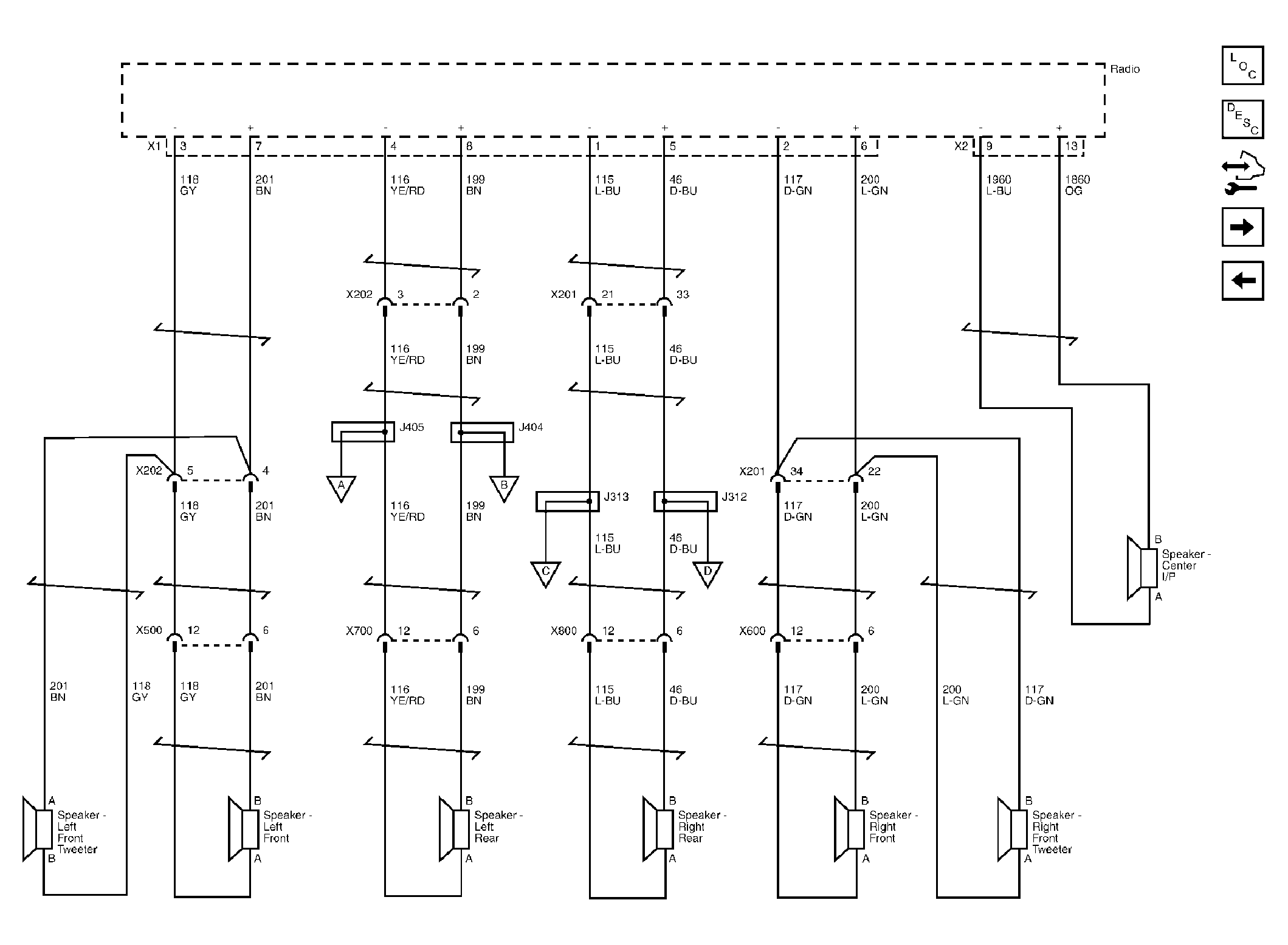
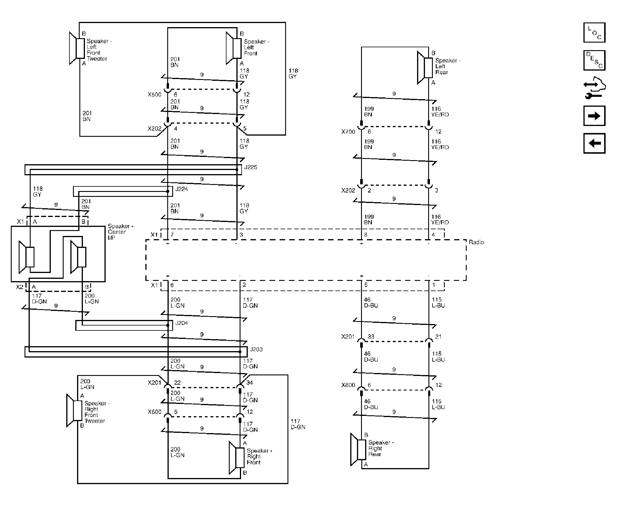
Fig 2: Speakers (except UWP)
GM2034222Courtesy of GENERAL MOTORS CORP.
Fig 3: Speakers (UWP)
GM2034224Courtesy of GENERAL MOTORS CORP.
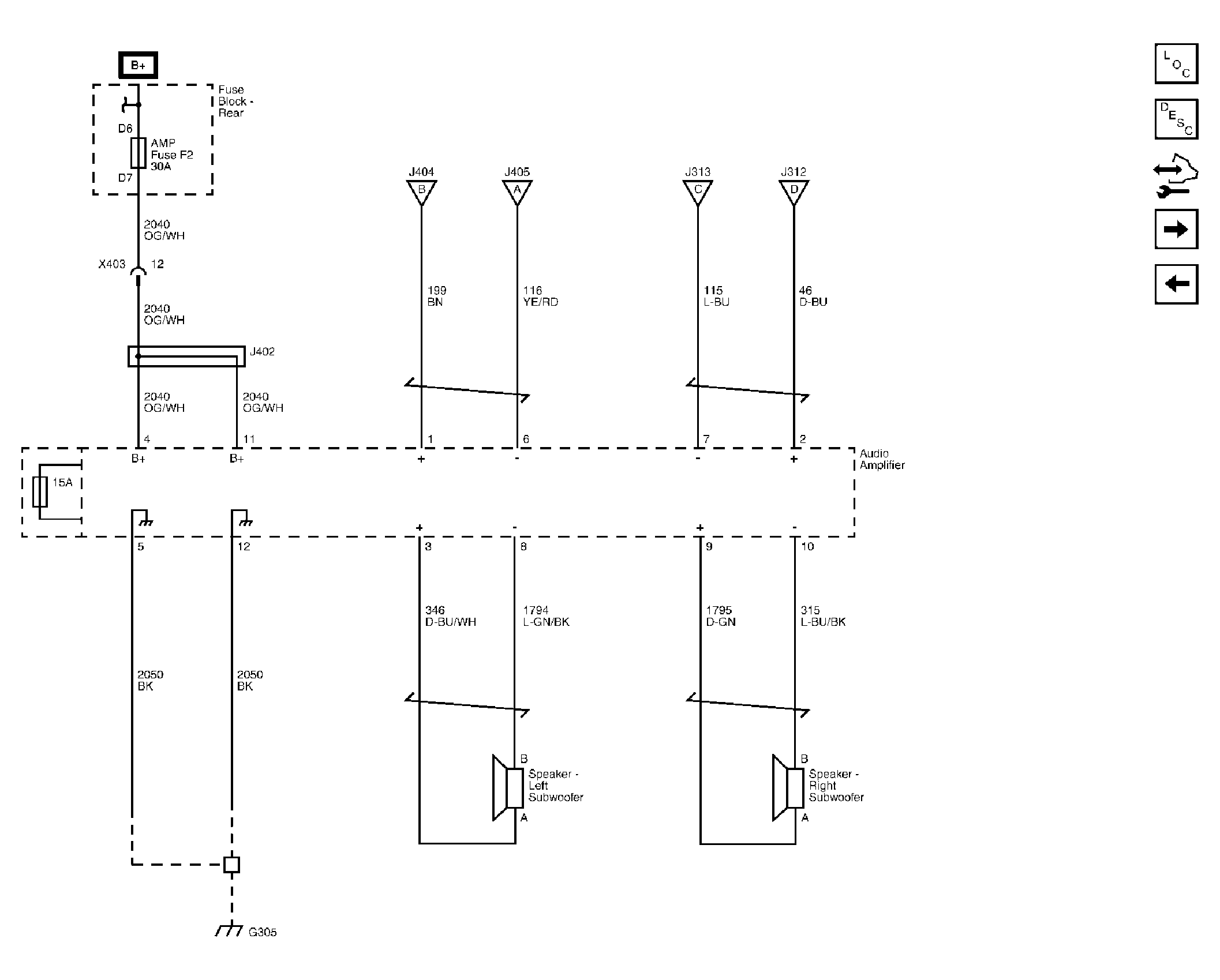
Fig 4: Amplifier (UWP)
GM2034223Courtesy of GENERAL MOTORS CORP.
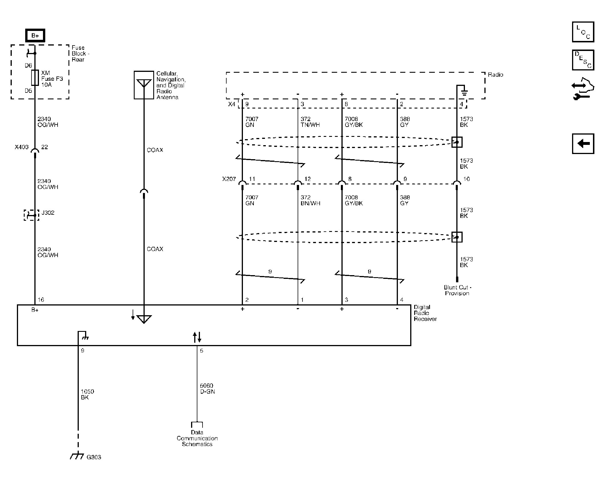
Fig 5: Digital Radio (U2K)
GM2108166Courtesy of GENERAL MOTORS CORP.