LEMON Manuals: Even more car manuals for everyone
Home >> Pontiac >> 2008 >> Torrent Base, AWD >> Repair and Diagnosis >> Accessories & Equipment >> Memory Modules >> Configurable Customer Control System >> Schematic and Routing Diagrams >> Steering Wheel Secondary/Configurable Control Schematics

Steering Wheel Secondary/Configurable Control Schematics

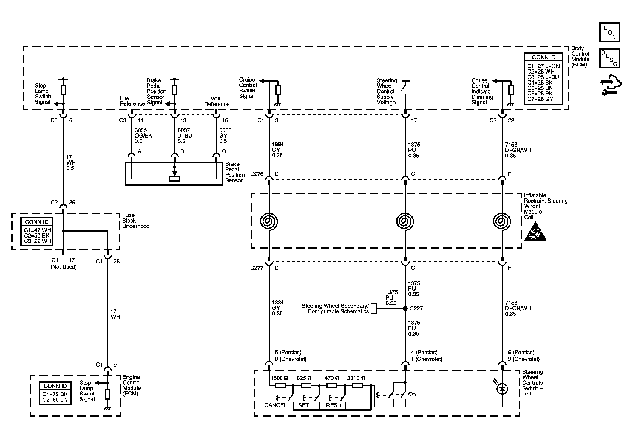
Fig 1: View Of Cruise Control Schematic
GM1802172Courtesy of GENERAL MOTORS CORP.