LEMON Manuals: Even more car manuals for everyone
Home >> Pontiac >> 2008 >> G6 Base, 2.4 B >> Repair and Diagnosis >> Body & Frame >> Door Locks >> Keyless Entry System And Remote Functions >> Schematic and Routing Diagrams >> Remote Function Schematics

Remote Function Schematics

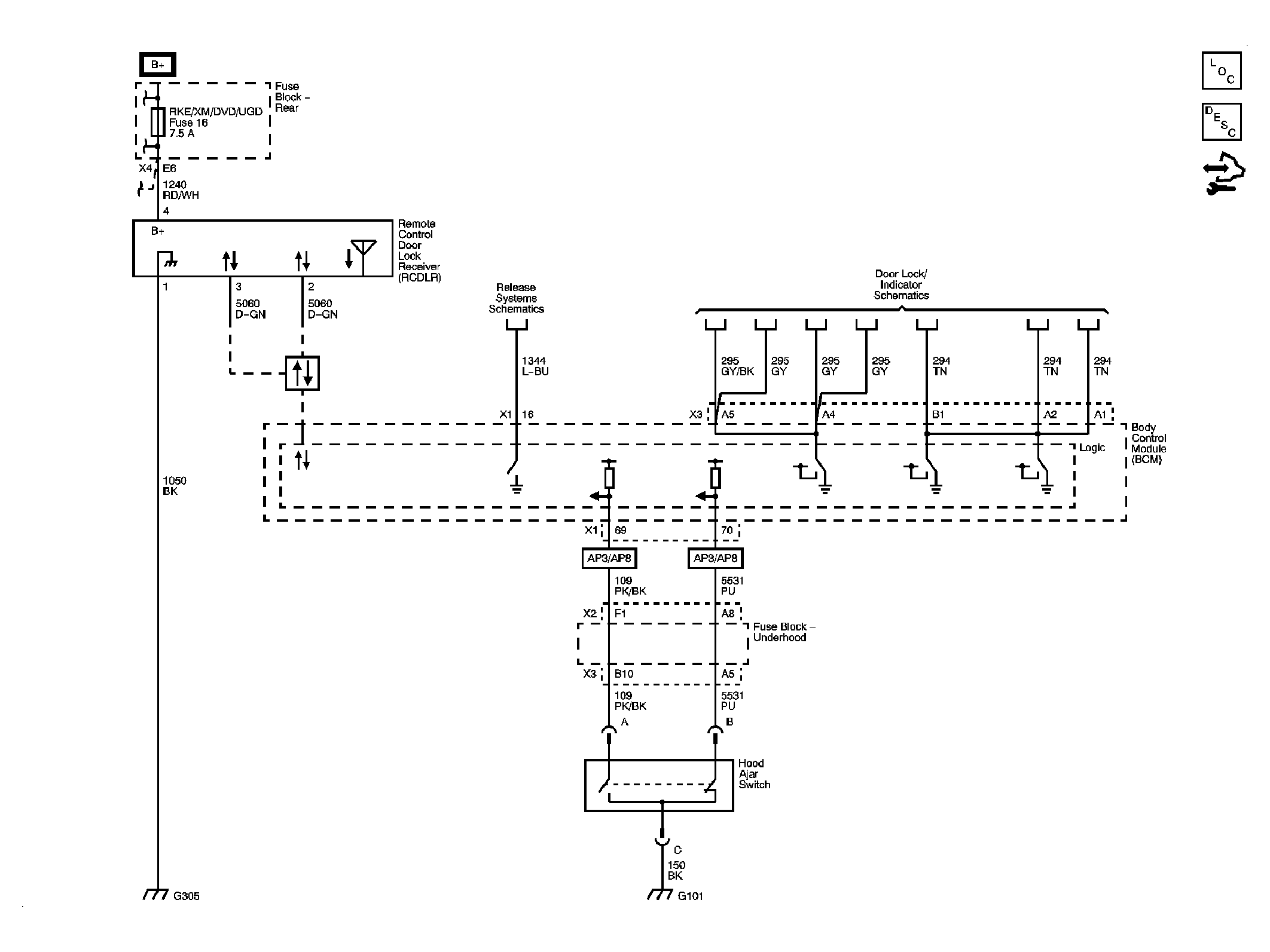
Fig 1: Remote Function Schematic
GM1913232Courtesy of GENERAL MOTORS CORP.