LEMON Manuals: Even more car manuals for everyone
Home >> Pontiac >> 2008 >> G6 Base, 2.4 B >> Repair and Diagnosis >> Accessories & Equipment >> Infotainment >> Cellular System, Entertainment System, And Navigation System >> Schematic and Routing Diagrams >> Radio/Navigation System Schematics

Radio/Navigation System Schematics

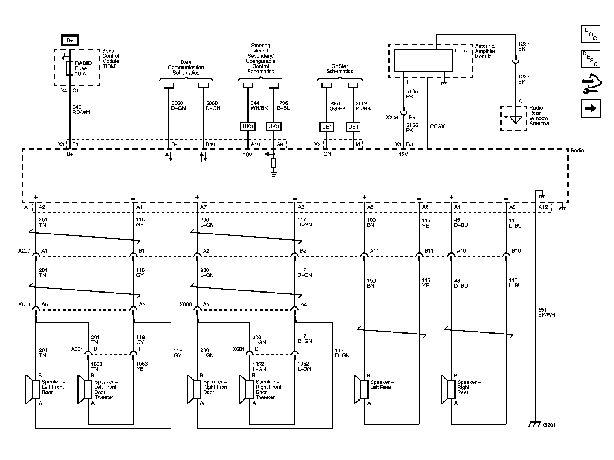
Fig 1: Radio w/UZ6 Schematic
GM1913259Courtesy of GENERAL MOTORS CORP.
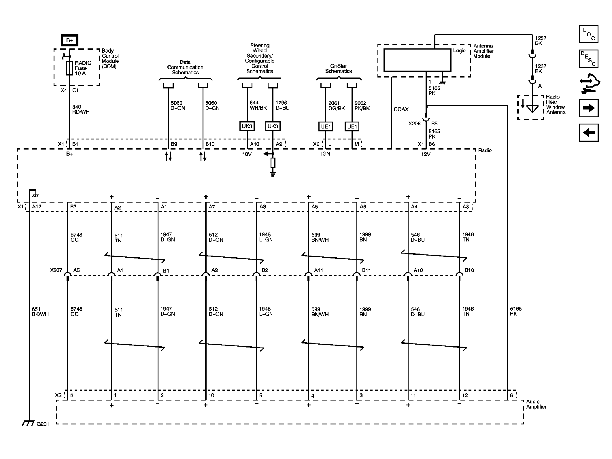
Fig 2: Radio w/U85 Audio Signals - Schematic
GM1913263Courtesy of GENERAL MOTORS CORP.
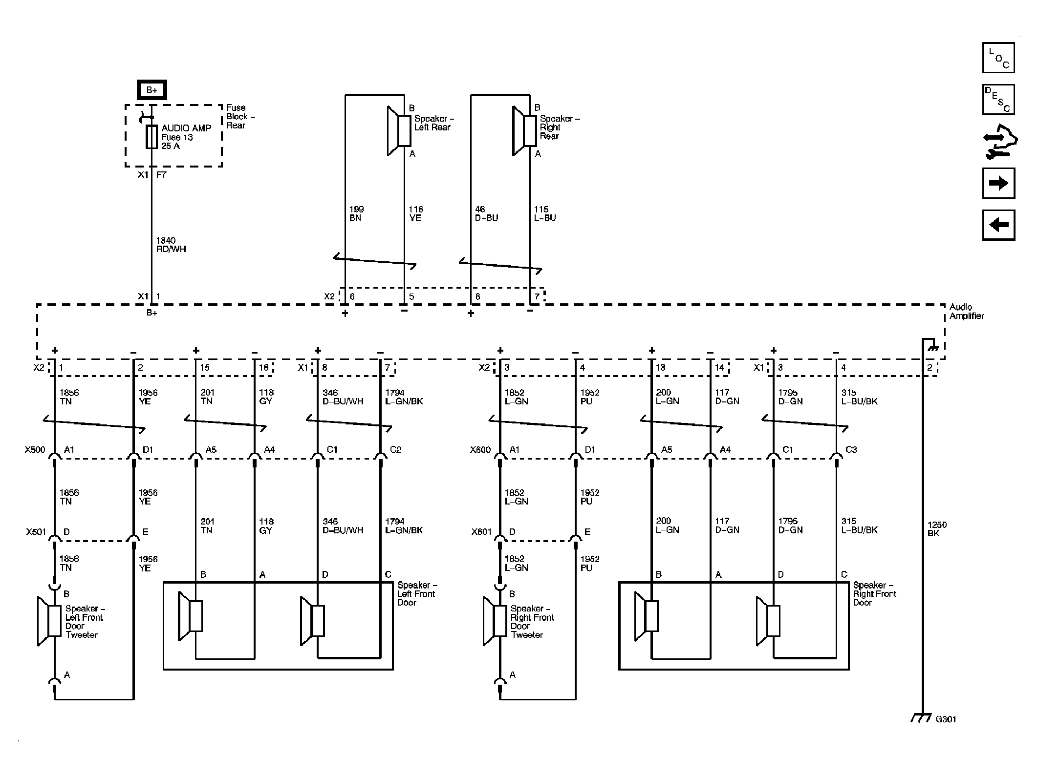
Fig 3: Radio w/U85 (Coupe/Sedan) - Schematic
GM1913268Courtesy of GENERAL MOTORS CORP.
Fig 4: Radio w/U85 (Convertible) - Schematic
GM1913275Courtesy of GENERAL MOTORS CORP.
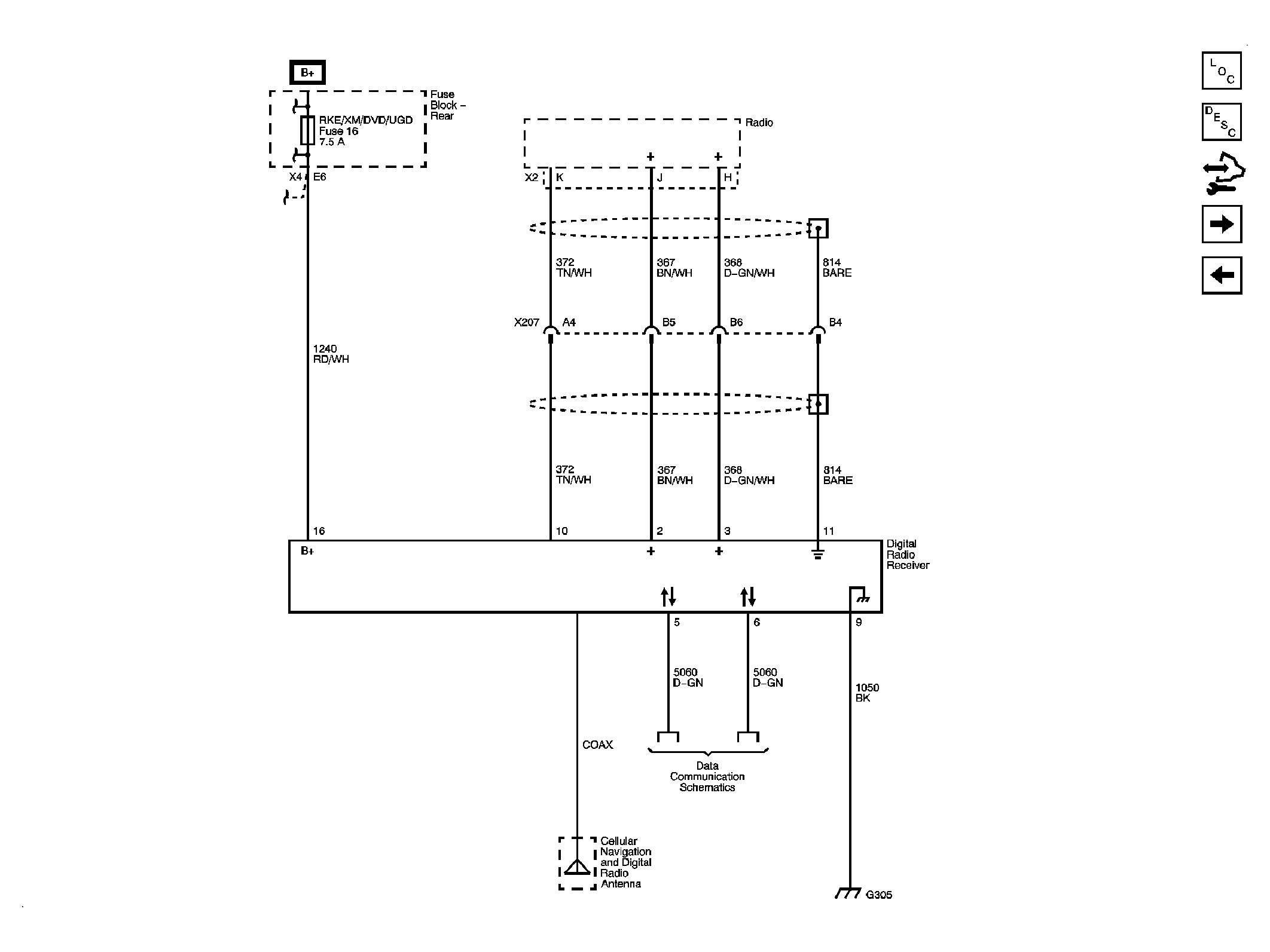
Fig 5: Digital Radio Receiver - Schematic
GM1913281Courtesy of GENERAL MOTORS CORP.
Fig 6: Redundant Radio Controls - 3 Spoke - Schematic
GM1913283Courtesy of GENERAL MOTORS CORP.