LEMON Manuals: Even more car manuals for everyone
Home >> Pontiac >> 2007 >> Torrent AWD >> Repair and Diagnosis >> External Pages >> Different car >> Section 80 (Cellular System, Entertainment System, And Navigation System) >> Schematic and Routing Diagrams >> Video System Schematics

Video System Schematics

WARNING: This page is about a different car, the 2008 Pontiac Torrent and 2008 Chevrolet Equinox. However, it is still accessible from the selected car via links, so may be relevant.
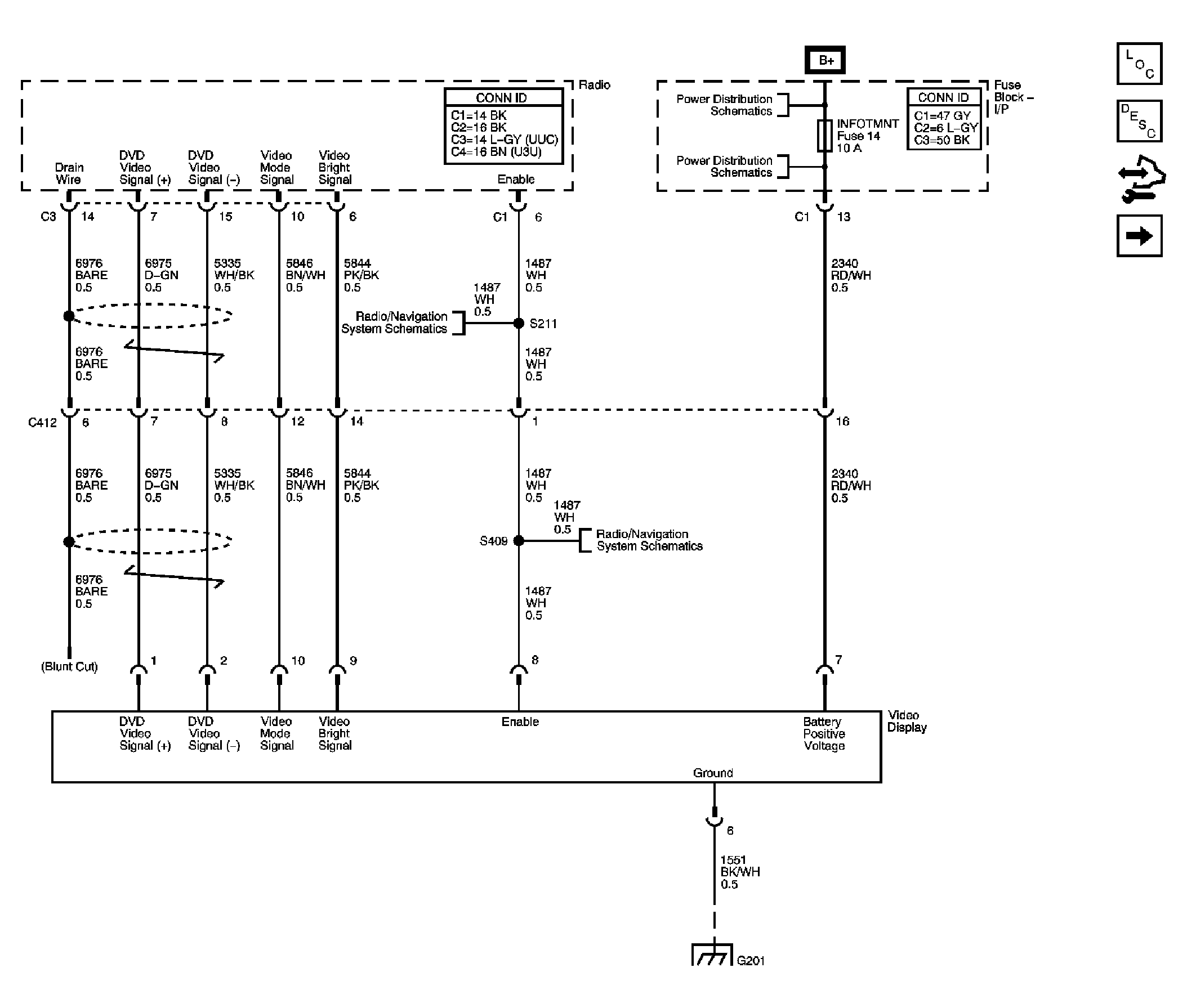
Fig 1: Power, Ground, and Video Signals
GM1923642Courtesy of GENERAL MOTORS CORP.
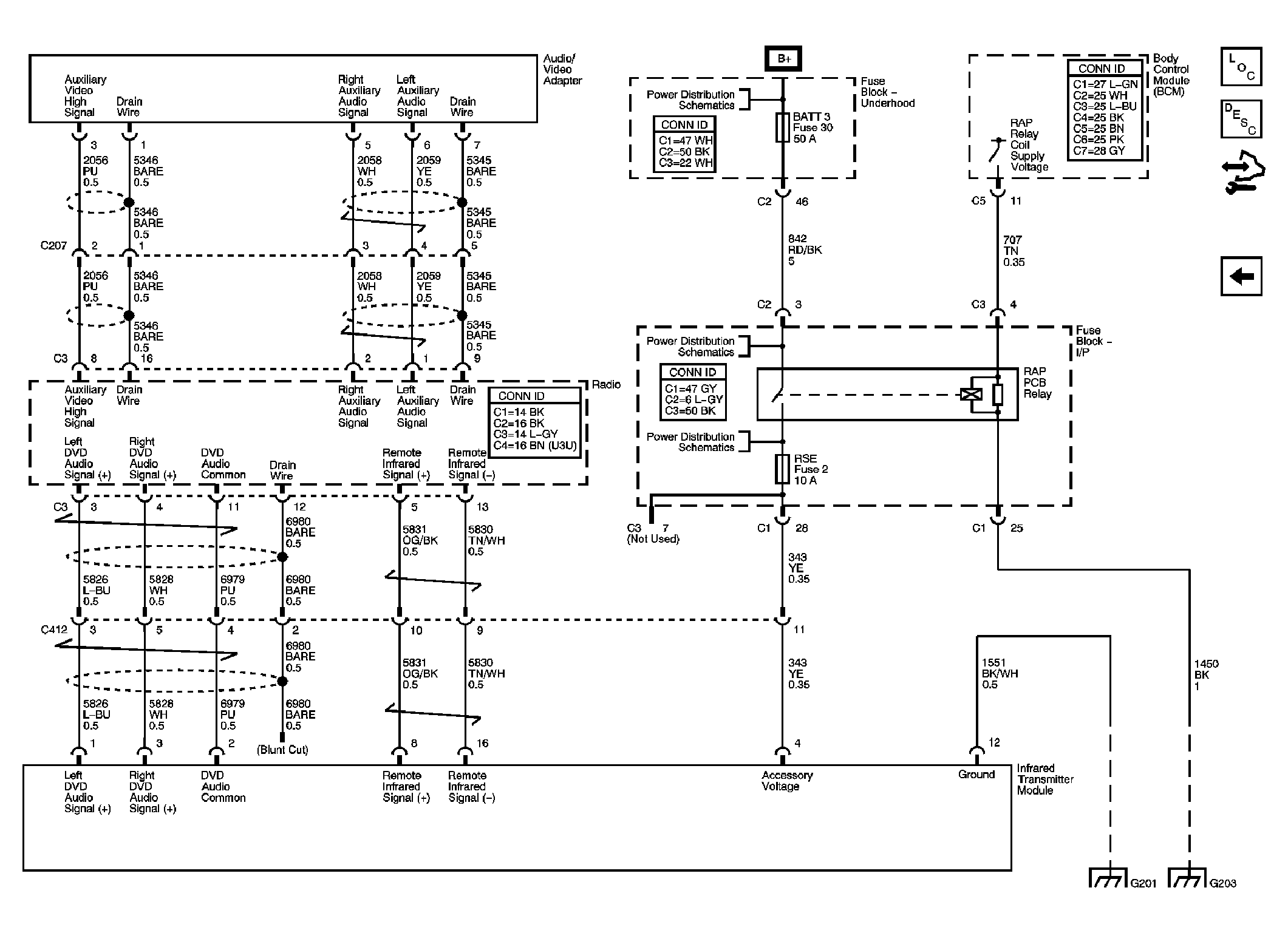
Fig 2: Audio Signals
GM1923645Courtesy of GENERAL MOTORS CORP.