LEMON Manuals: Even more car manuals for everyone
Home >> Pontiac >> 2007 >> Torrent AWD >> Repair and Diagnosis (Single Page) >> Accessories & Equipment >> Anti-Theft Systems >> Keyless Entry System And Remote Functions >> Schematic and Routing Diagrams >> Remote Function Schematics

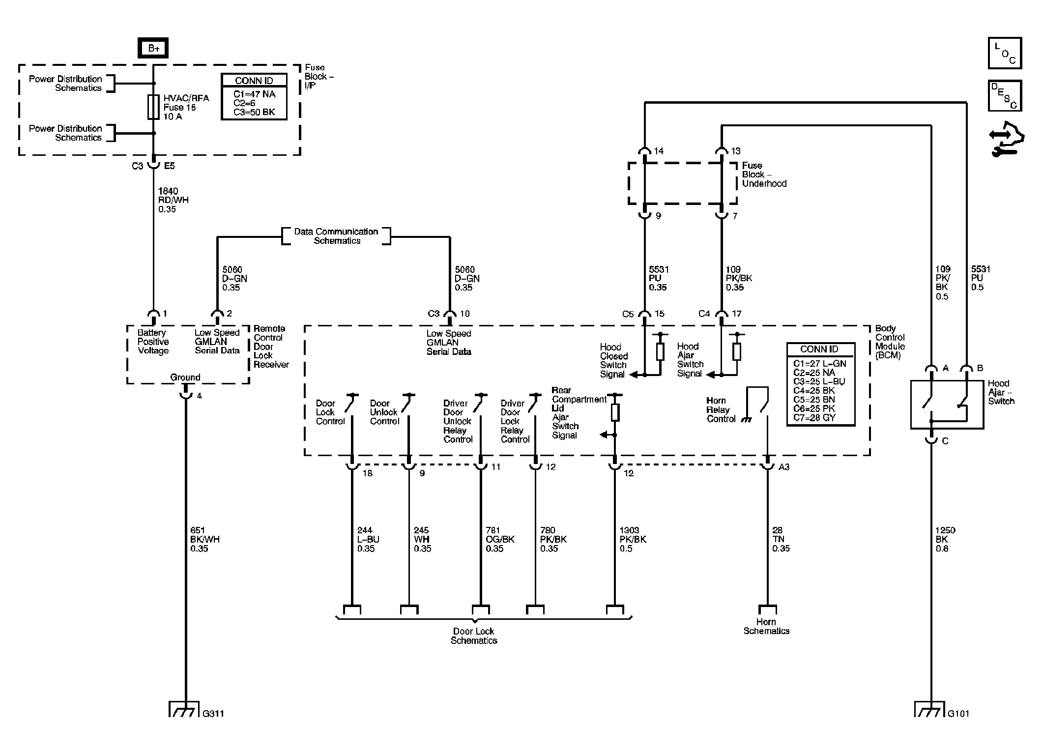
Remote Function Schematics

Fig 1: Remote Function Schematic
GM1791639Courtesy of GENERAL MOTORS CORP.