LEMON Manuals: Even more car manuals for everyone
Home >> Pontiac >> 2007 >> Solstice Base, Standard >> Repair and Diagnosis >> External Pages >> Different car >> Section 51 (Engine Control System & Fuel System - 2.4L - Introduction (2 Of 2)) >> Schematic and Routing Diagrams >> Engine Controls Schematics

Engine Controls Schematics

WARNING: This page is about a different car, the 2008 Pontiac G5 and 2008 Chevrolet Cobalt. However, it is still accessible from the selected car via links, so may be relevant.
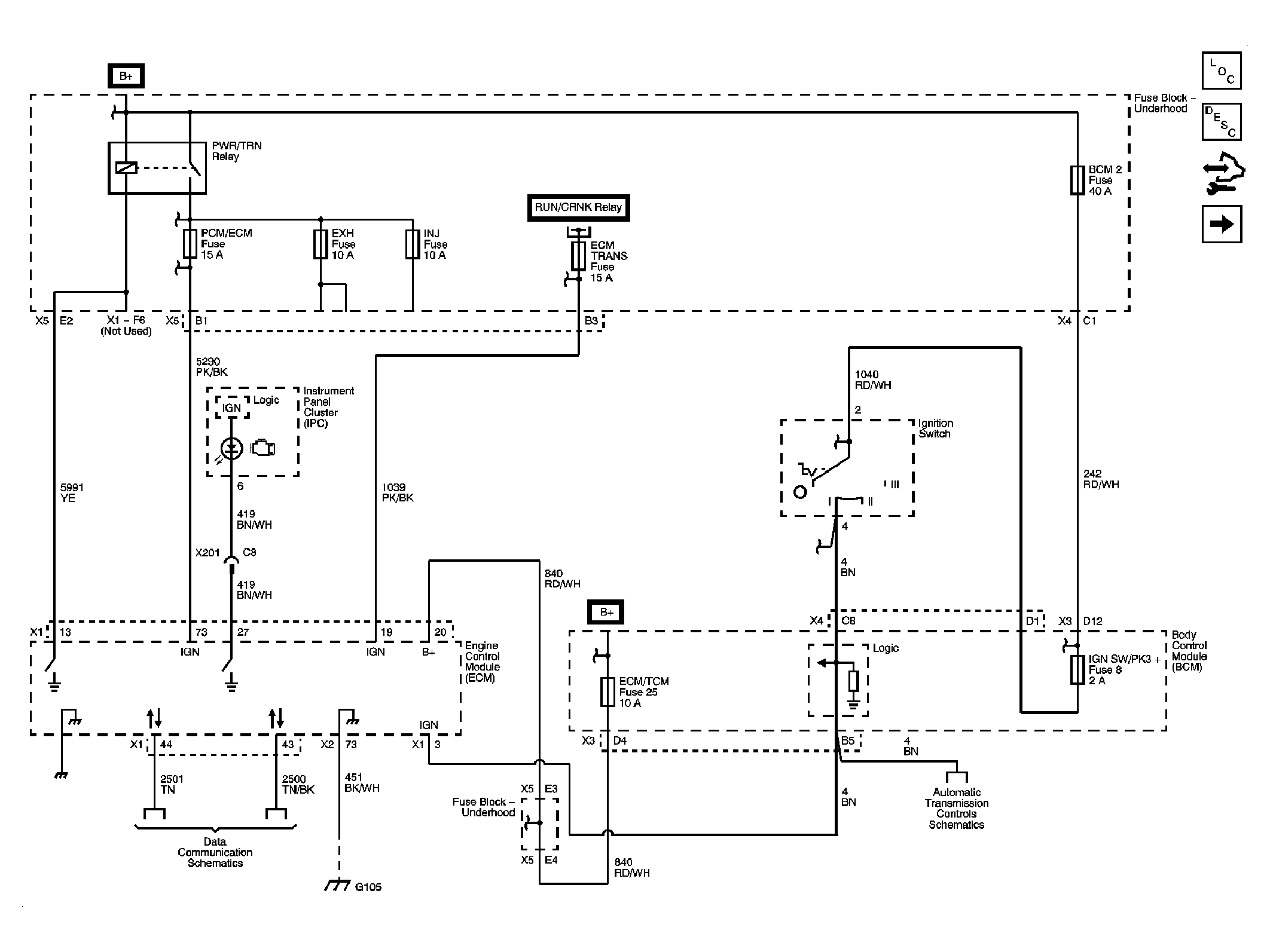
Fig 1: Power, Ground, MIL, Communication Schematic
GM1963365Courtesy of GENERAL MOTORS CORP.
Fig 2: 5-Volt and Low Reference Bussing Schematic
GM1963367Courtesy of GENERAL MOTORS CORP.
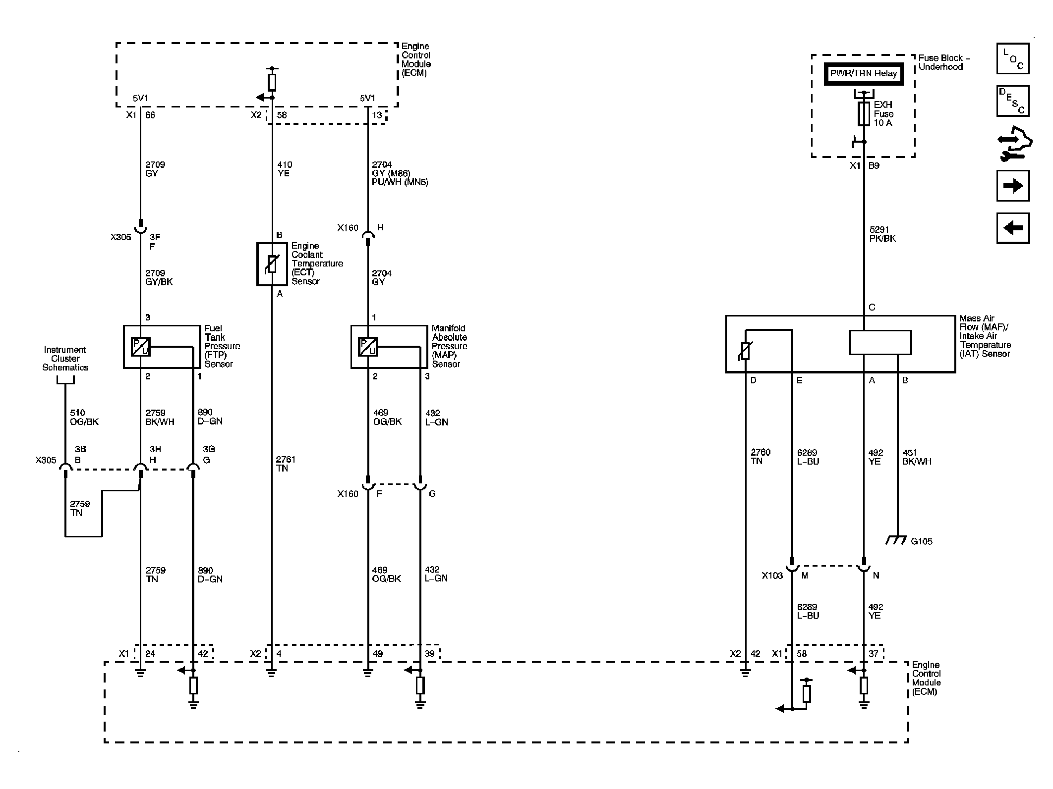
Fig 3: Engine Data Sensors - Pressure, Temperature, MAF, VSS Schematic
GM1963369Courtesy of GENERAL MOTORS CORP.
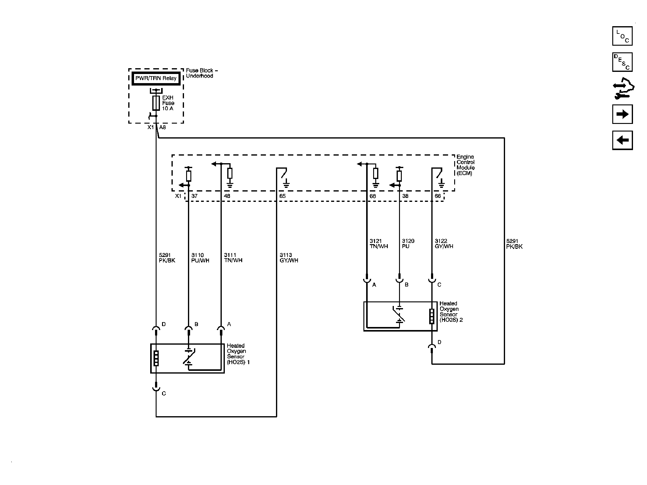
Fig 4: Engine Data Sensors - HO2S Schematic
GM1963371Courtesy of GENERAL MOTORS CORP.
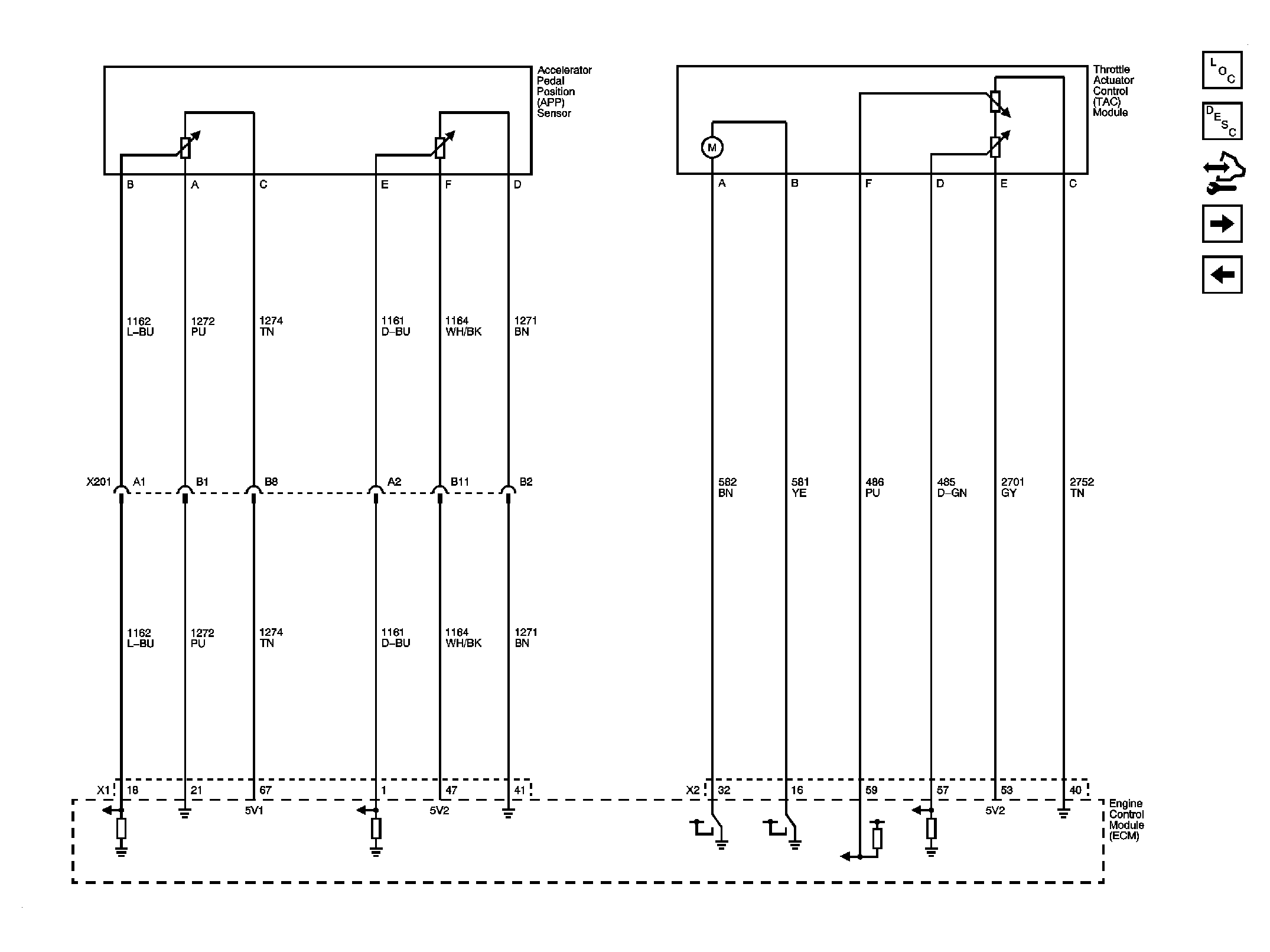
Fig 5: Engine Data Sensors - Throttle Controls Schematic
GM1963373Courtesy of GENERAL MOTORS CORP.
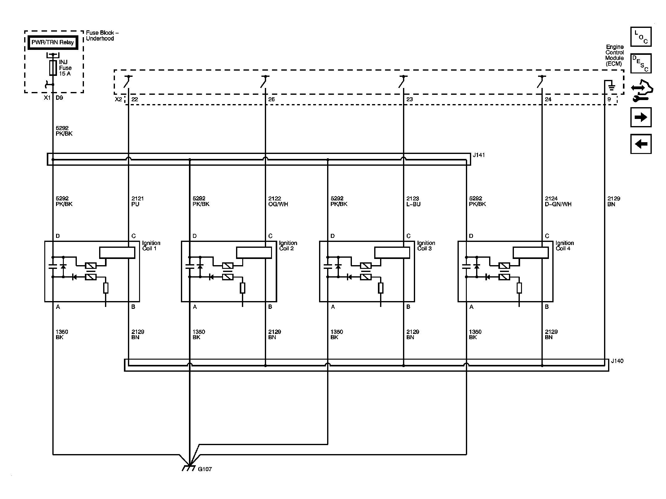
Fig 6: Ignition Controls - Ignition System Schematic
GM1963375Courtesy of GENERAL MOTORS CORP.
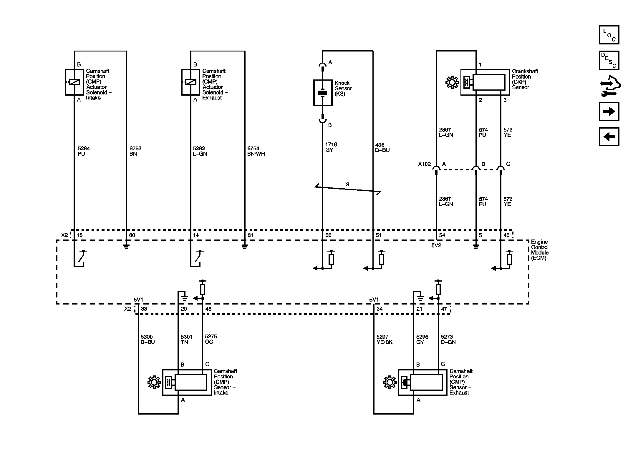
Fig 7: Ignition Controls - Ignition Sensors Schematic
GM1963377Courtesy of GENERAL MOTORS CORP.
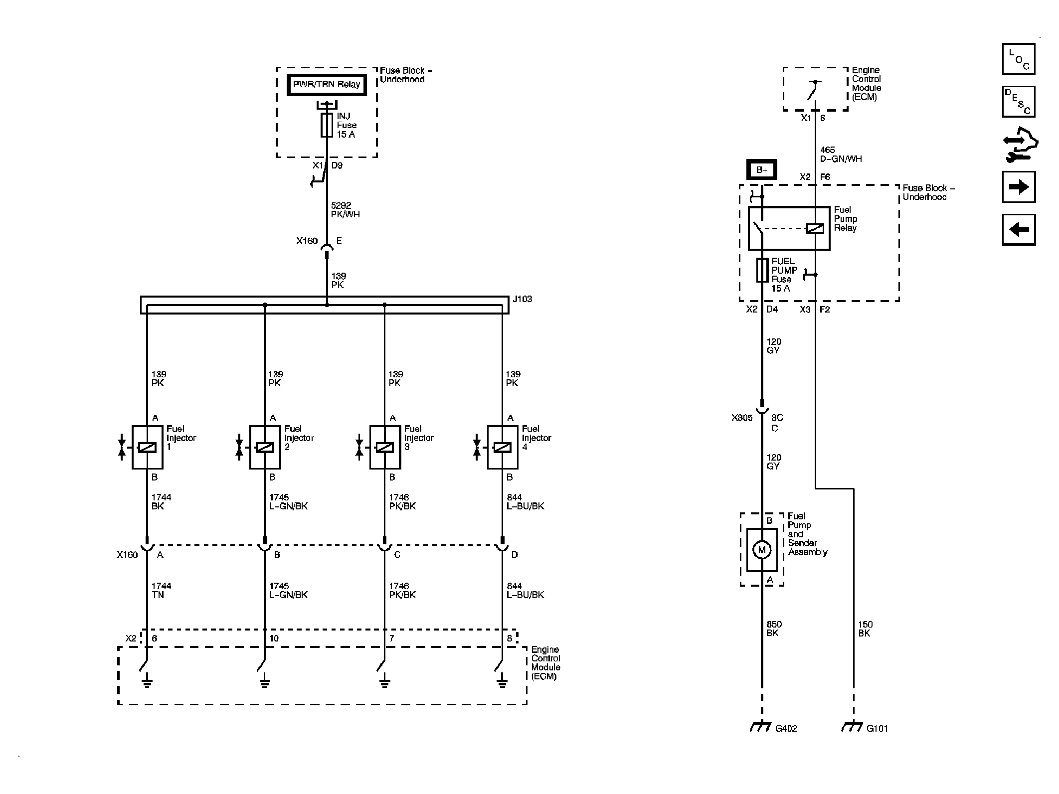
Fig 8: Fuel Controls Schematic
GM1963379Courtesy of GENERAL MOTORS CORP.
Fig 9: EVAP Controls Schematic
GM1963381Courtesy of GENERAL MOTORS CORP.
Fig 10: Controlled/Monitored Subsystem References Schematic
GM1963383Courtesy of GENERAL MOTORS CORP.