LEMON Manuals: Even more car manuals for everyone
Home >> Pontiac >> 2007 >> Solstice Base, Standard >> Repair and Diagnosis >> External Pages >> Different car >> Section 177 (Cellular Systems, Entertainment Systems & Navigation Systems) >> Repair Instructions >> Radio Replacement

Radio Replacement

WARNING: This page is about a different car, the 2010 Pontiac G5 and 2010 Chevrolet Cobalt. However, it is still accessible from the selected car via links, so may be relevant.
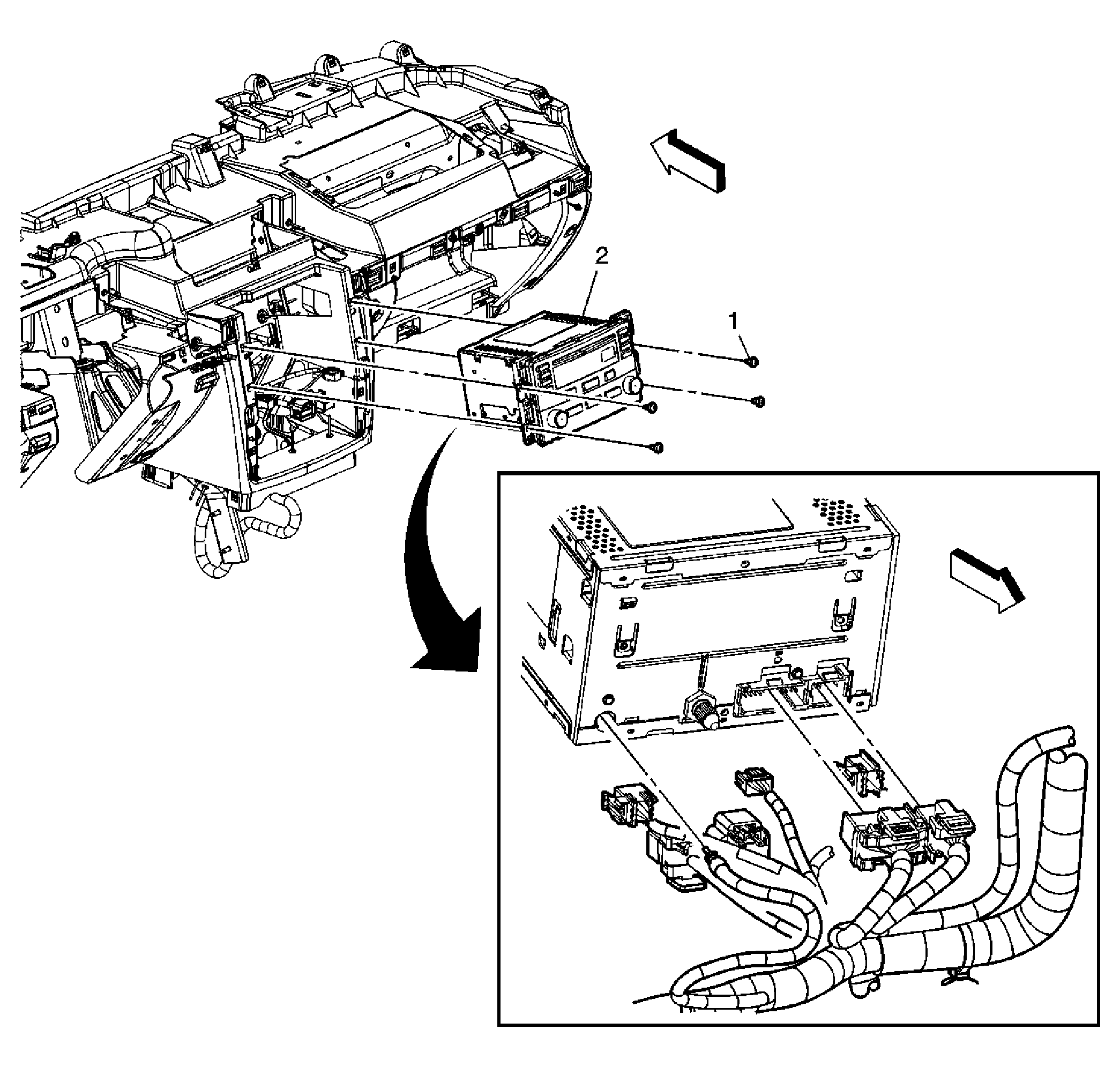
Fig 1: View Of Radio
GM1545956Courtesy of GENERAL MOTORS CORP.
Callout Component Name

Preliminary Procedures

  1. Remove the center instrument trim panel. Refer to Instrument Panel Center Trim Panel Replacement .
  2. Remove the HVAC controls.
1 Radio Screw (Qty: 4)
CAUTION: Refer to Fastener Caution .

Tighten:  2 N.m (18 lb in)

2 Radio

Procedure

  1. Disconnect the electrical and antenna connectors.
  2. Reprogram the radio. Refer to Control Module References .

Tip:  The HVAC control connector-1 and the radio connector-2 can be interchanged. Mark or place tape on the connector to avoid accidental interchange.