LEMON Manuals: Even more car manuals for everyone
Home >> Pontiac >> 2007 >> Solstice Base, Standard >> Repair and Diagnosis >> External Pages >> Different car >> Section 106 (Multiplex Integrated Control System) >> Circuit Diagram

Circuit Diagram

WARNING: This page is about a different car, the 2011 Honda Insight and 2010 Honda Insight. However, it is still accessible from the selected car via links, so may be relevant.
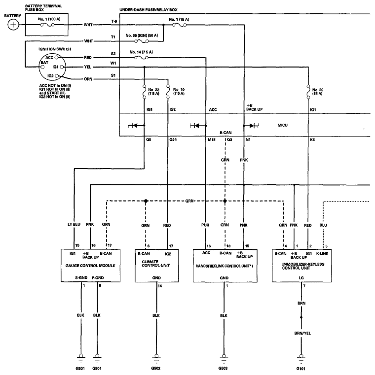
Fig 1: Multiplex Integrated Control System Circuit Diagram (1 Of 2)
G06431503Courtesy of AMERICAN HONDA MOTOR CO., INC.
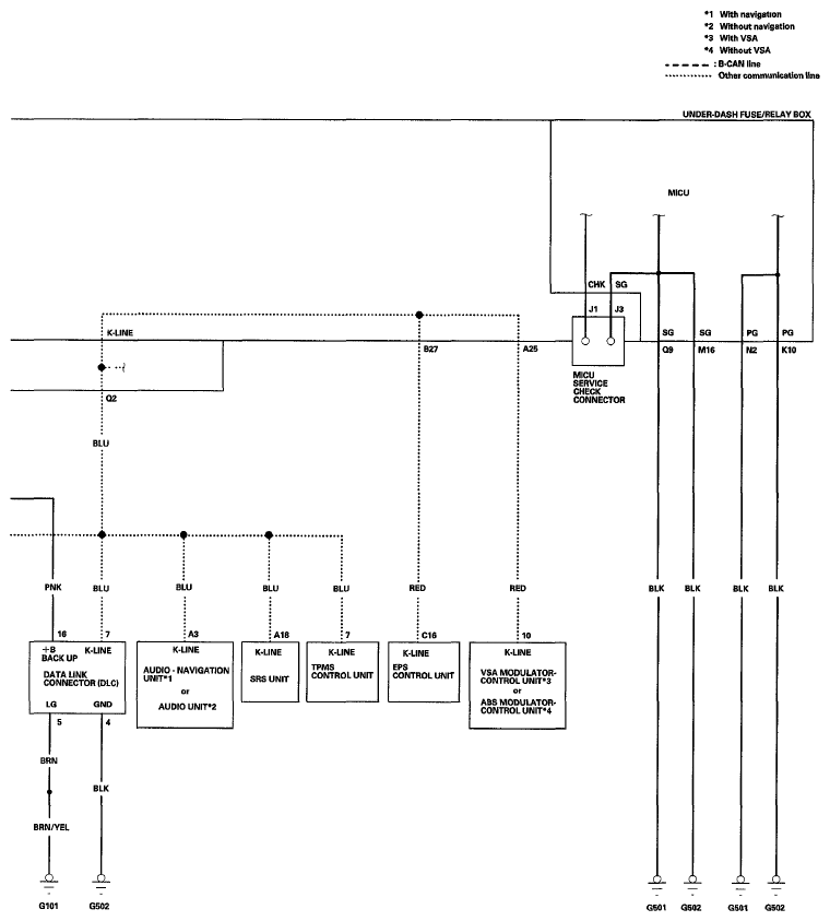
Fig 2: Multiplex Integrated Control System Circuit Diagram (2 Of 2)
G06431504Courtesy of AMERICAN HONDA MOTOR CO., INC.