LEMON Manuals: Even more car manuals for everyone
Home >> Pontiac >> 2007 >> Solstice Base, Automatic >> Repair and Diagnosis >> External Pages >> Different car >> Section 49 (Data Communication System) >> Schematic and Routing Diagrams >> Data Communication Schematics

Data Communication Schematics

WARNING: This page is about a different car, the 2008 Pontiac G5 and 2008 Chevrolet Cobalt. However, it is still accessible from the selected car via links, so may be relevant.
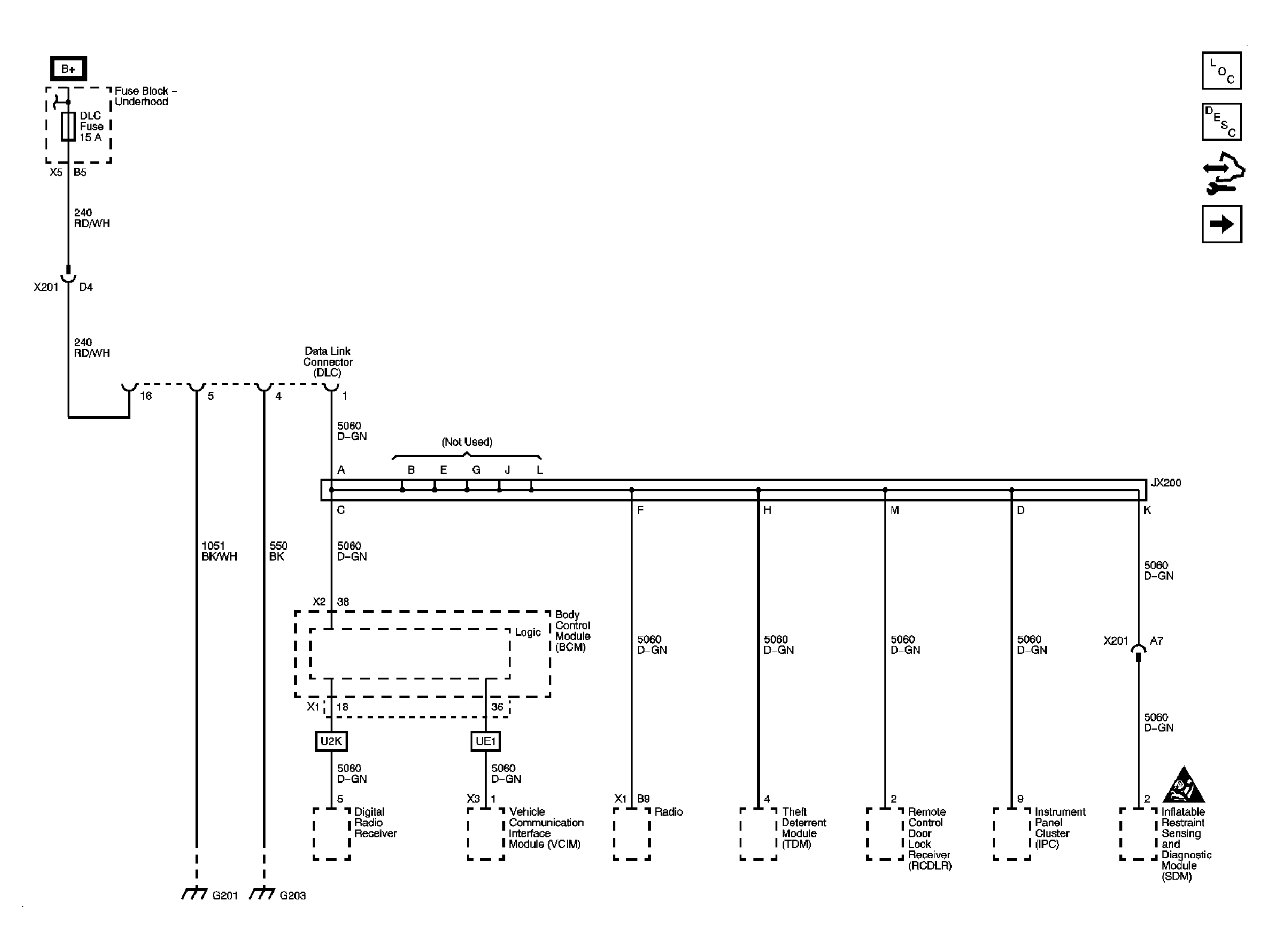
Fig 1: Power, Ground, Low Speed GMLAN Schematic
GM1963518Courtesy of GENERAL MOTORS CORP.
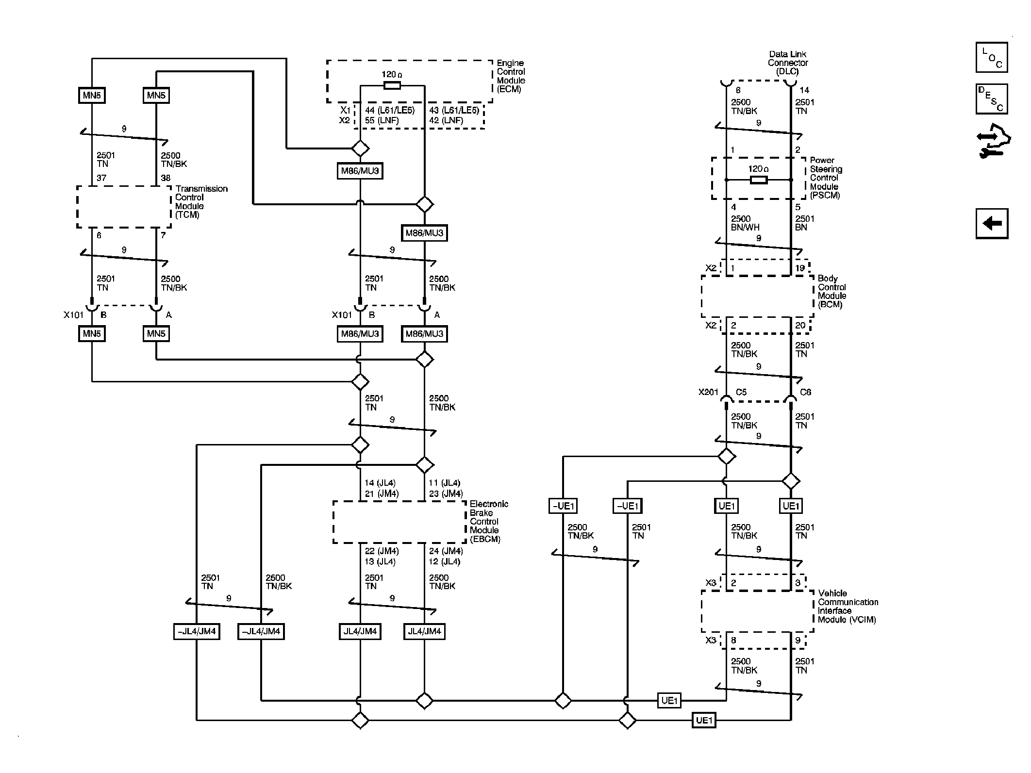
Fig 2: High Speed GMLAN Schematic
GM1963522Courtesy of GENERAL MOTORS CORP.