LEMON Manuals: Even more car manuals for everyone
Home >> Pontiac >> 2007 >> Grand Prix Base >> Repair and Diagnosis >> External Pages >> Different car >> Section 43 (Antilock Brake System, Traction Control System & Stability Control System) >> Schematic and Routing Diagrams >> Antilock Brake System Schematics

Antilock Brake System Schematics

WARNING: This page is about a different car, the 2007 Buick LaCrosse and 2007 Buick Allure. However, it is still accessible from the selected car via links, so may be relevant.
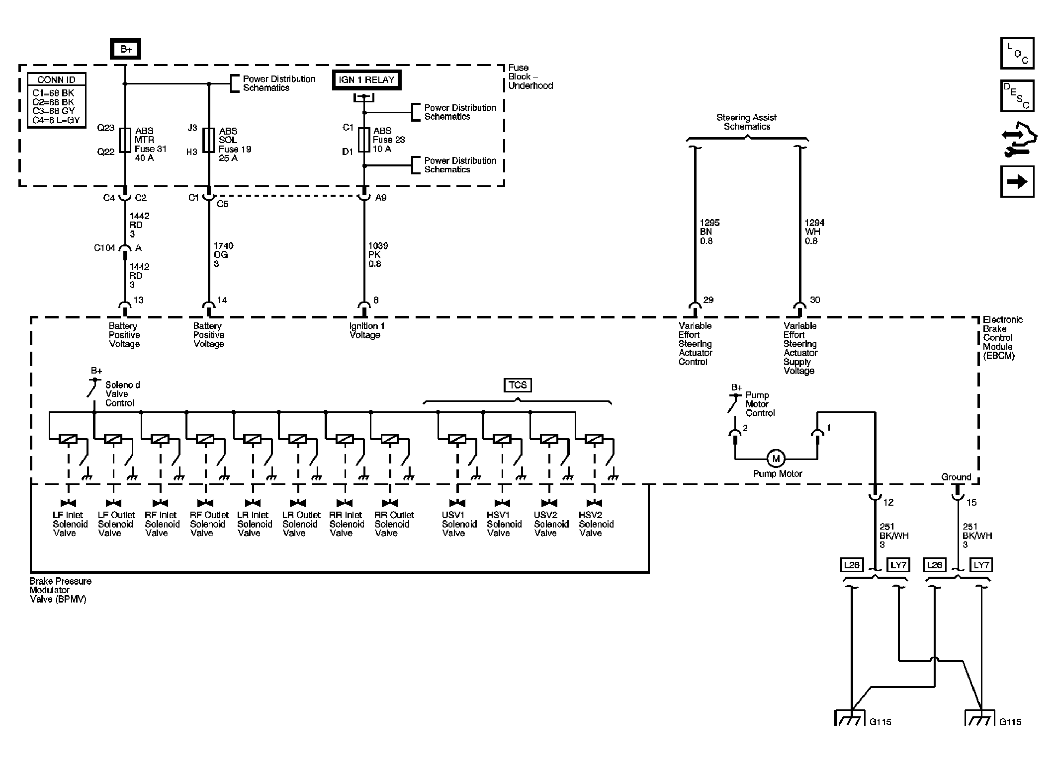
Fig 1: Power, Ground, and Brake Pressure Modulator Valves Schematic
GM1801653Courtesy of GENERAL MOTORS CORP.
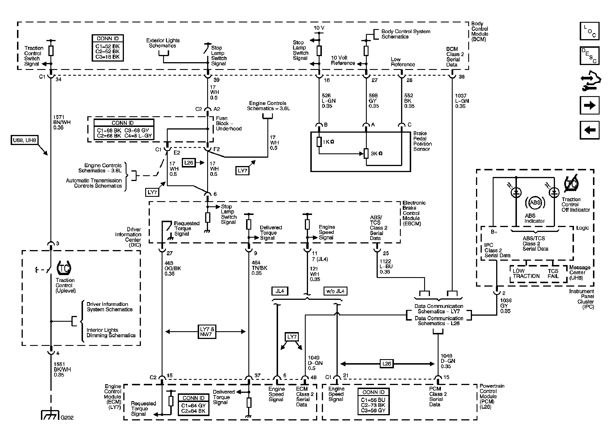
Fig 2: Indicators, Stop Lamp, Traction Controls, and Serial Data Schematic
GM1801669Courtesy of GENERAL MOTORS CORP.
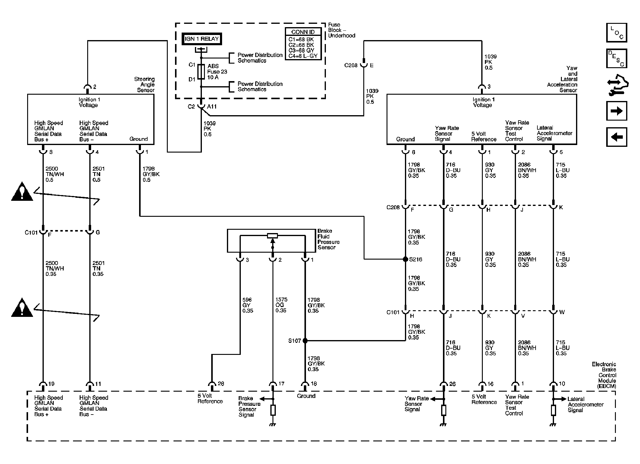
Fig 3: Active Brake and Stability Controls Schematic (JL4)
GM1801672Courtesy of GENERAL MOTORS CORP.
Fig 4: Wheel Speed Sensors Schematic
GM1801676Courtesy of GENERAL MOTORS CORP.