LEMON Manuals: Even more car manuals for everyone
Home >> Pontiac >> 2006 >> GTO Automatic >> Repair and Diagnosis >> Transmission >> Automatic Trans >> Shift Lock Control System >> Schematic and Routing Diagrams >> Shift Lock Control Schematics

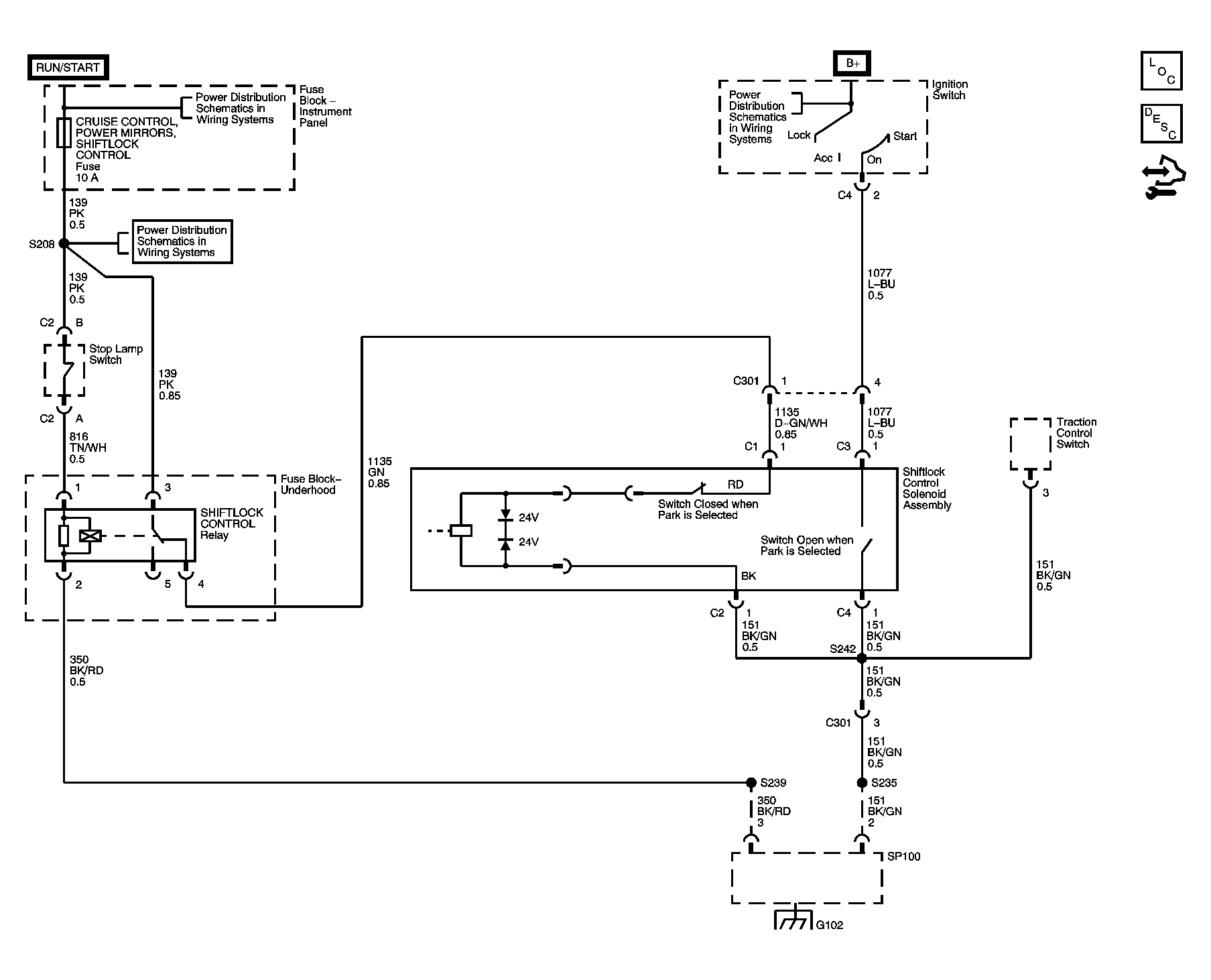
Shift Lock Control Schematics

Fig 1: Shift Lock Control Schematic
GM1519366Courtesy of GENERAL MOTORS CORP.