LEMON Manuals: Even more car manuals for everyone
Home >> Pontiac >> 2005 >> G6 Base >> Repair and Diagnosis >> External Pages >> Different car >> Section 584 (Cellular System, Entertainment System, And Navigation System) >> Schematic and Routing Diagrams >> OnStar Schematics

OnStar Schematics

WARNING: This page is about a different car, the 2007 Buick Lucerne. However, it is still accessible from the selected car via links, so may be relevant.
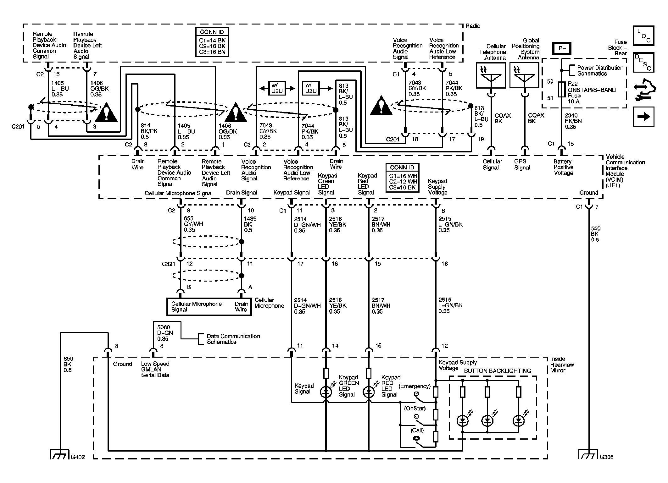
Fig 1: OnStar - UE1
GM1794989Courtesy of GENERAL MOTORS CORP.
Fig 2: Data Link Communication
GM1794997Courtesy of GENERAL MOTORS CORP.