LEMON Manuals: Even more car manuals for everyone
Home >> Pontiac >> 2005 >> Aztek Base, AWD >> Repair and Diagnosis >> External Pages >> Different car >> Section 91 (Antilock Brake System, Traction Control System & Stability Control System) >> Schematic and Routing Diagrams >> ABS Schematics

ABS Schematics

WARNING: This page is about a different car, the 2004 Pontiac Grand Prix. However, it is still accessible from the selected car via links, so may be relevant.
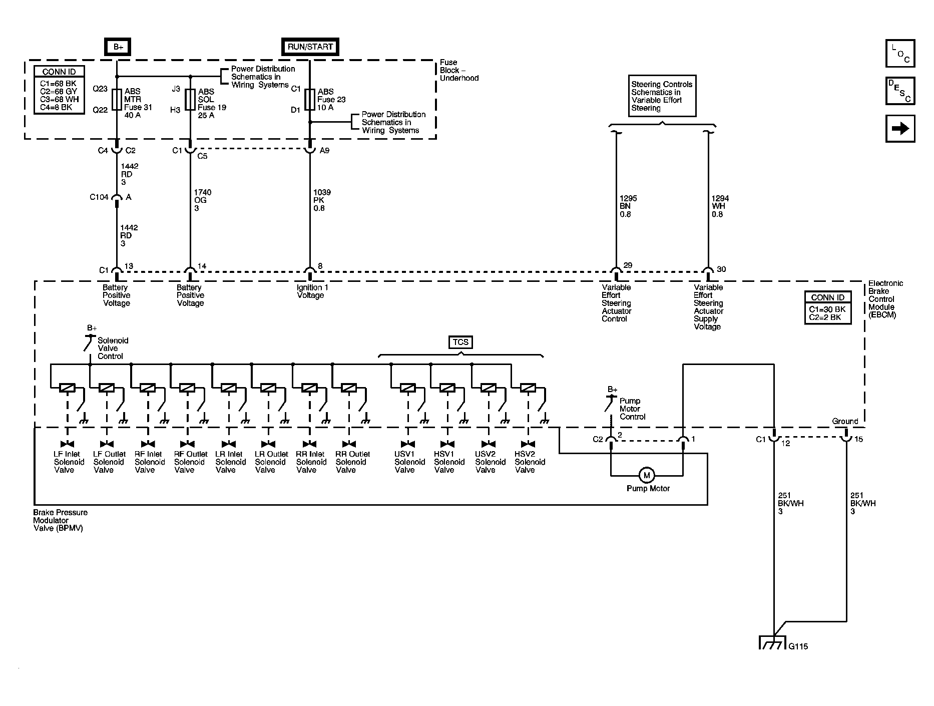
Fig 1: Power, Ground and Brake Pressure Modulator Valves
GM1198189Courtesy of GENERAL MOTORS CORP.
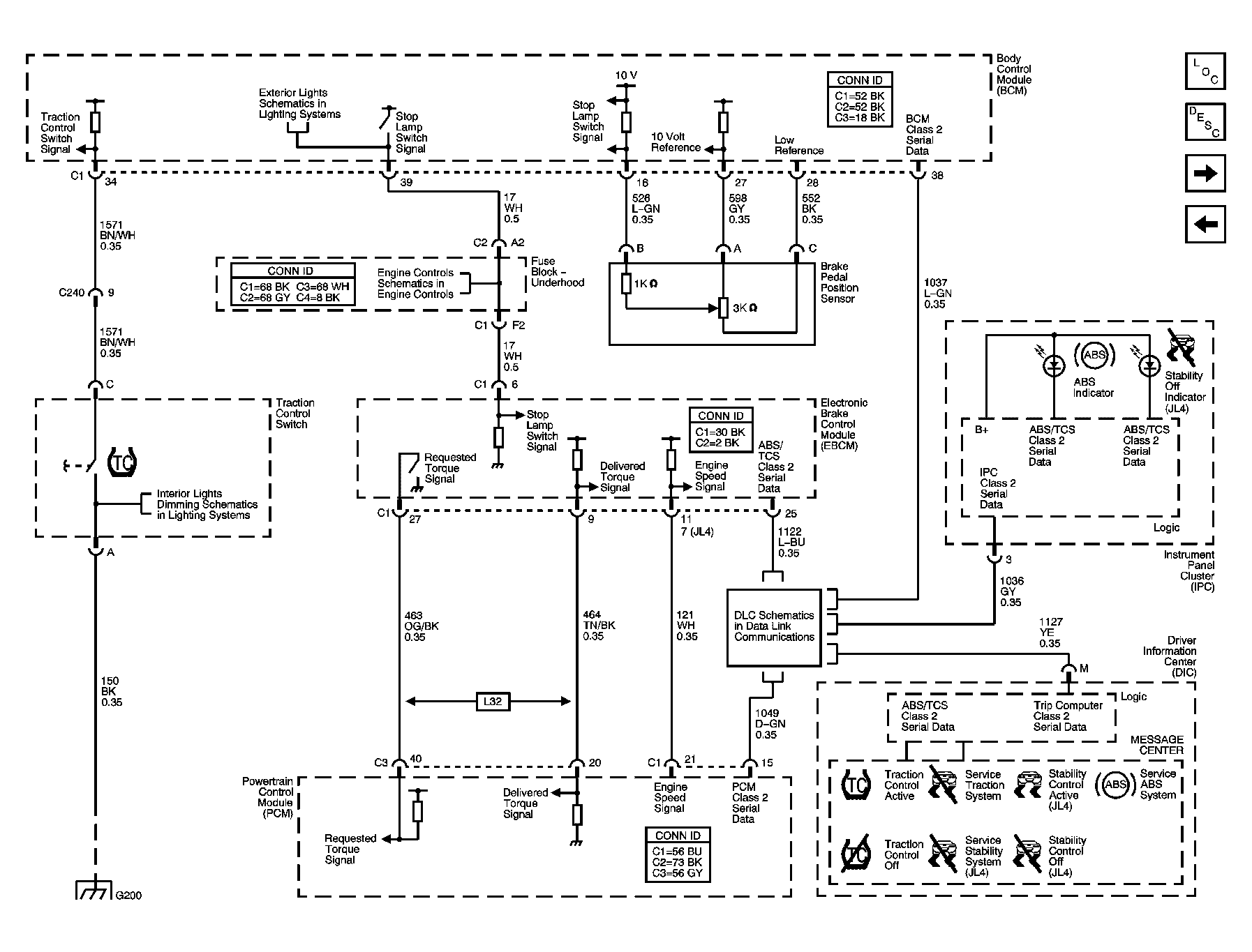
Fig 2: Indicators, ABS, Stability and Traction Controls
GM1198191Courtesy of GENERAL MOTORS CORP.
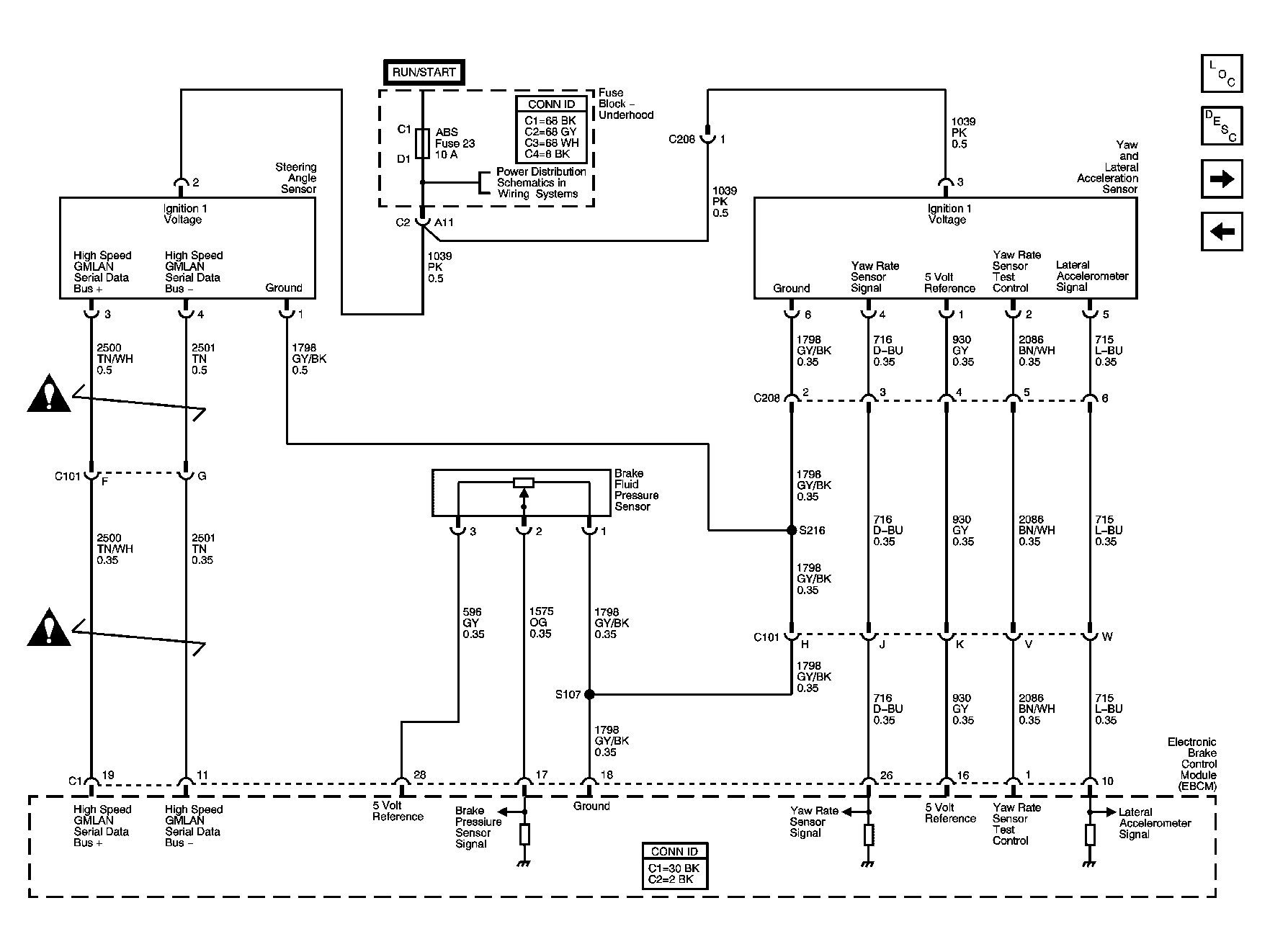
Fig 3: Stability Control Sensors (JL4)
GM1198194Courtesy of GENERAL MOTORS CORP.
Fig 4: Wheel Speed Sensors
GM1198195Courtesy of GENERAL MOTORS CORP.