LEMON Manuals: Even more car manuals for everyone
Home >> Pontiac >> 2005 >> Aztek Base, AWD >> Repair and Diagnosis >> External Pages >> Different car >> Section 2 (Data Link Communication System) >> Schematic and Routing Diagrams >> Data Link Connector (DLC) Schematics

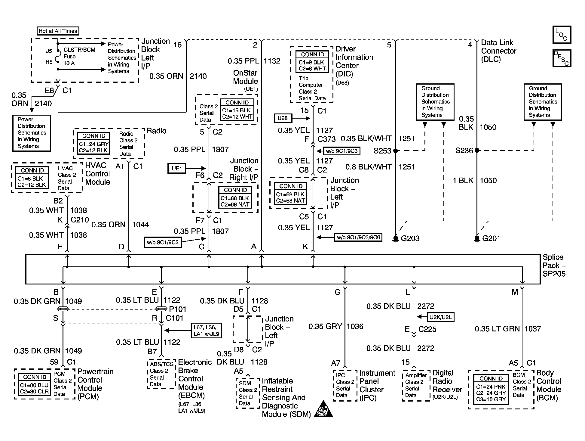
Data Link Connector (DLC) Schematics

WARNING: This page is about a different car, the 2004 Chevrolet Monte Carlo and 2004 Chevrolet Impala. However, it is still accessible from the selected car via links, so may be relevant.
Fig 1: Data Link Connector (DLC) Schematic
GM1315305Courtesy of GENERAL MOTORS CORP.