LEMON Manuals: Even more car manuals for everyone
Home >> Pontiac >> 2005 >> Aztek Base, AWD >> Repair and Diagnosis >> External Pages >> Different car >> Section 15 (Antilock Brake System And Traction Control System) >> Schematic and Routing Diagrams >> ABS Schematics

ABS Schematics

WARNING: This page is about a different car, the 2004 Chevrolet Monte Carlo and 2004 Chevrolet Impala. However, it is still accessible from the selected car via links, so may be relevant.
Fig 1: Data Link, Ground, MIL, and Power Schematic (JL9)
GM873280Courtesy of GENERAL MOTORS CORP.
Fig 2: Wheel Speed Sensors Schematic
GM695486Courtesy of GENERAL MOTORS CORP.
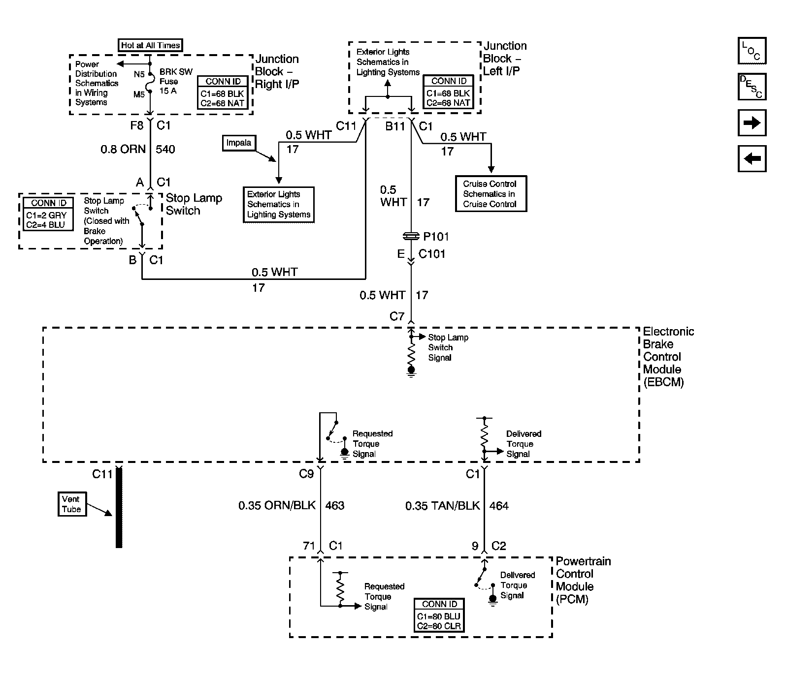
Fig 3: PCM and Stop Lamps Switch Schematic
GM695489Courtesy of GENERAL MOTORS CORP.
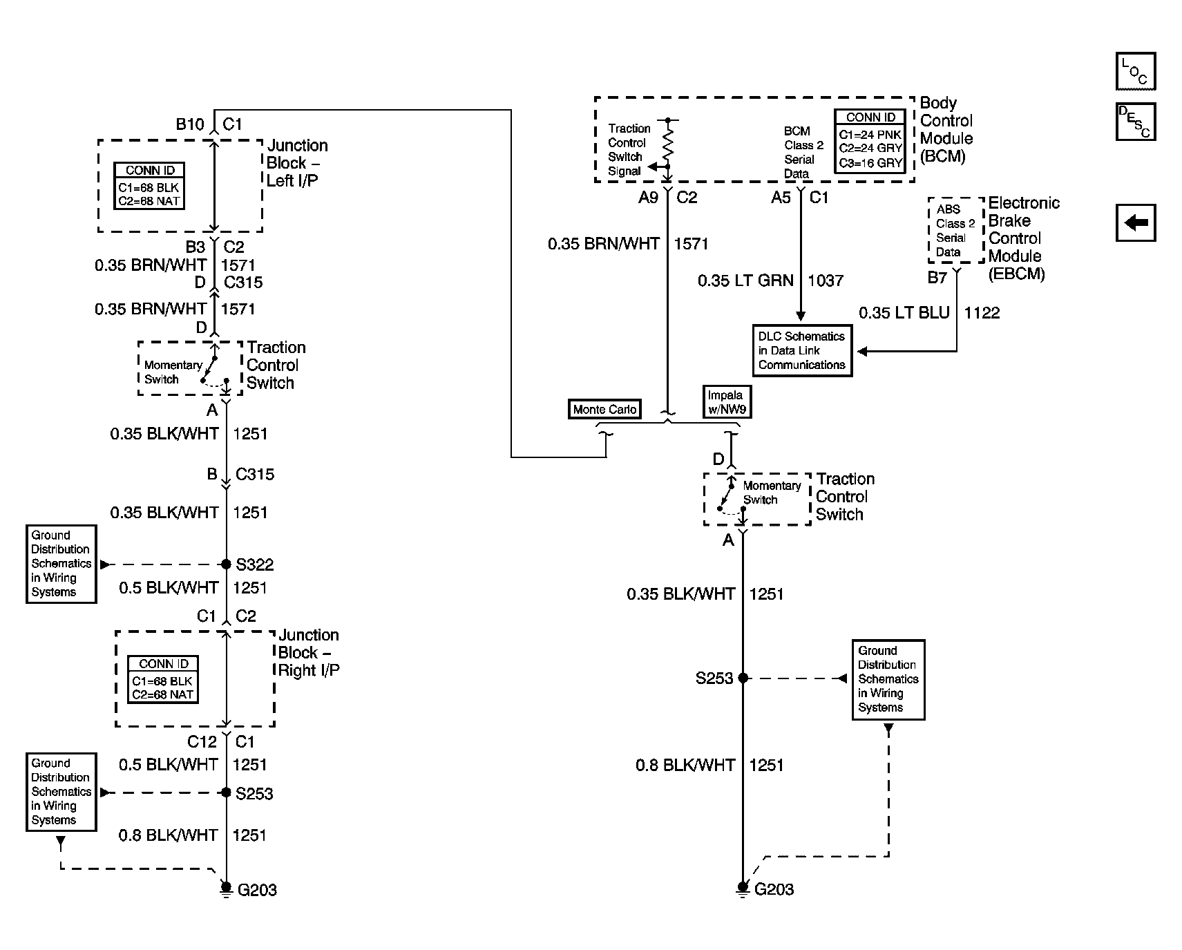
Fig 4: Traction Control Switch Schematic
GM695491Courtesy of GENERAL MOTORS CORP.