LEMON Manuals: Even more car manuals for everyone
Home >> Pontiac >> 2004 >> Vibe Base, AWD >> Repair and Diagnosis >> Transmission >> Automatic Trans >> Shift Interlock System >> Schematic and Routing Diagrams >> Automatic Transmission Shift Lock Control Schematics

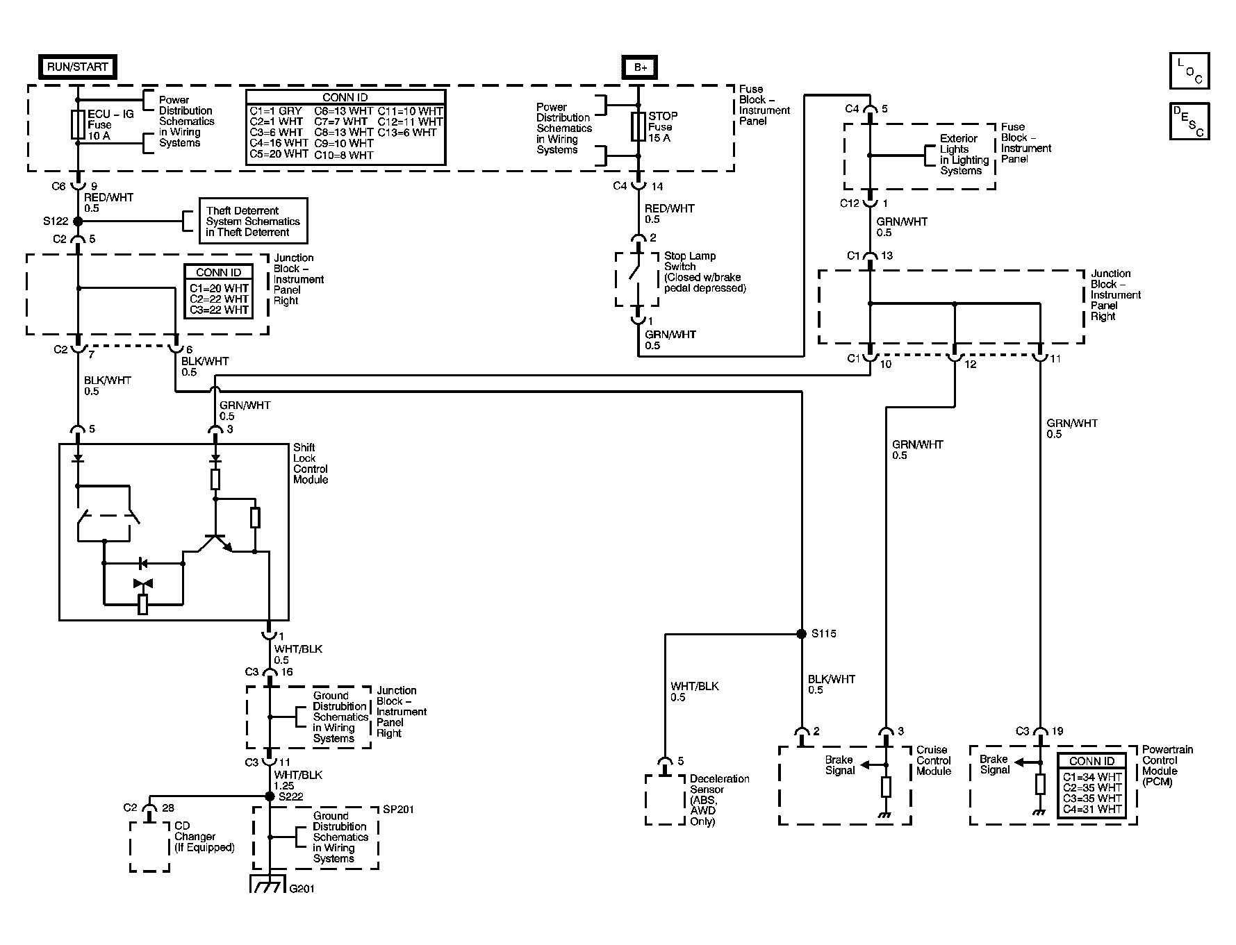
Automatic Transmission Shift Lock Control Schematics

Fig 1: Automatic Transmission Shift Lock Control Schematic
GM785565Courtesy of GENERAL MOTORS CORP.