LEMON Manuals: Even more car manuals for everyone
Home >> Pontiac >> 2004 >> Vibe Base, AWD >> Repair and Diagnosis >> External Pages >> Different car >> Section 20 (Wiring Systems - Specifications, Component Views And Connector End Views) >> Schematic and Routing Diagrams >> Power Distribution Schematics

Power Distribution Schematics

WARNING: This page is about a different car, the 2004 Pontiac Sunfire and 2004 Chevrolet Cavalier. However, it is still accessible from the selected car via links, so may be relevant.
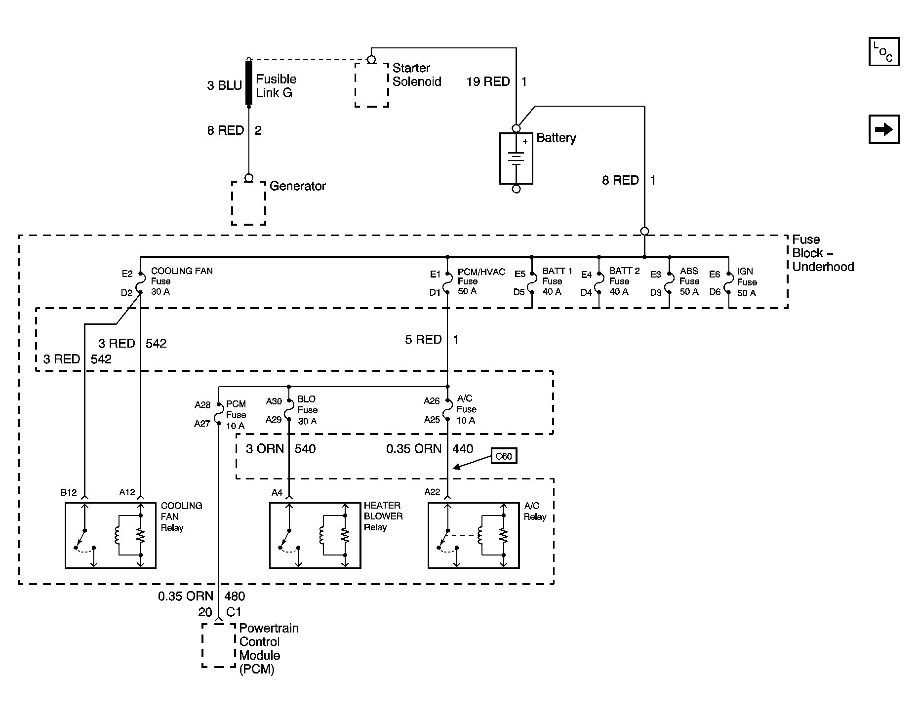
Fig 1: Fuse Block Schematic - Underhood B+ BAR
GM885683Courtesy of GENERAL MOTORS CORP.
Fig 2: Fuse Block Schematic - Underhood BATT 1 FUSE; Fuse Block - I/P MIR/DLC, RT HDLP, FLS/PASS, RDO/INTLP, RFA/BATT, AMPL Fuses
GM885675Courtesy of GENERAL MOTORS CORP.
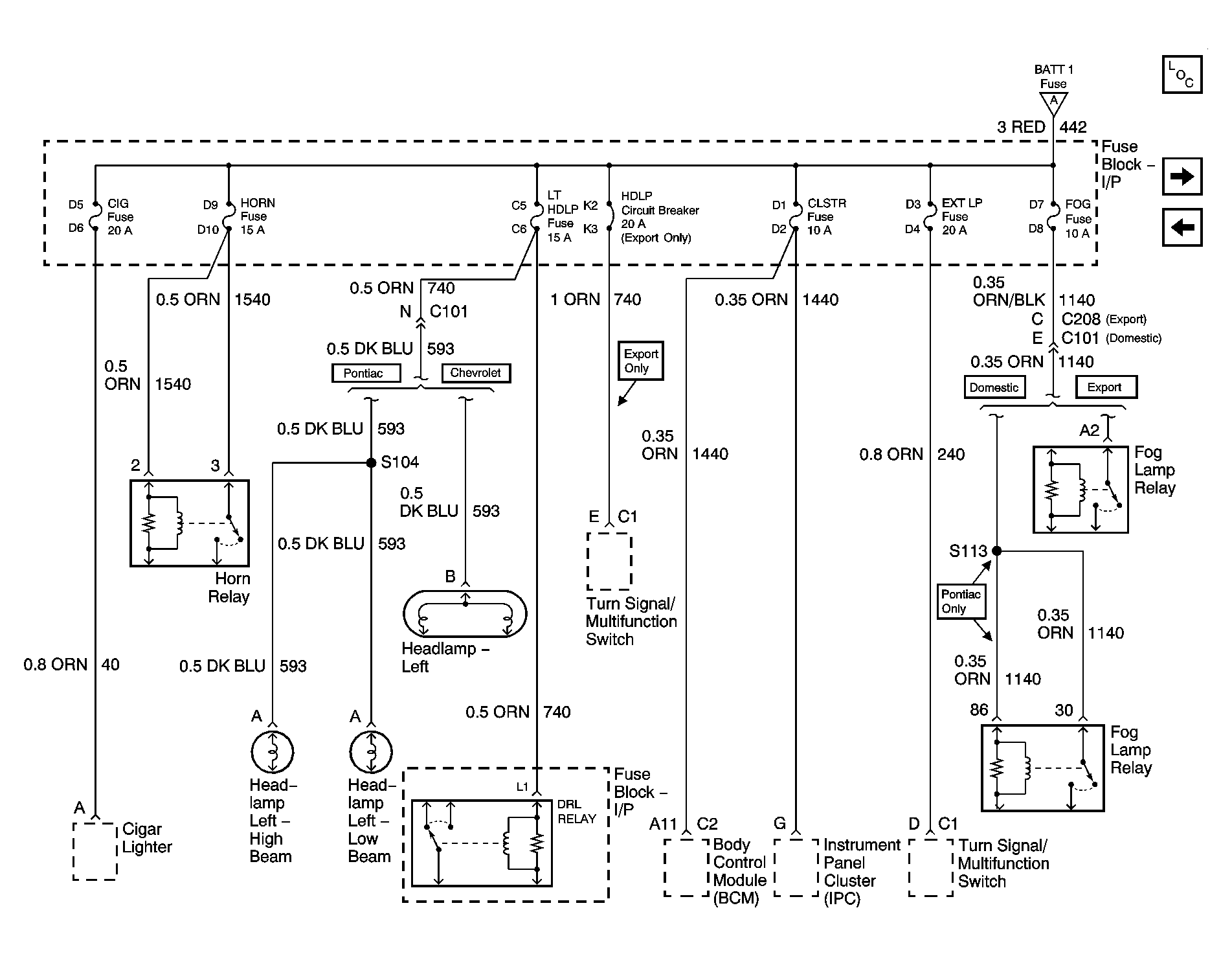
Fig 3: Fuse Block Schematic - I/P CIG, Horn, LT HDLP, CLUSTR, EXT LP, FOG Fuses And HDLP Circuit Breaker
GM885684Courtesy of GENERAL MOTORS CORP.
Fig 4: Fuse Block Schematic - Underhood BATT 2, Fuse Block - I/P RR DEFOG, PWR ACC, APO, STOP/HZD, Fuses
GM885685Courtesy of GENERAL MOTORS CORP.
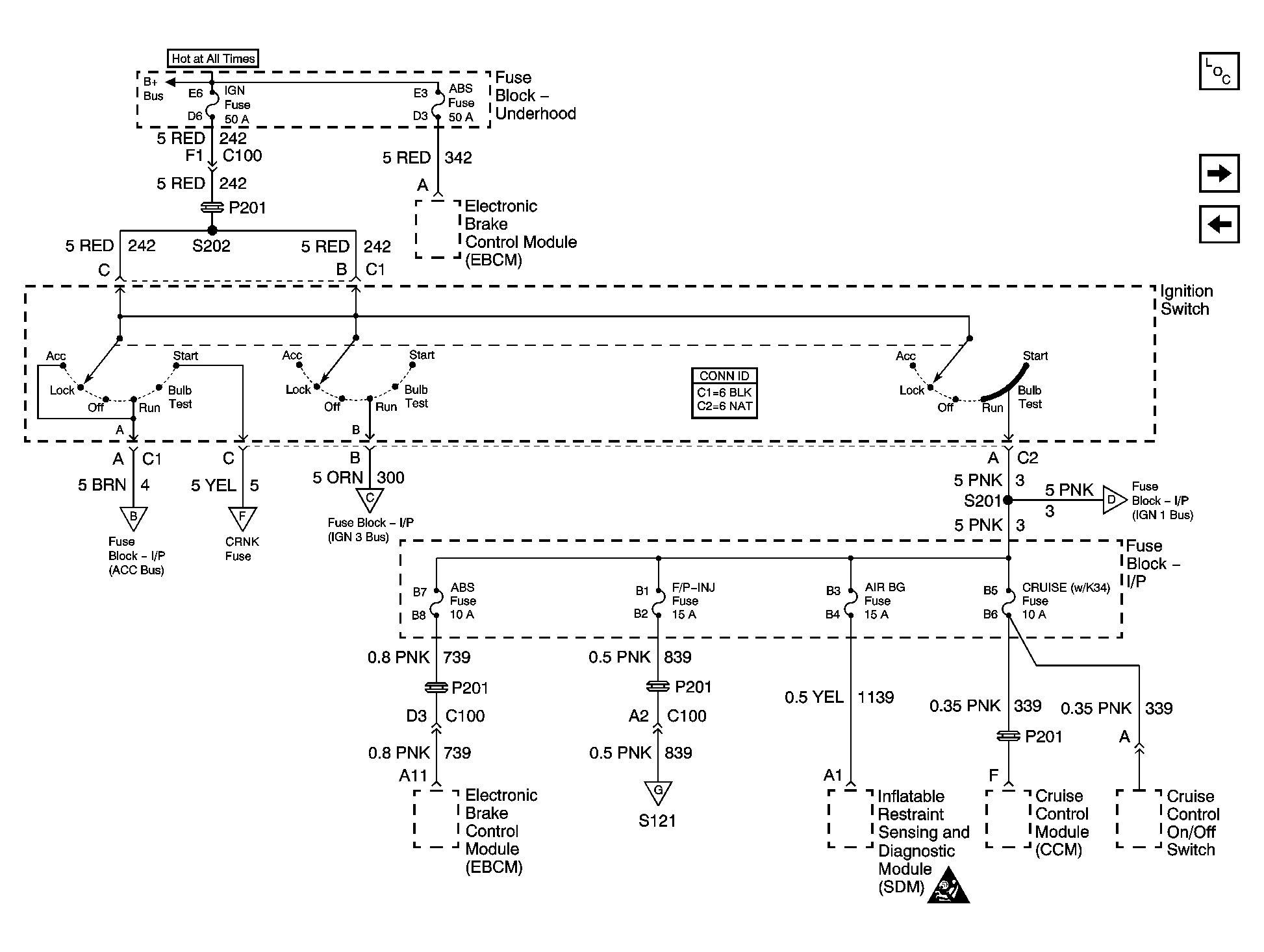
Fig 5: Fuse Block Schematic - Underhood IGN, ABS, Fuse Block - I/P ABS, F/P-INJ, AIR BG, CRUISE Fuses
GM885686Courtesy of GENERAL MOTORS CORP.
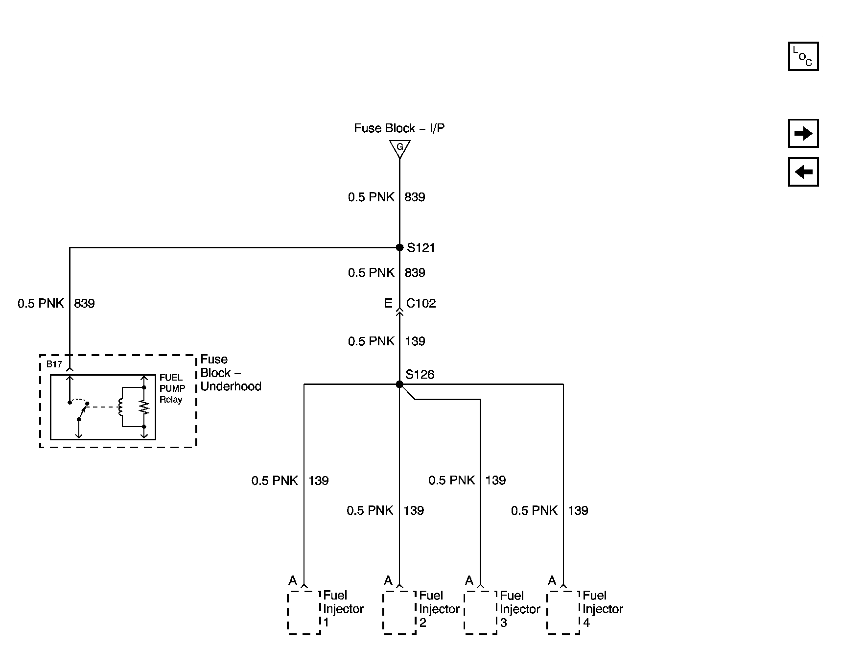
Fig 6: Fuse Block Schematic - I/P F/P-INJ Fuses
GM885687Courtesy of GENERAL MOTORS CORP.
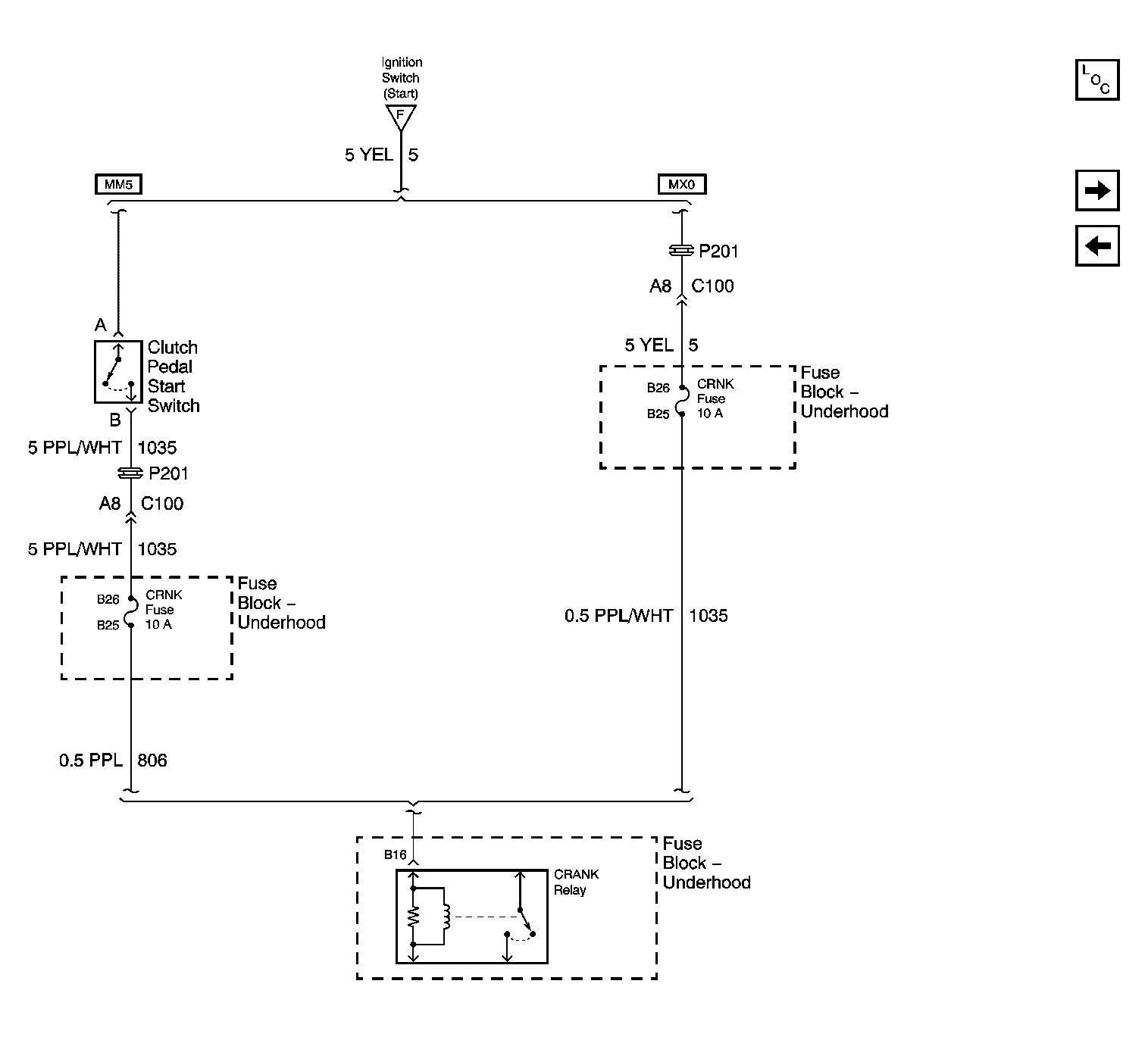
Fig 7: Fuse Block Schematic - Underhood CRNK Fuses
GM885688Courtesy of GENERAL MOTORS CORP.
Fig 8: Fuse Block Schematic - I/P Wiper, BCM, HVAC, 02 HTR Fuses & PWR WDO Circuit Breaker
GM885689Courtesy of GENERAL MOTORS CORP.
Fig 9: Fuse Block Schematic - I/P, Turn B/U, IGN MDL, PCM, BCM/CLU Fuses
GM885691Courtesy of GENERAL MOTORS CORP.
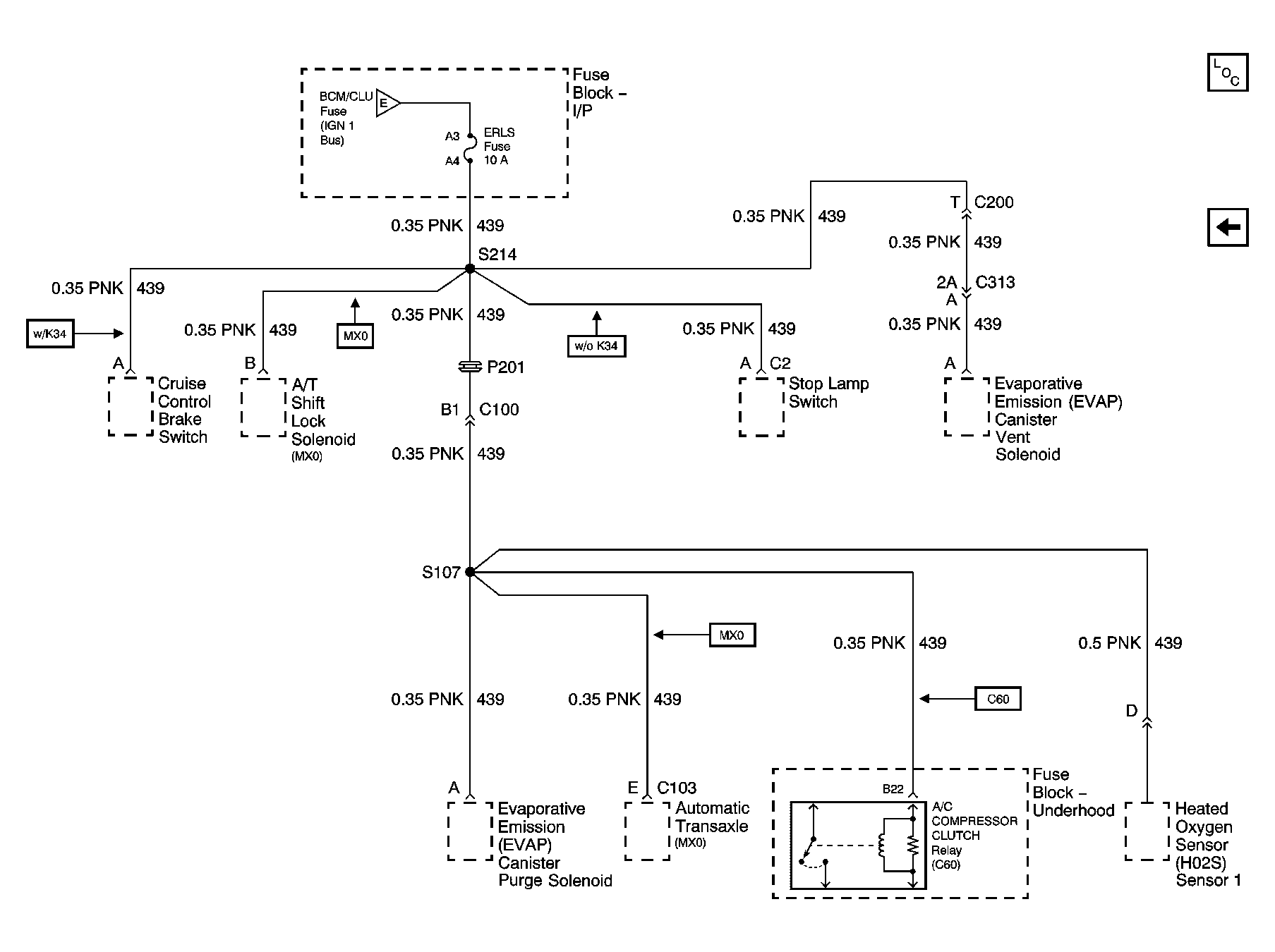
Fig 10: Fuse Block Schematic - I/P ERLS Fuses
GM885692Courtesy of GENERAL MOTORS CORP.