LEMON Manuals: Even more car manuals for everyone
Home >> Pontiac >> 2004 >> Vibe Base, AWD >> Repair and Diagnosis >> External Pages >> Different car >> Section 20 (Wiring Systems - Specifications, Component Views And Connector End Views) >> Schematic and Routing Diagrams >> Ground Distribution Schematics

Ground Distribution Schematics

WARNING: This page is about a different car, the 2004 Pontiac Sunfire and 2004 Chevrolet Cavalier. However, it is still accessible from the selected car via links, so may be relevant.
Fig 1: G102 Schematic
GM887701Courtesy of GENERAL MOTORS CORP.
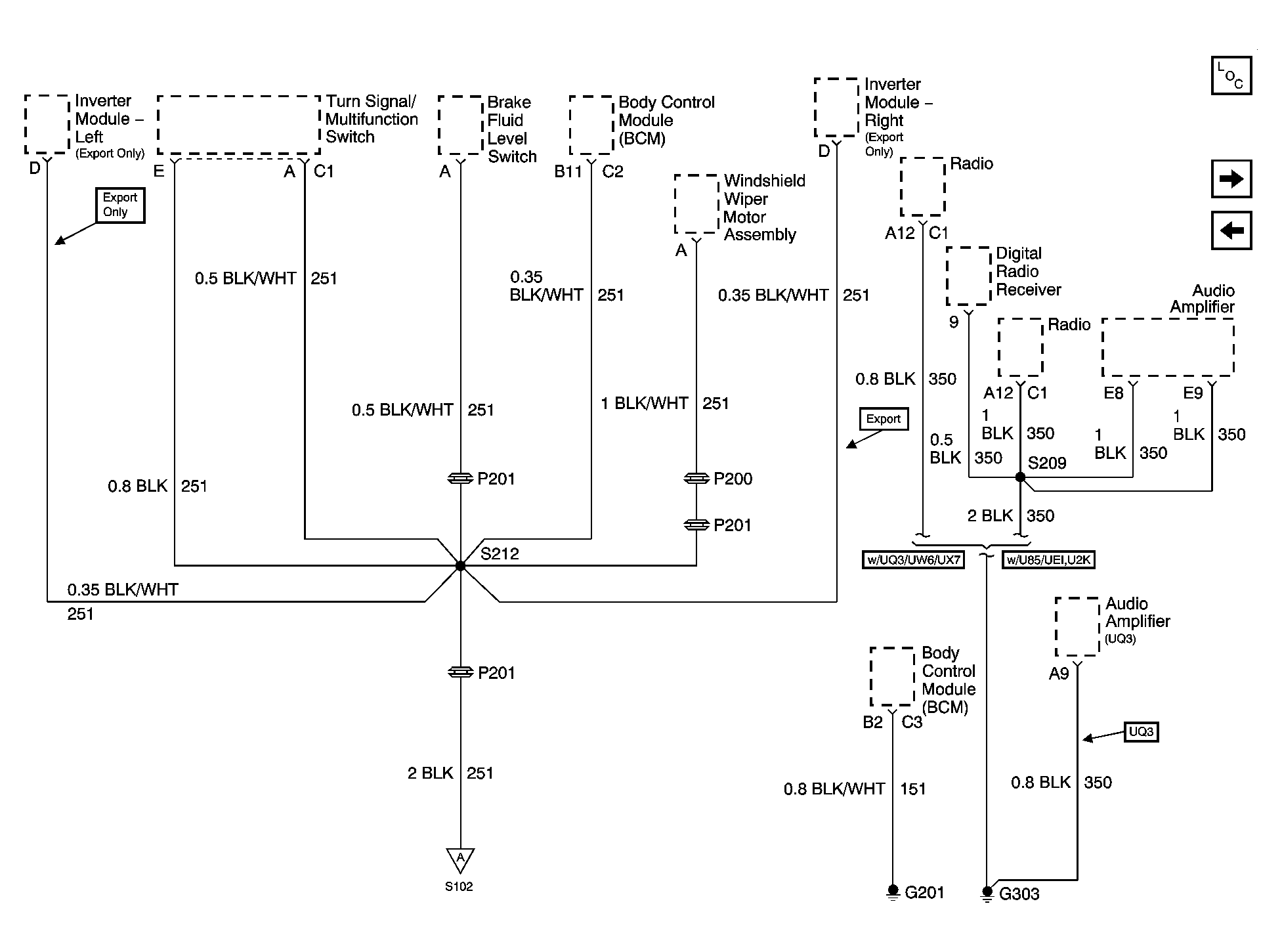
Fig 2: G102, G201, G303 Schematic
GM887997Courtesy of GENERAL MOTORS CORP.
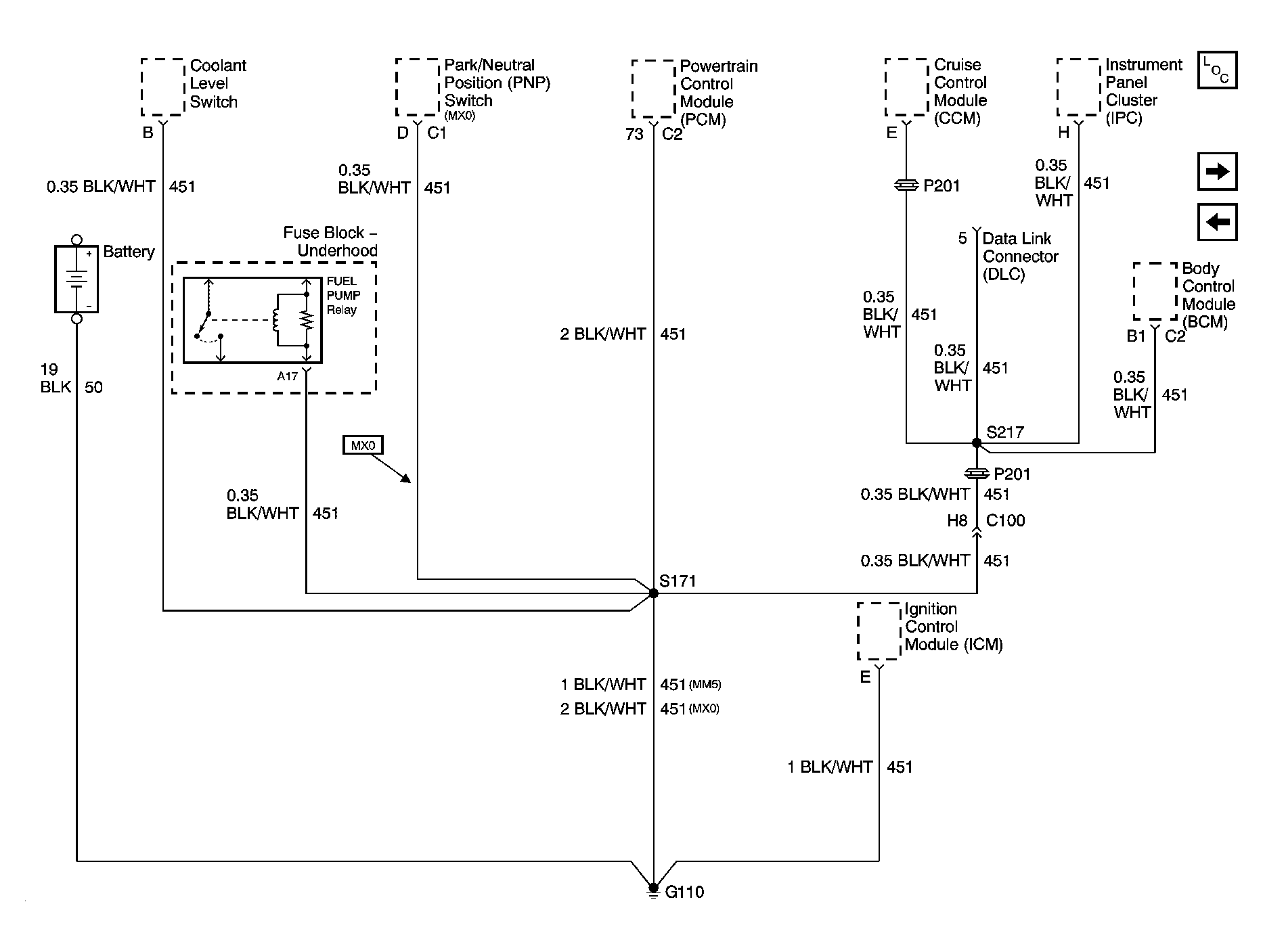
Fig 3: G110 Schematic
GM888390Courtesy of GENERAL MOTORS CORP.
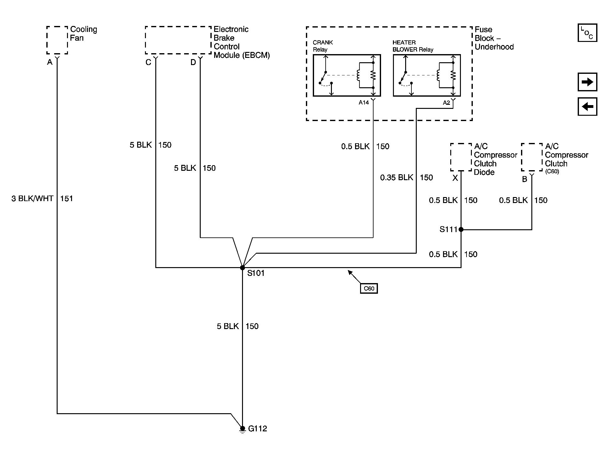
Fig 4: G112 Schematic
GM888840Courtesy of GENERAL MOTORS CORP.
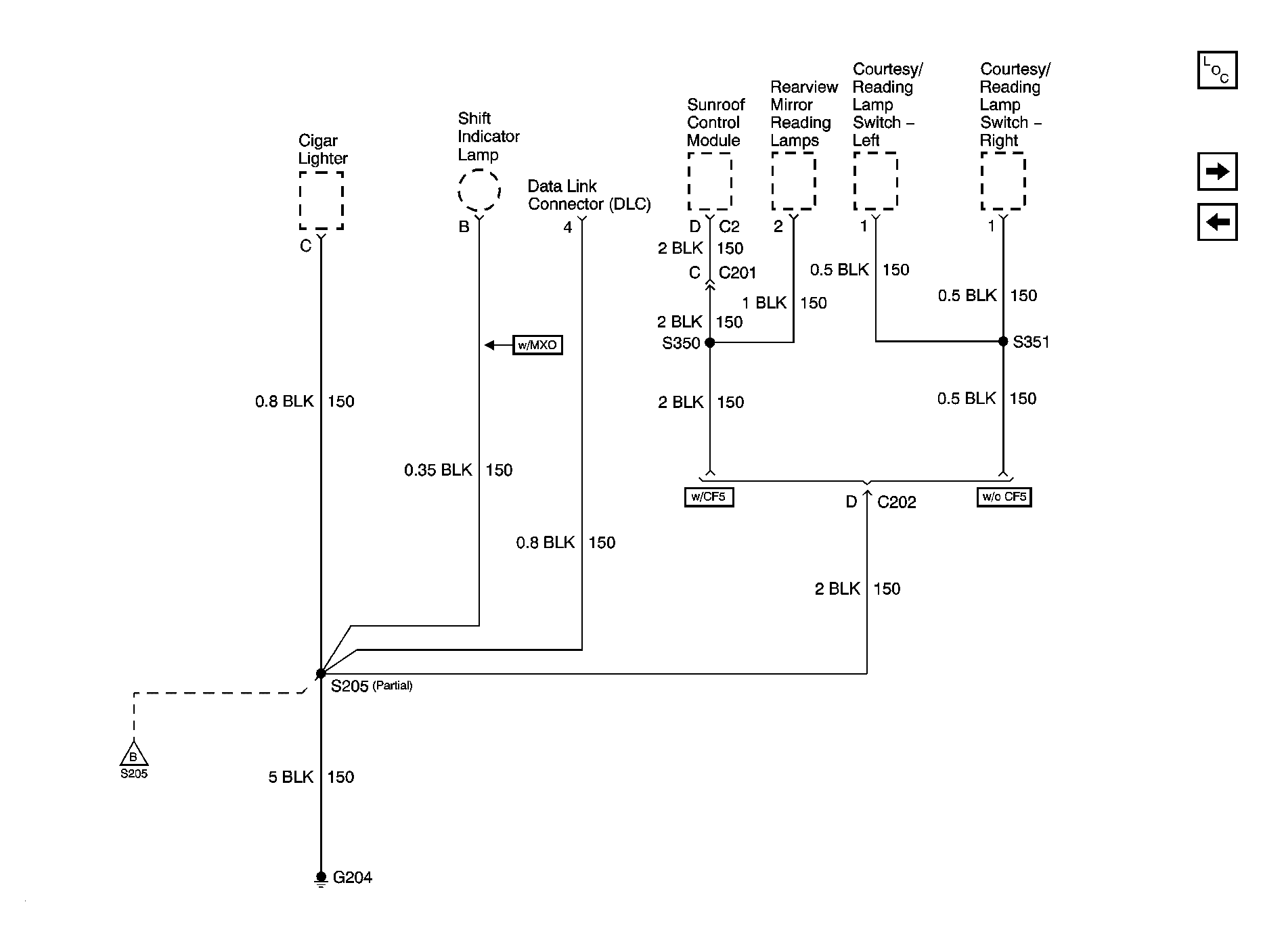
Fig 5: G204 Schematic (Page 1 Of 2)
GM888845Courtesy of GENERAL MOTORS CORP.
Fig 6: G204 Schematic (Page 2 Of 2)
GM888849Courtesy of GENERAL MOTORS CORP.
Fig 7: G302 Schematic
GM888853Courtesy of GENERAL MOTORS CORP.
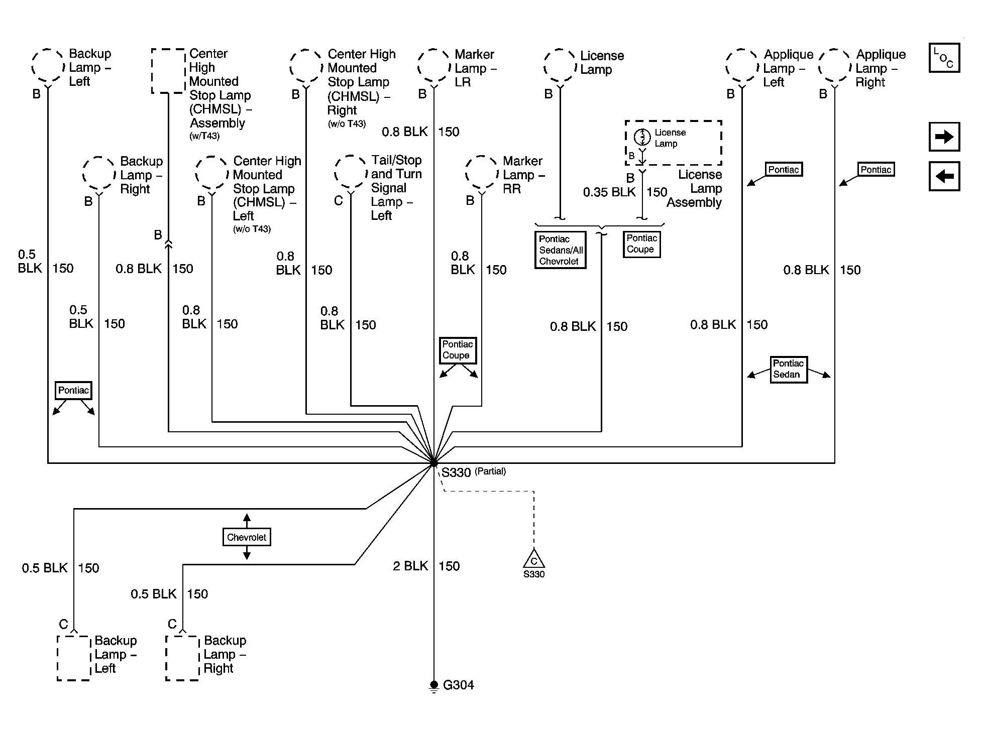
Fig 8: G304 Schematic (Page 1 Of 2)
GM888857Courtesy of GENERAL MOTORS CORP.
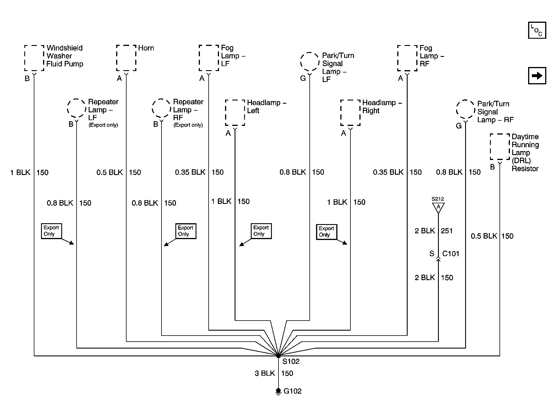
Fig 9: G304 Schematic (Page 2 Of 2)
GM888859Courtesy of GENERAL MOTORS CORP.