LEMON Manuals: Even more car manuals for everyone
Home >> Pontiac >> 2004 >> Vibe Base, AWD >> Repair and Diagnosis >> External Pages >> Different car >> Section 121 (Antilock Brake System, Traction Control System & Stability Control System) >> Schematic and Routing Diagrams >> ABS Schematics

ABS Schematics

WARNING: This page is about a different car, the 2005 Pontiac Vibe. However, it is still accessible from the selected car via links, so may be relevant.
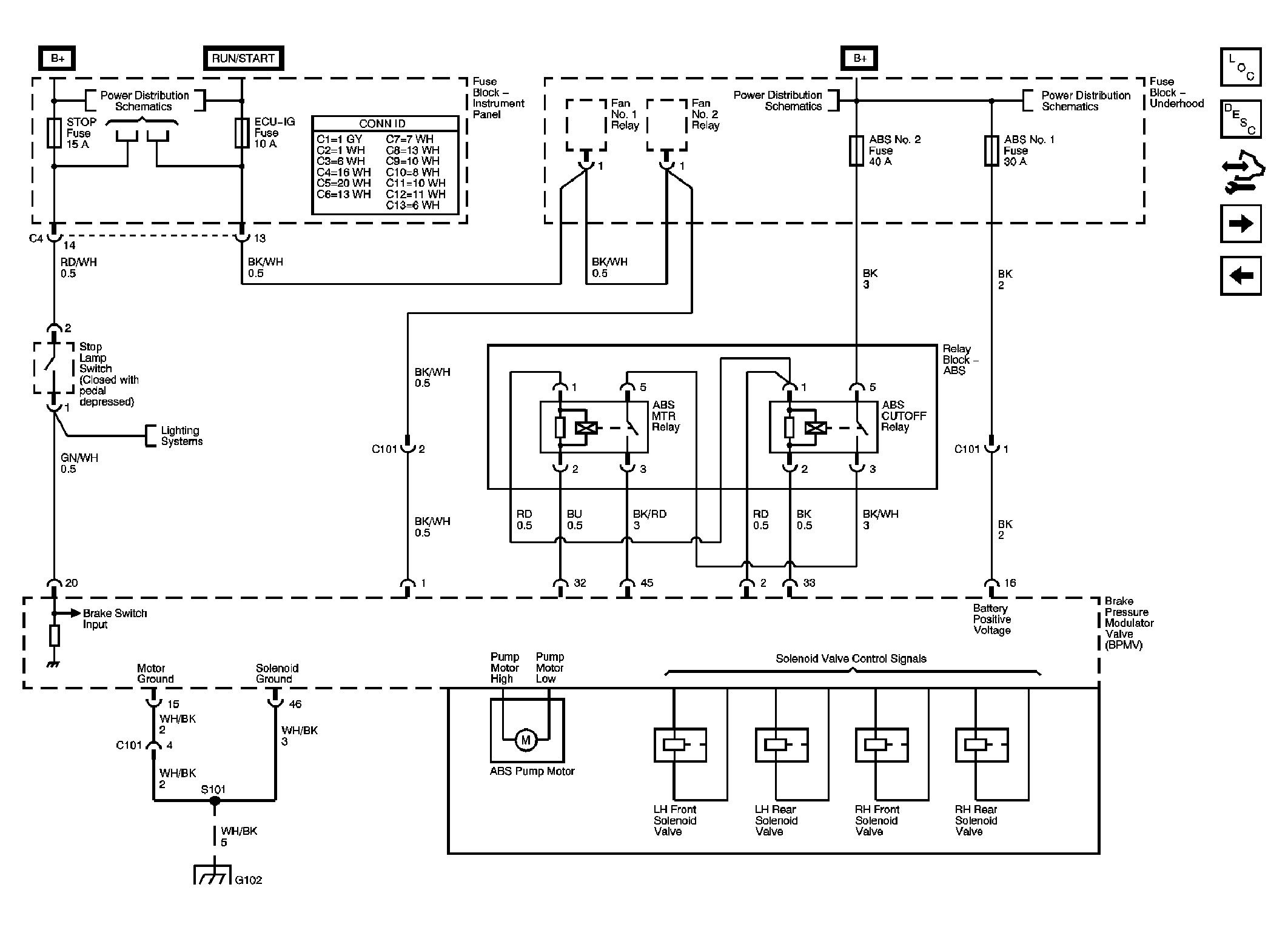
Fig 1: Brake Pressure Modulator Valve (BPMV) Power and Ground - JL9 Schematic
GM1424567Courtesy of GENERAL MOTORS CORP.
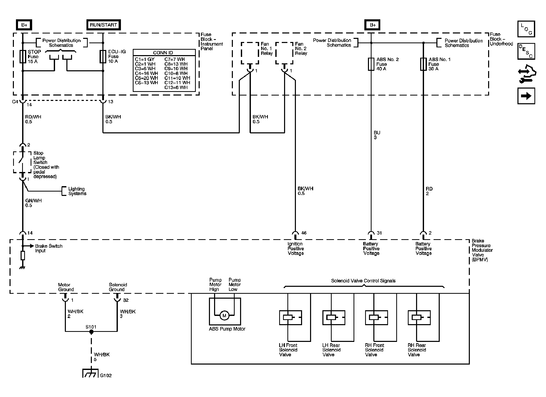
Fig 2: Brake Pressure Modulator Valve (BPMV) Power and Ground - JL4 Schematic
GM1471193Courtesy of GENERAL MOTORS CORP.
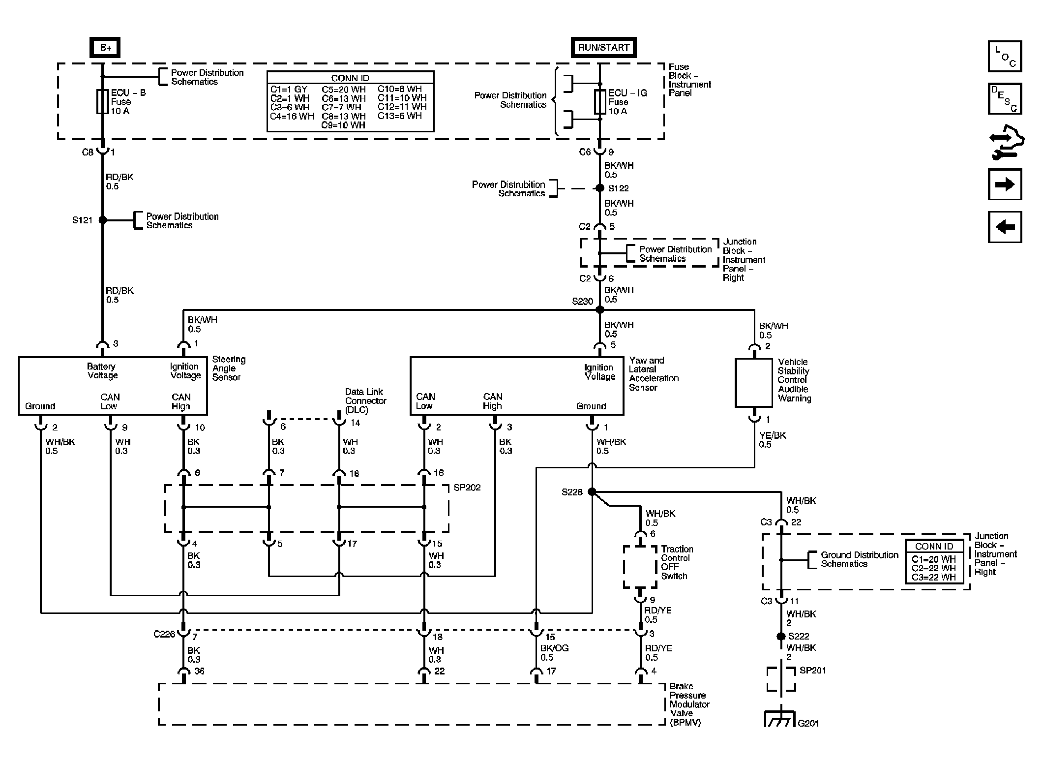
Fig 3: Brake Pressure Modulator Valve (BPMV), Steering Angle Sensor, Yaw and Lateral Acceleration Sensor - JL4 Schematic
GM1471198Courtesy of GENERAL MOTORS CORP.
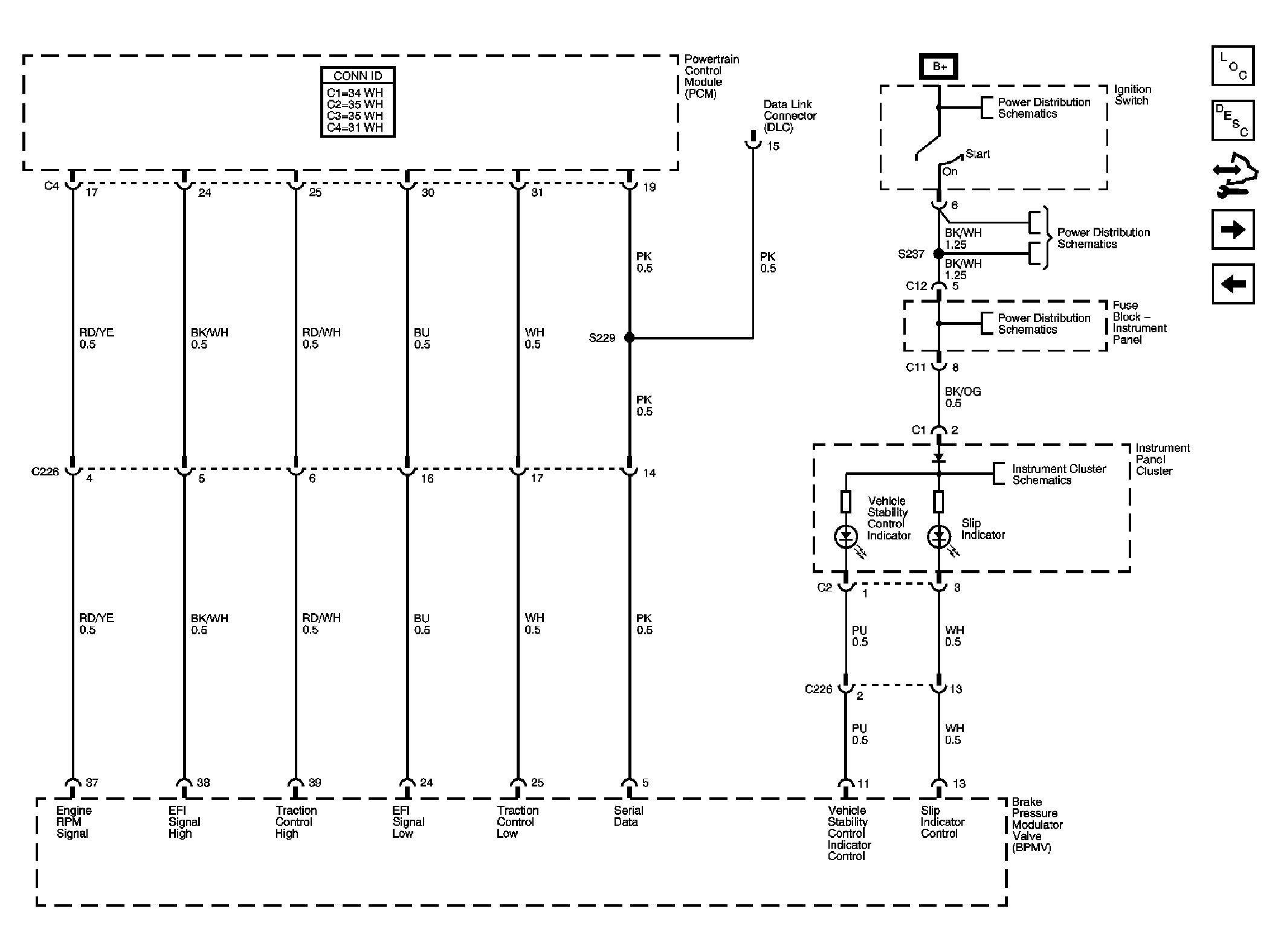
Fig 4: Brake Pressure Modulator Valve (BPMV), Powertrain Control Module (PCM) - JL4 Schematic
GM1471199Courtesy of GENERAL MOTORS CORP.
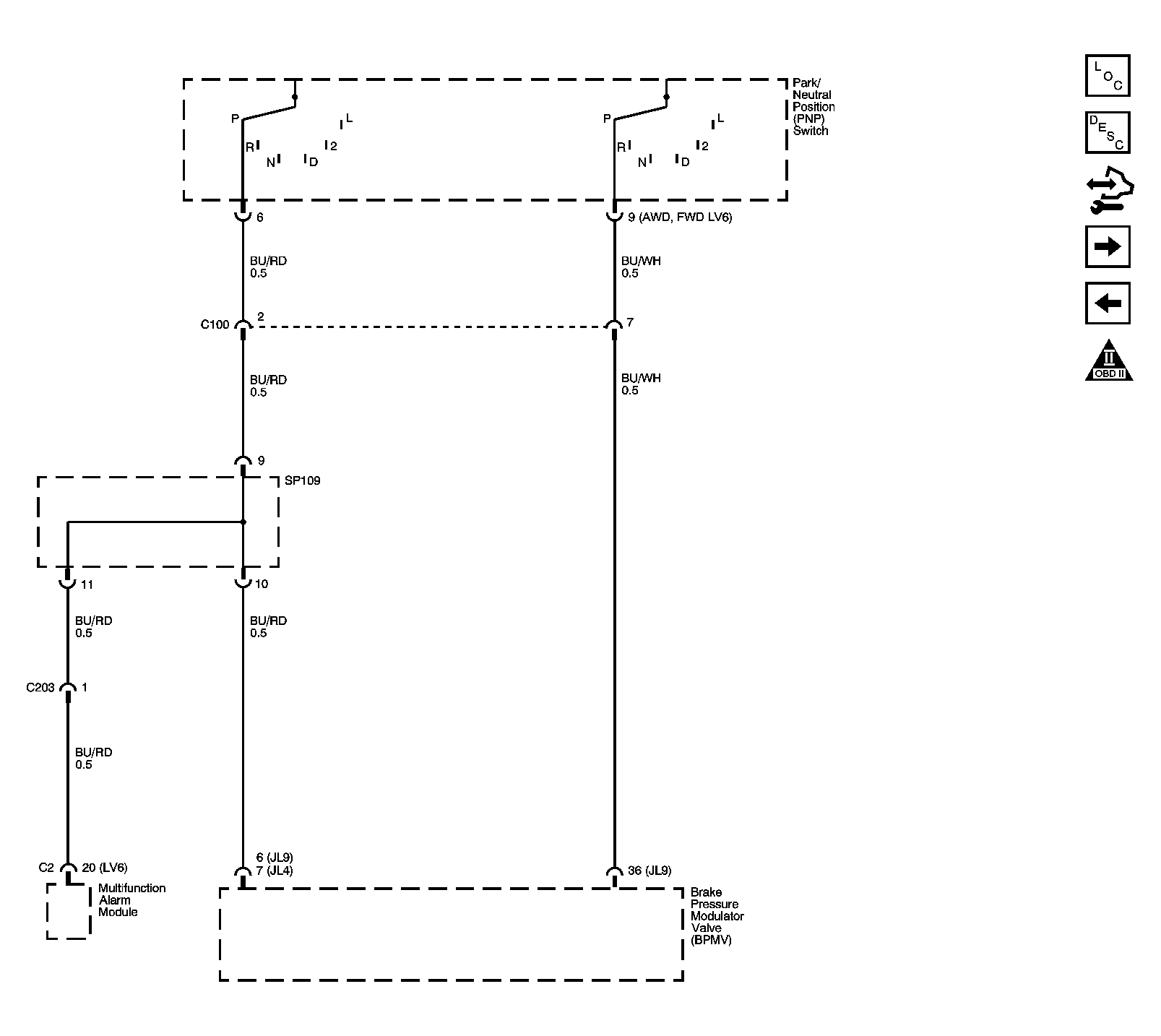
Fig 5: Park/Neutral Position Switch, Brake Pressure Modulator Valve (BPMV), Multifunction Alarm Module Schematic
GM1481319Courtesy of GENERAL MOTORS CORP.
Fig 6: Brake Pressure Modulator Valve (BPMV), Tire Pressure Monitor Switch, Data Link Connector (DLC), Deceleration Sensor, Instrument Panel Cluster (IPC) Schematic
GM1424569Courtesy of GENERAL MOTORS CORP.
Fig 7: Wheel Speed Sensors Schematic
GM1424574Courtesy of GENERAL MOTORS CORP.