LEMON Manuals: Even more car manuals for everyone
Home >> Pontiac >> 2004 >> GTO Automatic >> Repair and Diagnosis >> Transmission >> Automatic Trans >> Shift Interlock System >> Schematic and Routing Diagrams >> Automatic Transmission Shift Lock Control Schematics

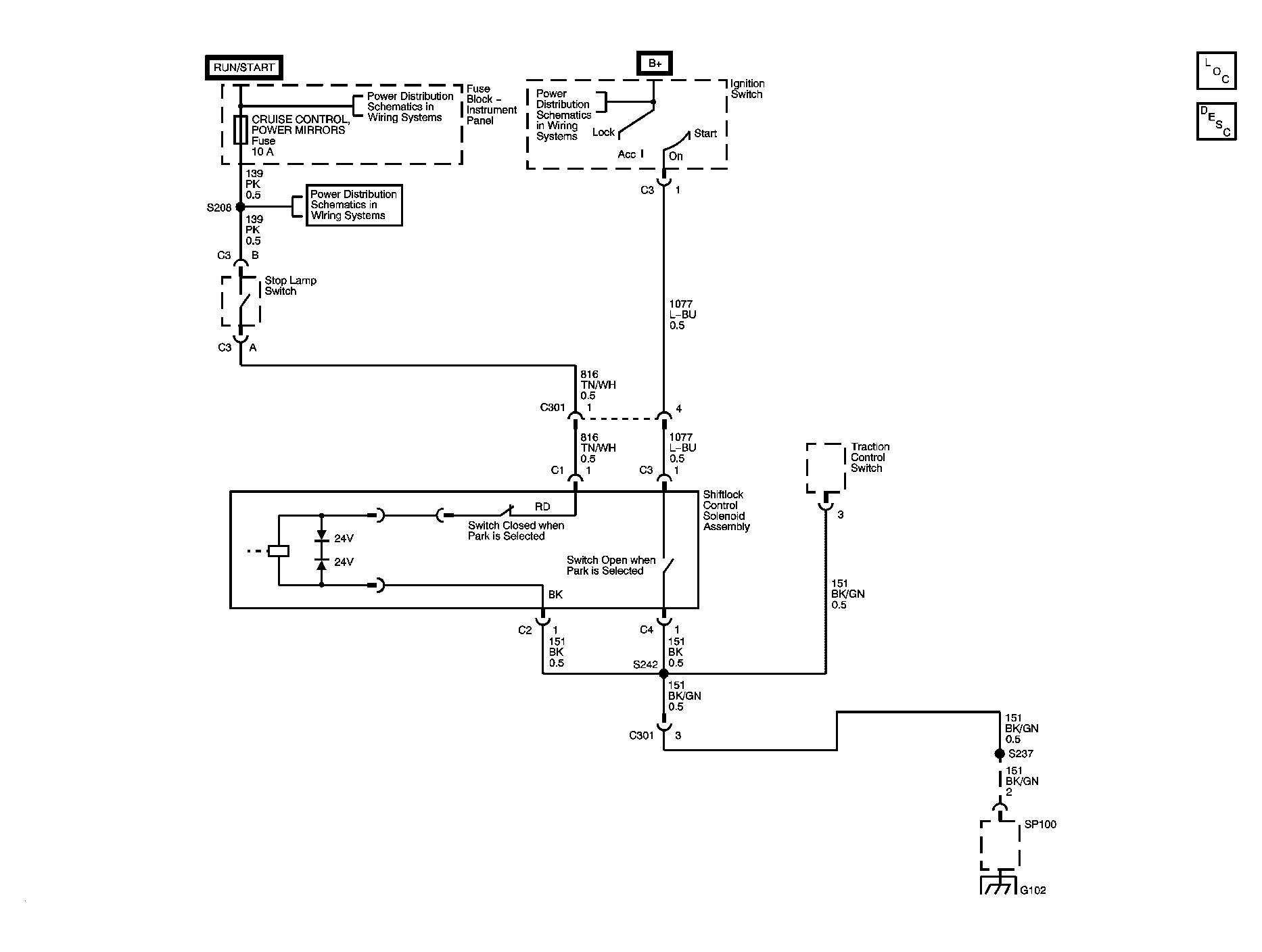
Automatic Transmission Shift Lock Control Schematics

Fig 1: Automatic Transmission Shift Lock Control Schematics
GM1351809Courtesy of GENERAL MOTORS CORP.