LEMON Manuals: Even more car manuals for everyone
Home >> Pontiac >> 2004 >> Aztek Base, AWD >> Repair and Diagnosis >> External Pages >> Different car >> Section 205 (Keyless Entry System) >> Schematic and Routing Diagrams >> Keyless Entry Schematics

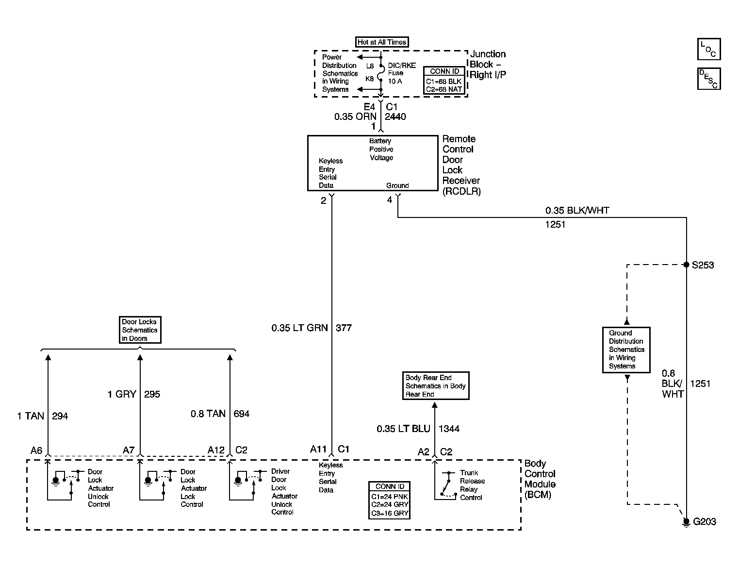
Keyless Entry Schematics

WARNING: This page is about a different car, the 2004 Chevrolet Monte Carlo and 2004 Chevrolet Impala. However, it is still accessible from the selected car via links, so may be relevant.
Fig 1: Keyless Entry Schematics
GM699061Courtesy of GENERAL MOTORS CORP.