LEMON Manuals: Even more car manuals for everyone
Home >> Pontiac >> 2004 >> Aztek Base, AWD >> Repair and Diagnosis >> Engine Performance >> System >> Engine Controls - 3.4L - Introduction - Service & Replacement >> Schematic and Routing Diagrams >> Engine Controls Schematics

Engine Controls Schematics

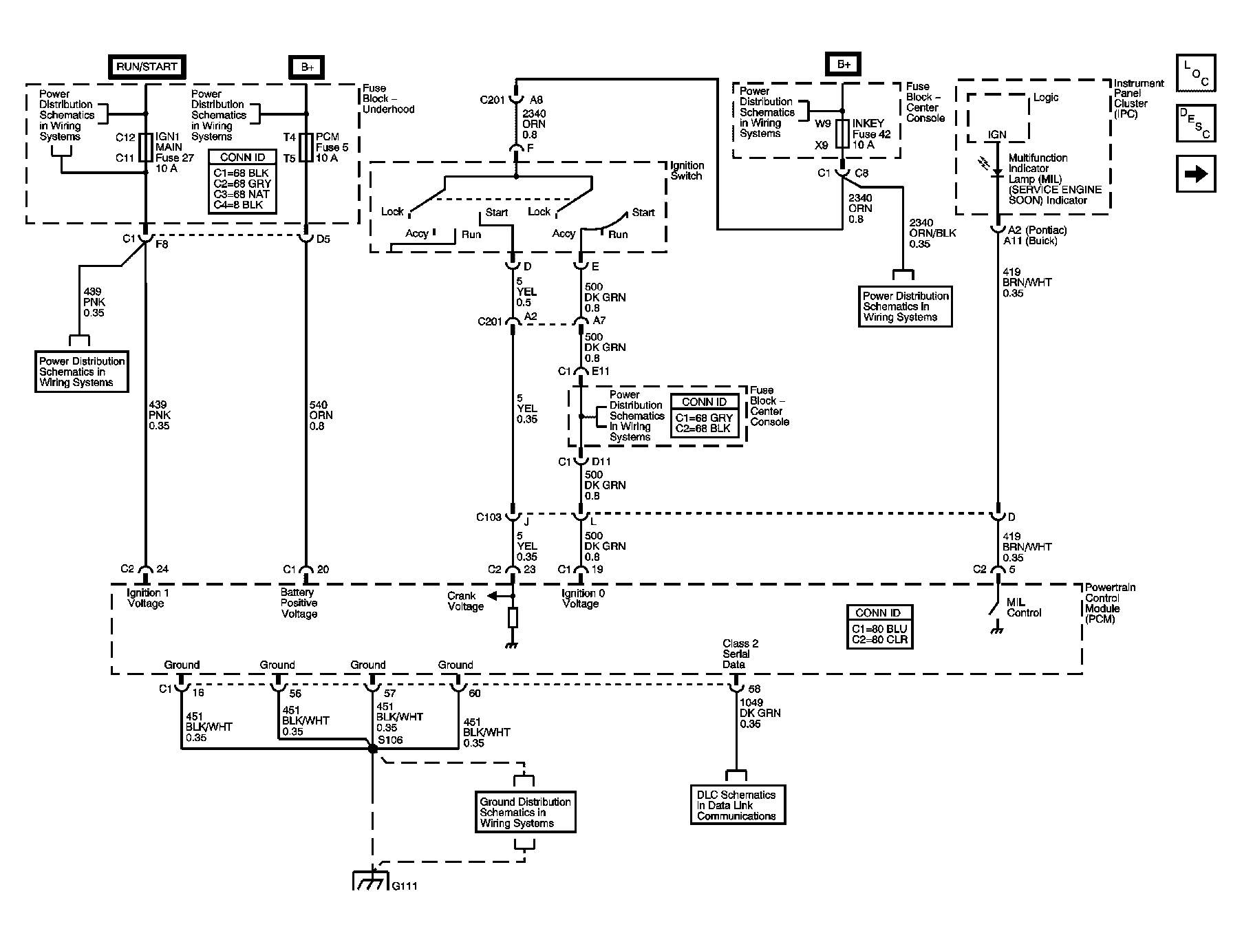
Fig 1: Power, DLC, Ground, and MIL Schematics
GM623555Courtesy of GENERAL MOTORS CORP.
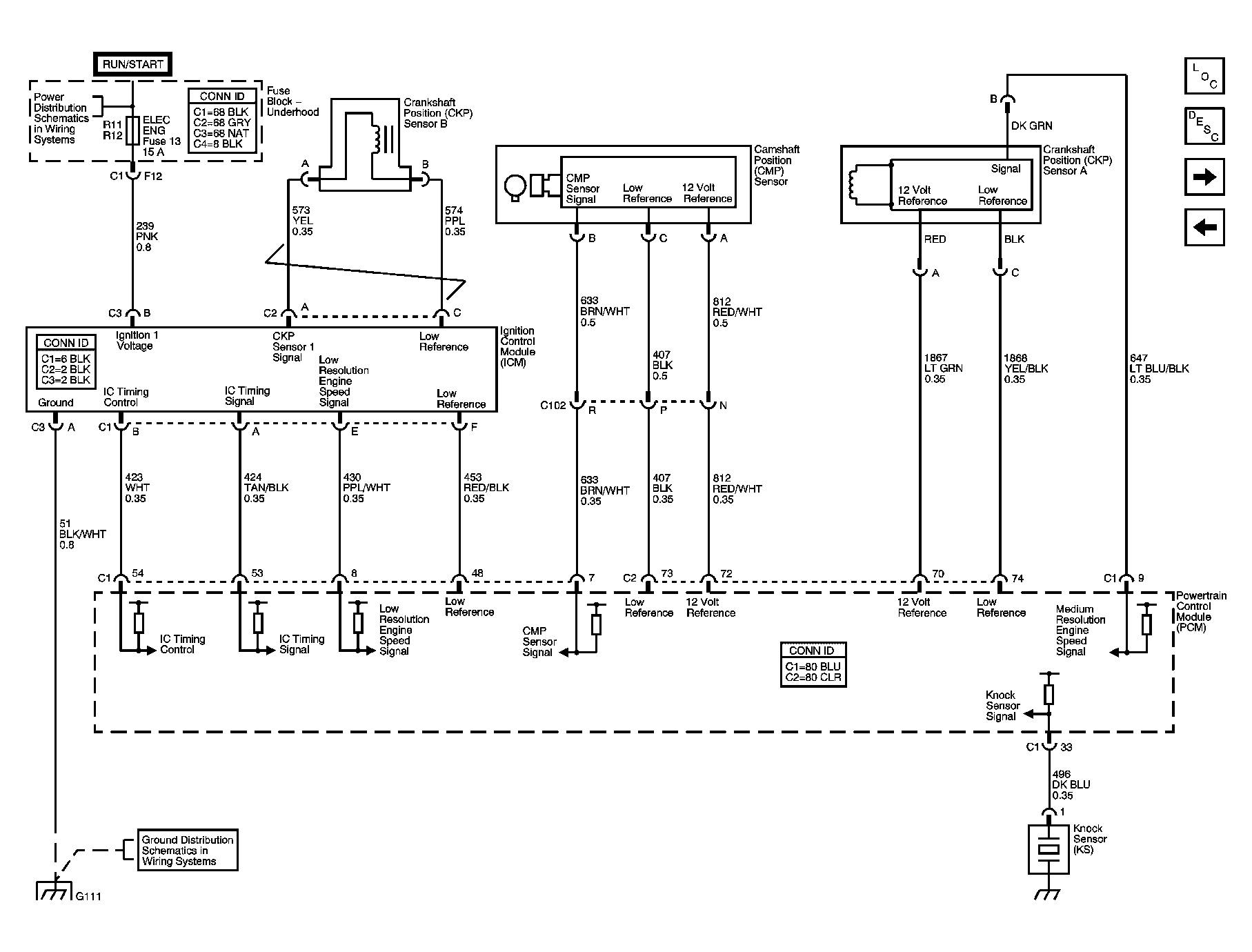
Fig 2: Ignition Control, KS Schematics
GM623556Courtesy of GENERAL MOTORS CORP.
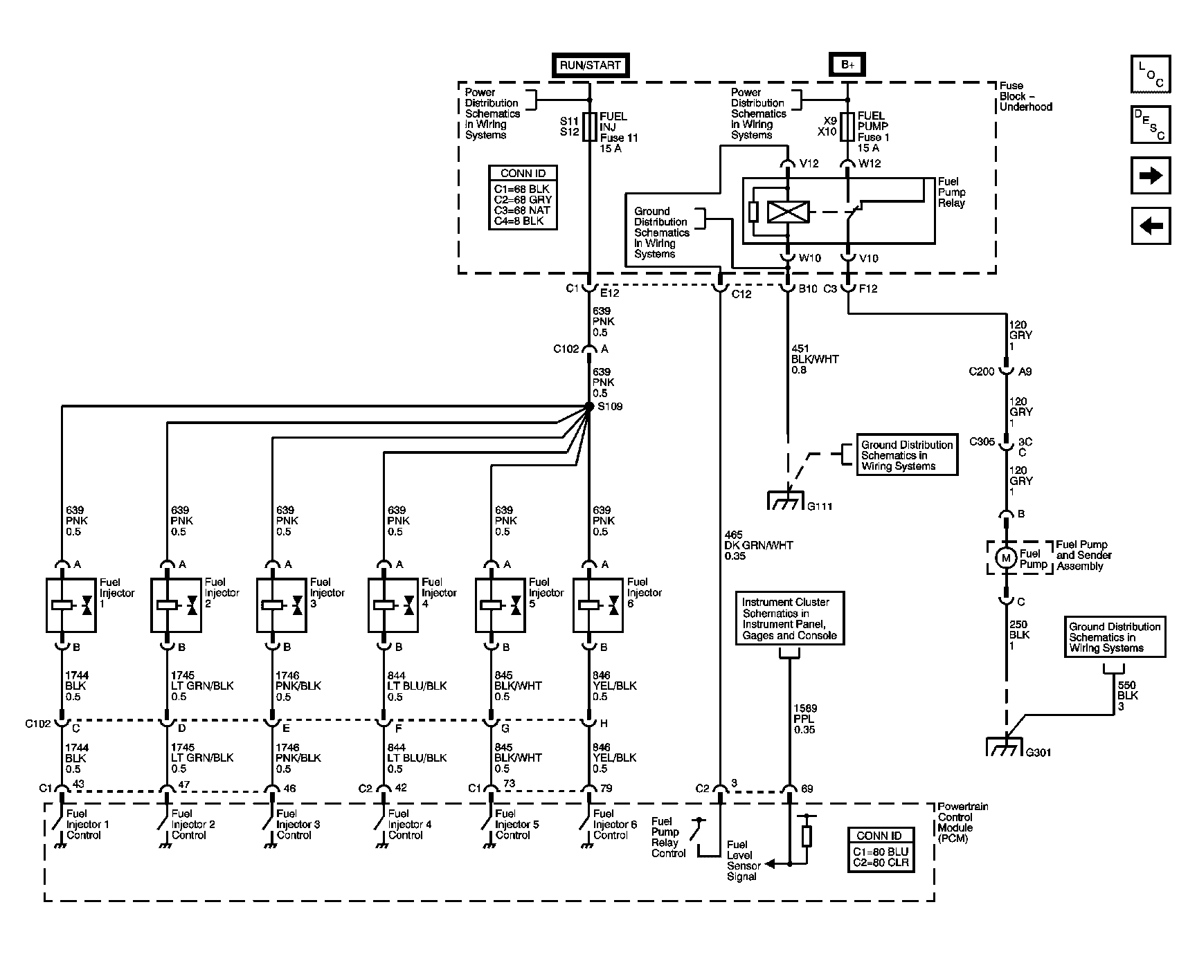
Fig 3: Fuel Injectors, Fuel Pump Schematics
GM623568Courtesy of GENERAL MOTORS CORP.
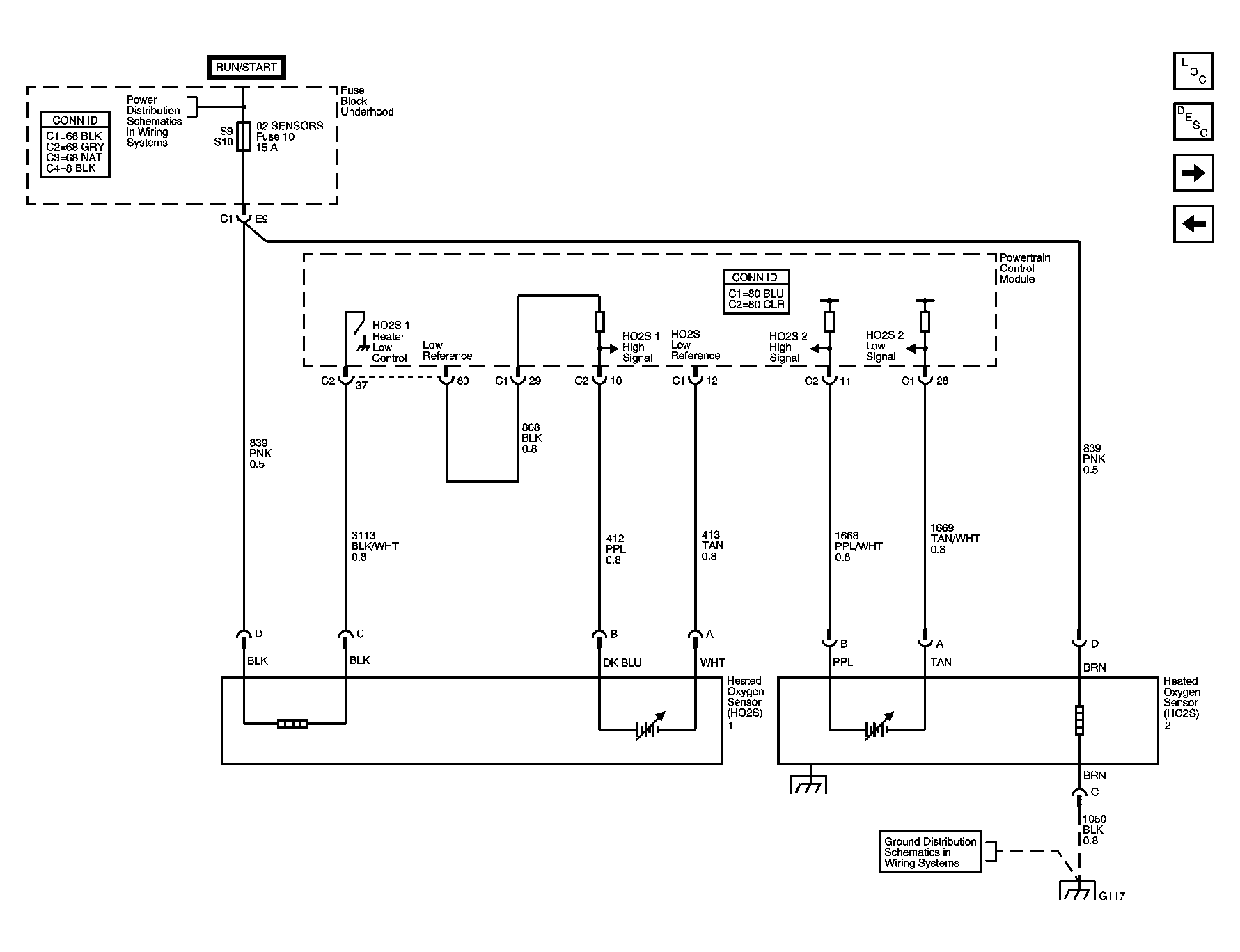
Fig 4: HO2S Schematics
GM623583Courtesy of GENERAL MOTORS CORP.
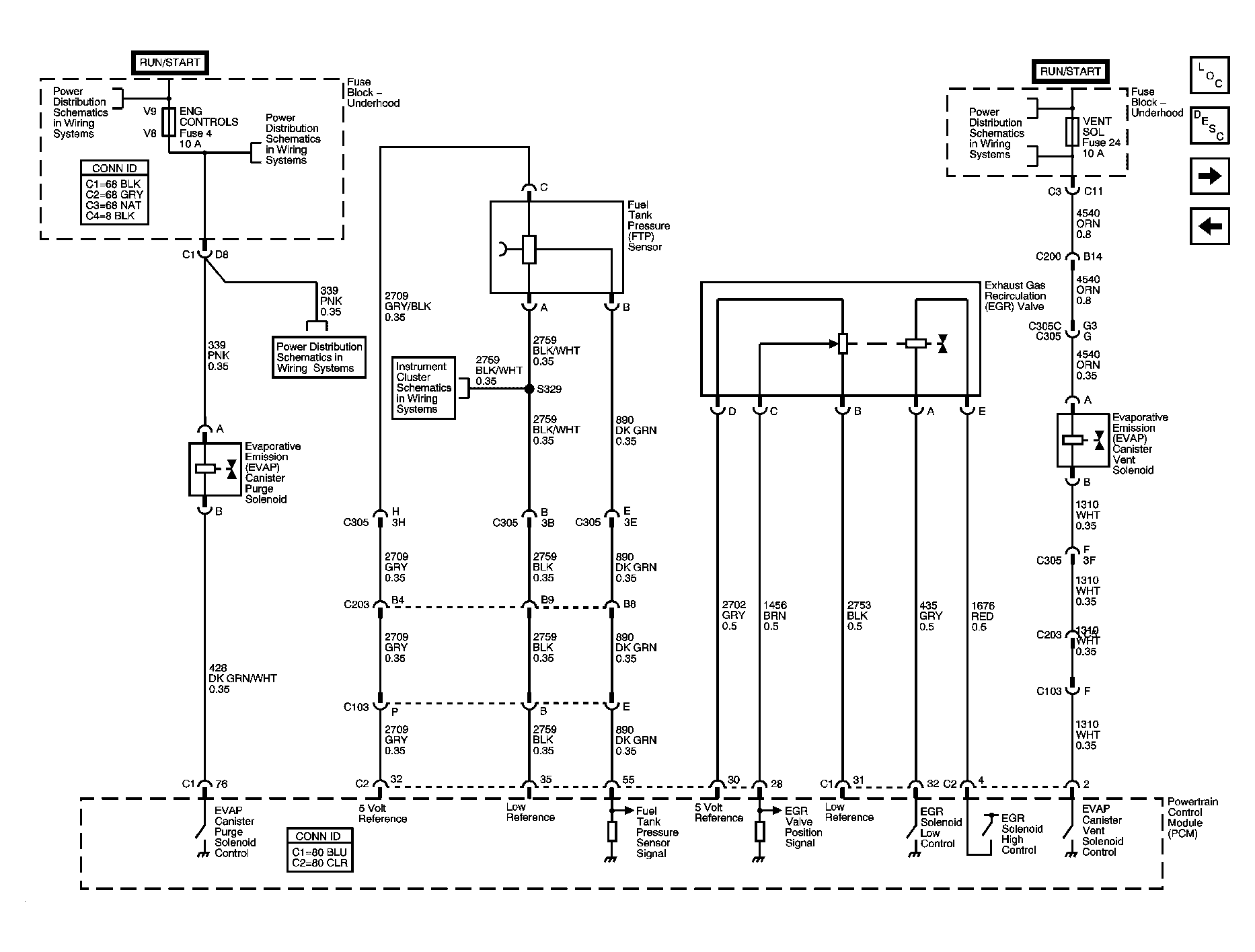
Fig 5: EGR, EVAP Schematics
GM1396387Courtesy of GENERAL MOTORS CORP.
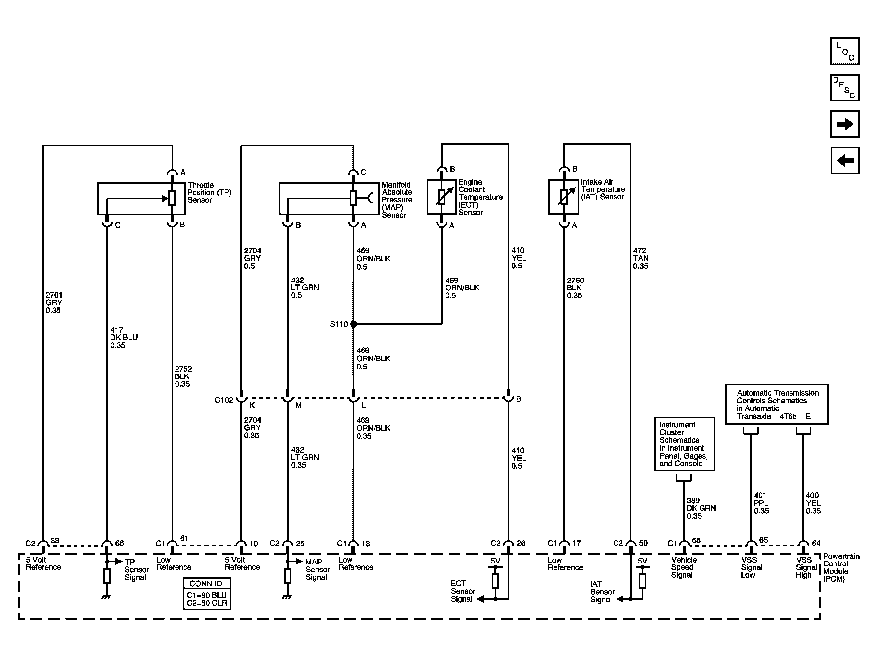
Fig 6: Sensors Schematics
GM623580Courtesy of GENERAL MOTORS CORP.
Fig 7: IAC and MAF Schematics
GM901622Courtesy of GENERAL MOTORS CORP.
Fig 8: PCM References Schematics (1 of 2)
GM901627Courtesy of GENERAL MOTORS CORP.
Fig 9: PCM References Schematics (2 of 2)
GM901628Courtesy of GENERAL MOTORS CORP.