LEMON Manuals: Even more car manuals for everyone
Home >> Pontiac >> 2003 >> Vibe Base, AWD >> Repair and Diagnosis >> Transmission >> Automatic Trans >> Shift Interlock System >> Schematic & Routing Diagrams >> Automatic Transmission Shift Lock Control Schematics

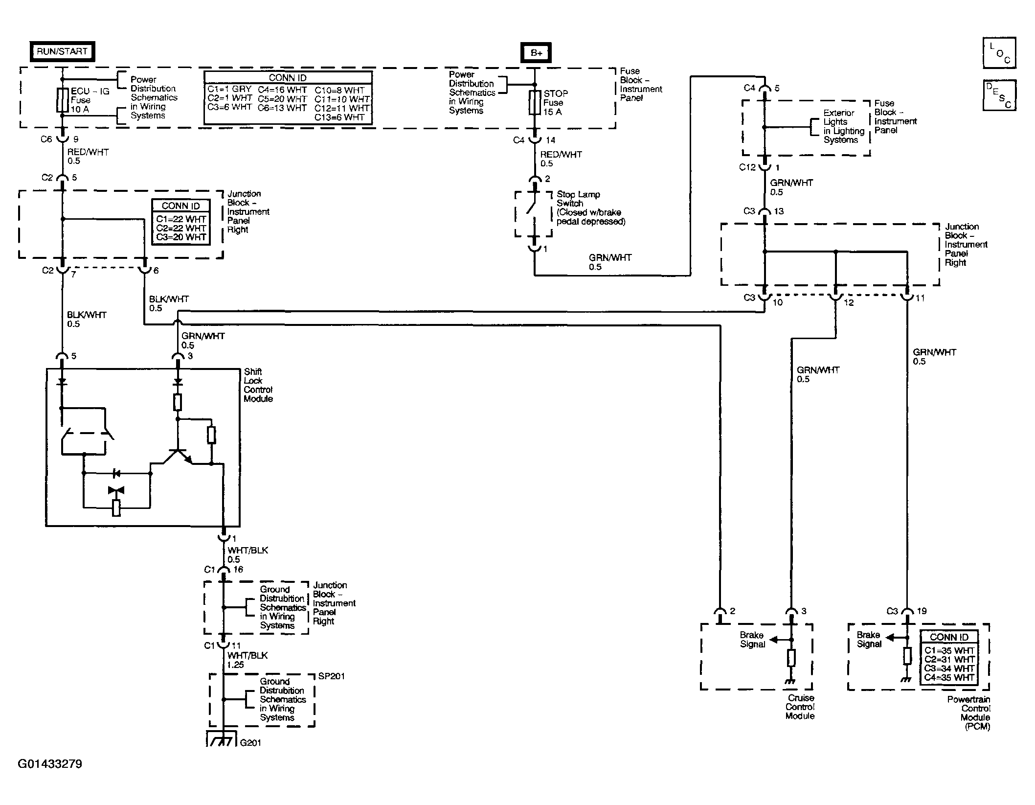
Automatic Transmission Shift Lock Control Schematics

Fig 1: Automatic Transmission Shift Lock Control Schematic
G01433279Courtesy of GENERAL MOTORS CORP.