LEMON Manuals: Even more car manuals for everyone
Home >> Pontiac >> 2003 >> Aztek AWD >> Repair and Diagnosis >> Engine Performance >> System >> Engine Controls - System & Component Testing >> Modules, Motors, Relays & Solenoids >> Ignition Relay >> Circuit Description

Circuit Description

The ignition relay is normally an open relay. The relay armature is held in the open position by spring tension. When the ignition switch is turned to the RUN or START position, current will flow through the relay coil. A wire connected to the other end of the relay coil completes the path to ground. The electromagnetic field created by the relay coil overcomes the spring tension and moves the armature, allowing the relay contacts to close.

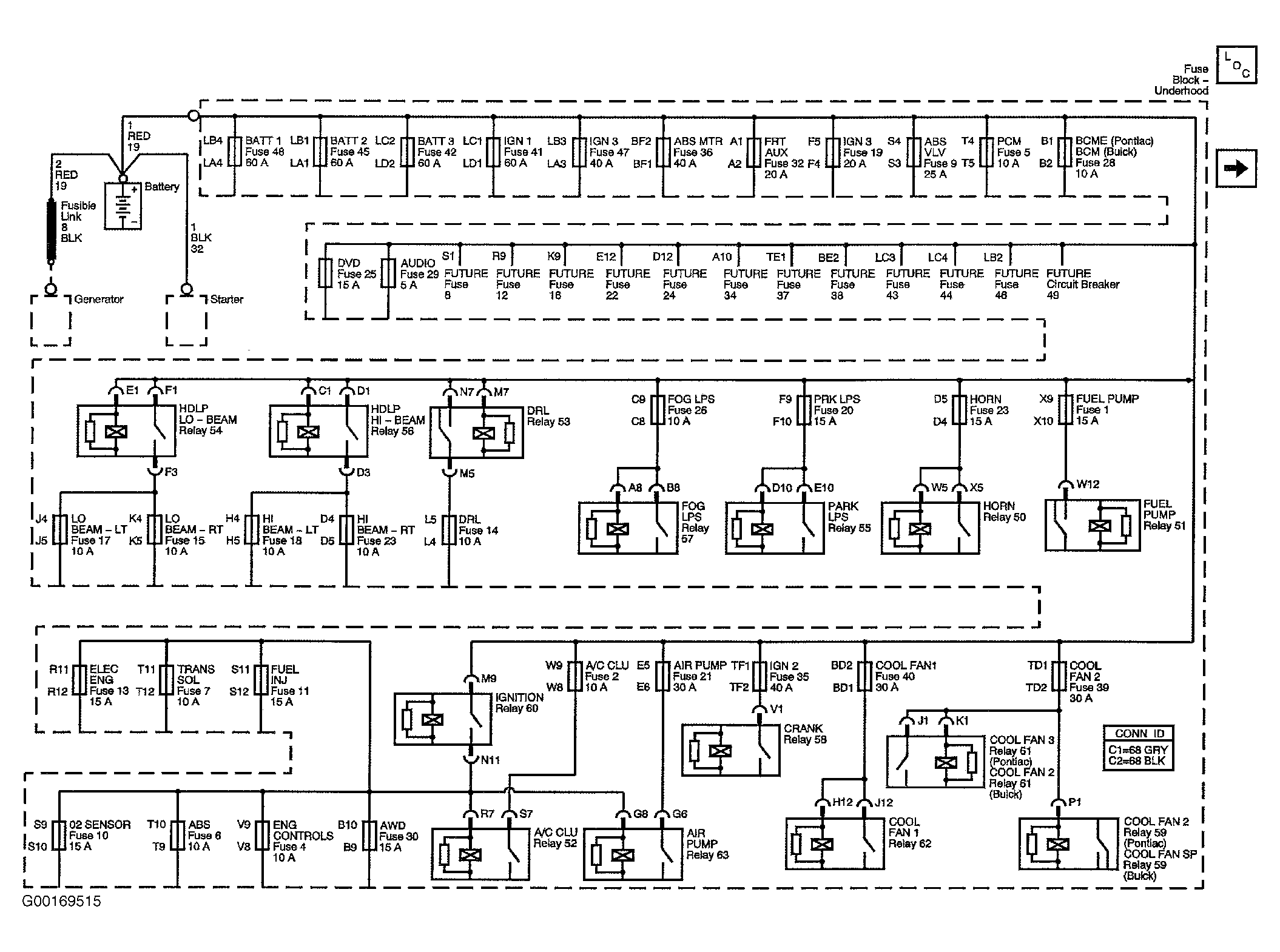
The closed relay contacts allow current to flow from the battery to the ENG CONTROLS fuse, Fuel INJ fuse, ELEC ENG fuse, O2 Sensors fuse, TRANS SOL fuse, ABS fuse and AWD fuse. Fuses are located in underhood fuse/relay block. See Fig 1 .

When the ignition switch is turned off, the electromagnetic field collapses. This action allows the spring tension to move the armature away from the relay contacts, which interrupts current flow to the fuses.

If ignition relay fails to close, the engine will crank but will not run. The class 2 communications will be available with the use of a scan tool.

Fig 1: Identifying Underhood Fuse/Relay Block
G00169515Courtesy of GENERAL MOTORS CORP.