LEMON Manuals: Even more car manuals for everyone
Home >> Pontiac >> 1993 >> LeMans VL >> Repair and Diagnosis >> Engine Performance >> System >> Engine Controls - Basic Testing >> Fuel System >> Fuel Pressure >> Fuel Pump Relay

Fuel Pump Relay

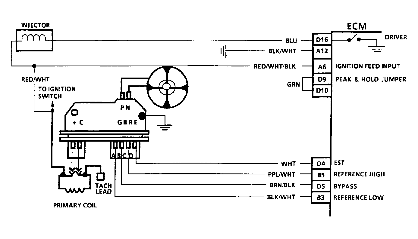
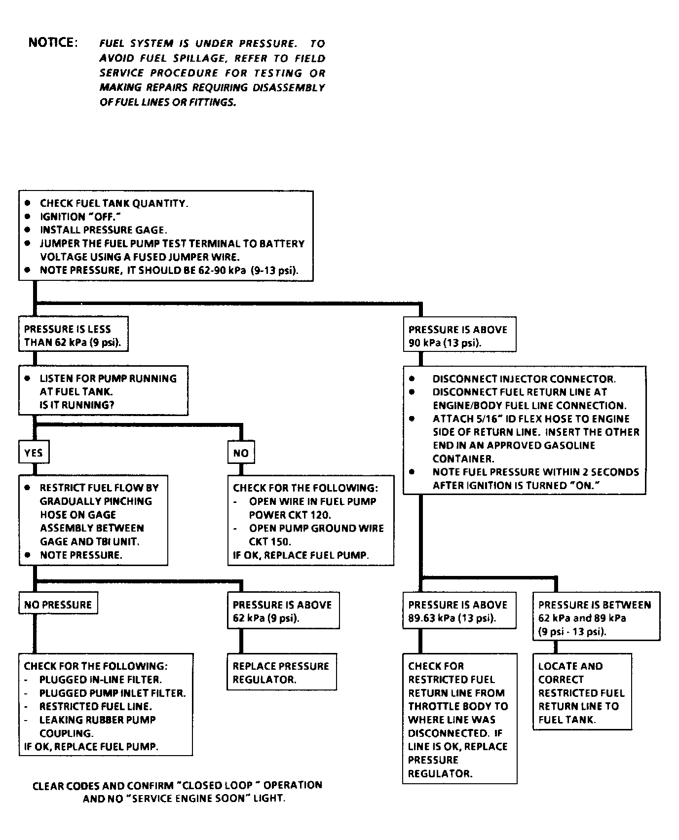
Use circuit wiring diagram and diagnostic flow charts to diagnose and service fuel pump relay faults. See Figure -Figure .