LEMON Manuals: Even more car manuals for everyone
Home >> Oldsmobile >> 2004 >> Bravada AWD >> Repair and Diagnosis >> External Pages >> Different car >> Section 1742 (Engine Control System - 4.2L - Introduction) >> Schematic and Routing Diagrams >> Engine Controls Schematics

Engine Controls Schematics

WARNING: This page does not describe the selected car, but rather 6 other vehicles, including the 2005 Isuzu Ascender, 2005 GMC Envoy XUV, 2005 GMC Envoy XL, 2005 GMC Envoy, and 2005 Chevrolet TrailBlazer. However, it is still accessible from the selected car via links, so may be relevant.
Fig 1: Module Power, Ground, Serial Data, and MIL
GM1430604Courtesy of GENERAL MOTORS CORP.
Fig 2: Engine Data Sensors - 5-Volt and Low Reference
GM1430606Courtesy of GENERAL MOTORS CORP.
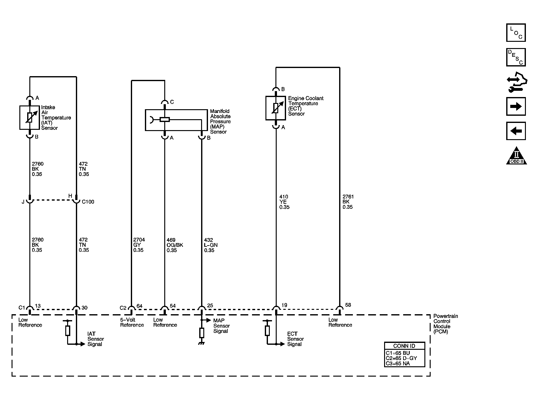
Fig 3: Engine Data Sensors - Pressure and Temperature
GM1430608Courtesy of GENERAL MOTORS CORP.
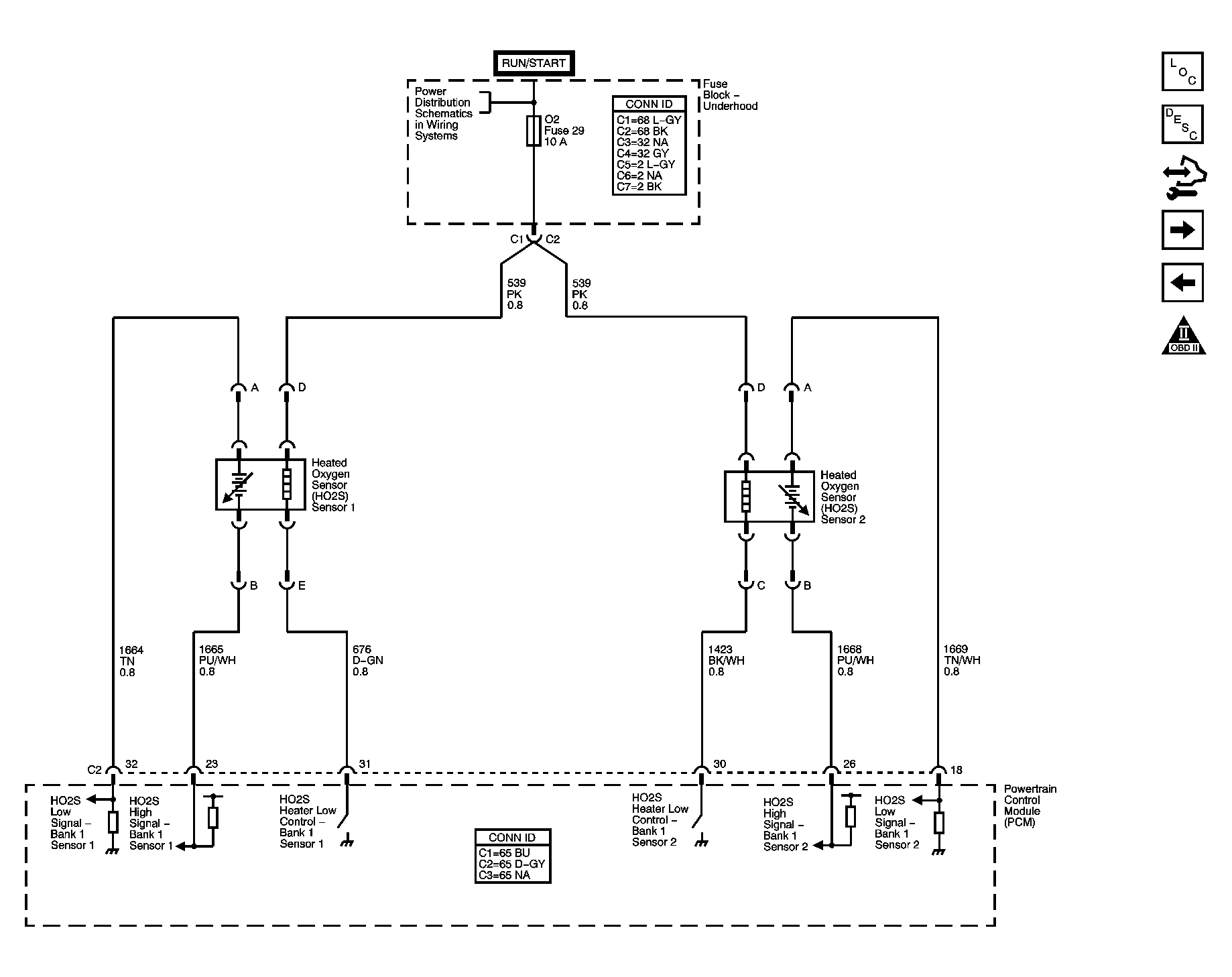
Fig 4: Engine Data Sensors - Oxygen Sensors
GM1430612Courtesy of GENERAL MOTORS CORP.
Fig 5: Engine Data Sensor - Throttle Actuator Controls and VSS
GM1430614Courtesy of GENERAL MOTORS CORP.
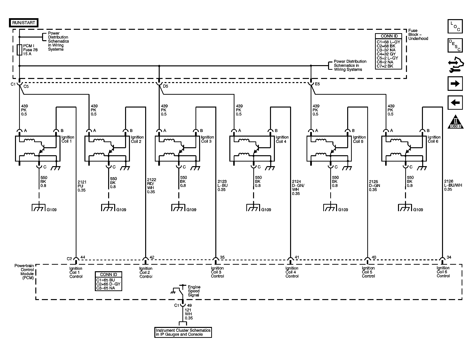
Fig 6: Ignition Controls - Ignition System
GM1430618Courtesy of GENERAL MOTORS CORP.
Fig 7: Ignition Controls - Sensors
GM1430620Courtesy of GENERAL MOTORS CORP.
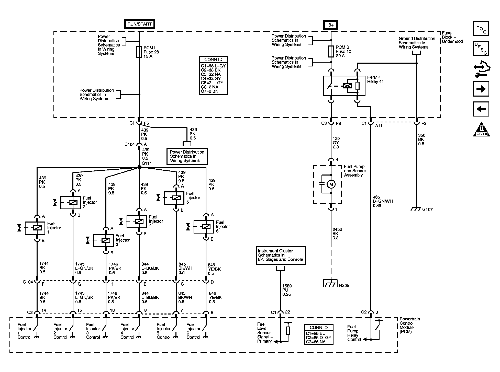
Fig 8: Fuel Controls - Fuel Pump Controls and Fuel Injectors
GM1430622Courtesy of GENERAL MOTORS CORP.
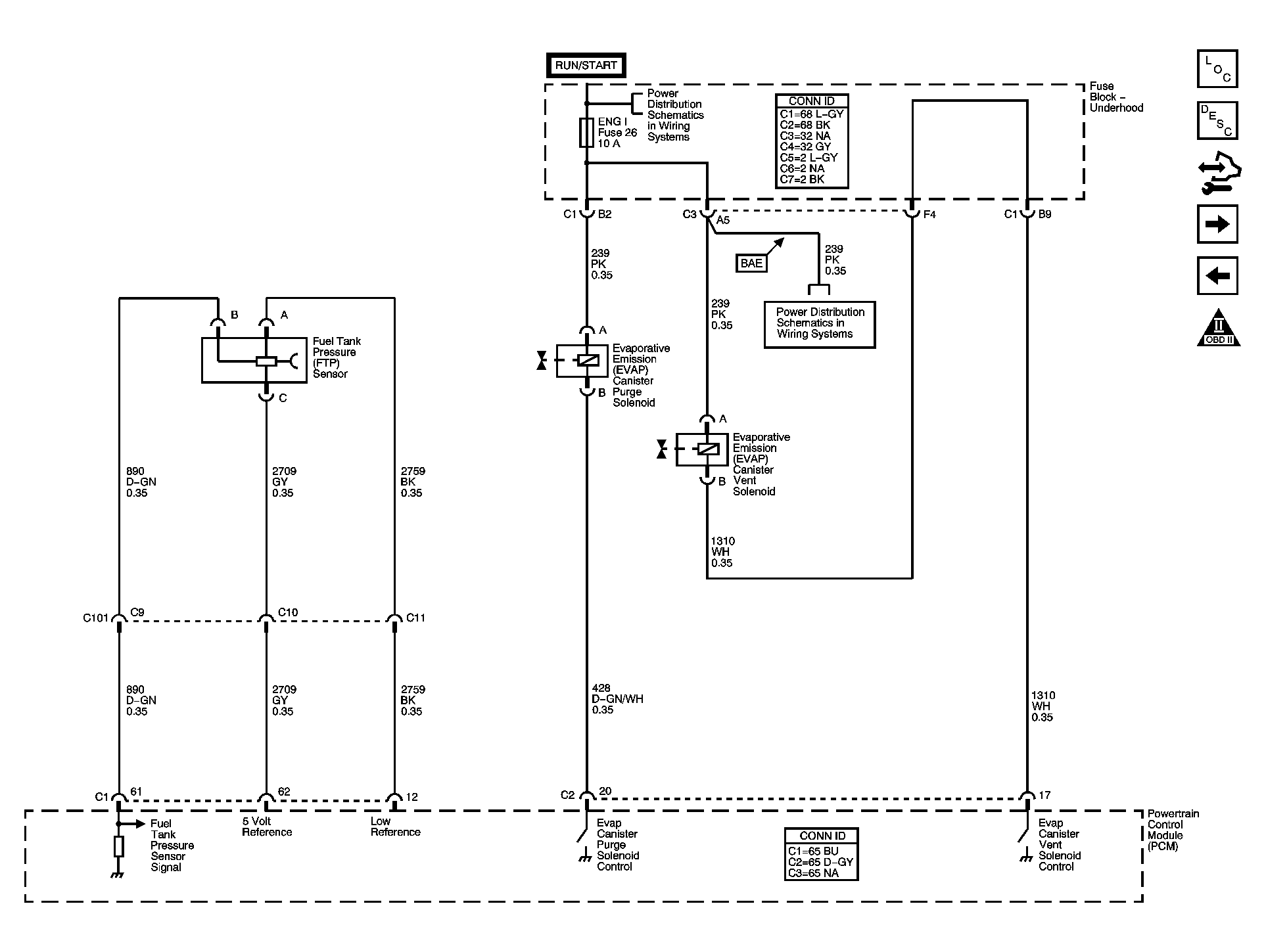
Fig 9: Fuel Controls - EVAP Controls
GM1430623Courtesy of GENERAL MOTORS CORP.
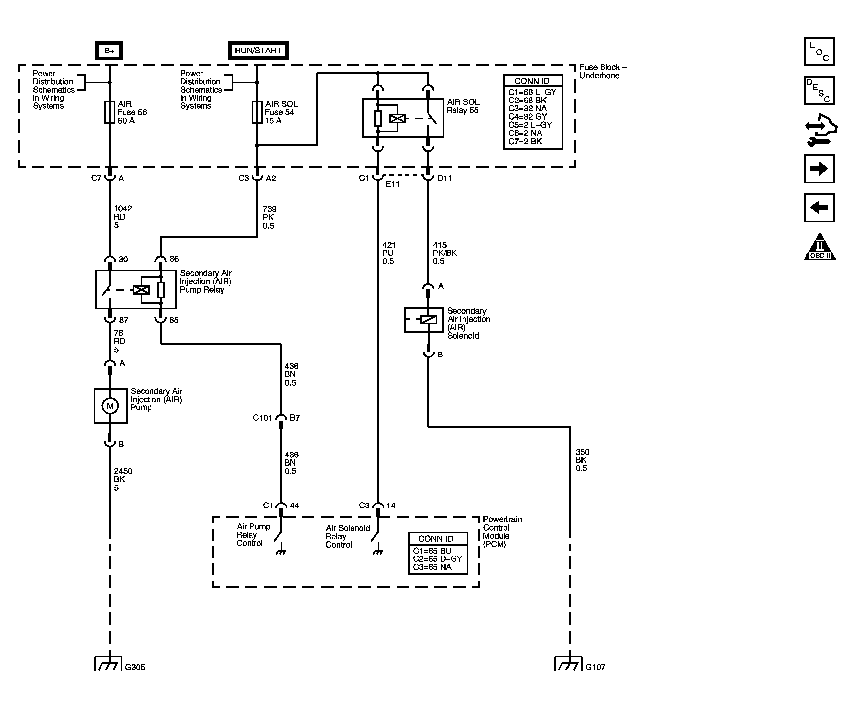
Fig 10: Device Controls
GM1430626Courtesy of GENERAL MOTORS CORP.
Fig 11: Controlled/Monitored Subsystem References
GM1430627Courtesy of GENERAL MOTORS CORP.
Fig 12: Transmission Control References - A/T
GM1430629Courtesy of GENERAL MOTORS CORP.