LEMON Manuals: Even more car manuals for everyone
Home >> Oldsmobile >> 2003 >> Bravada AWD >> Repair and Diagnosis >> Engine Performance >> System >> Engine Controls - System & Component Testing - 4.2L >> Fuel Systems >> Fuel Pump Electrical Circuit Diagnosis >> Notes

Fuel Pump Electrical Circuit Diagnosis: Notes

Fig 1: Identifying Underhood Fuse/Relay Block
G00169519Courtesy of GENERAL MOTORS CORP.
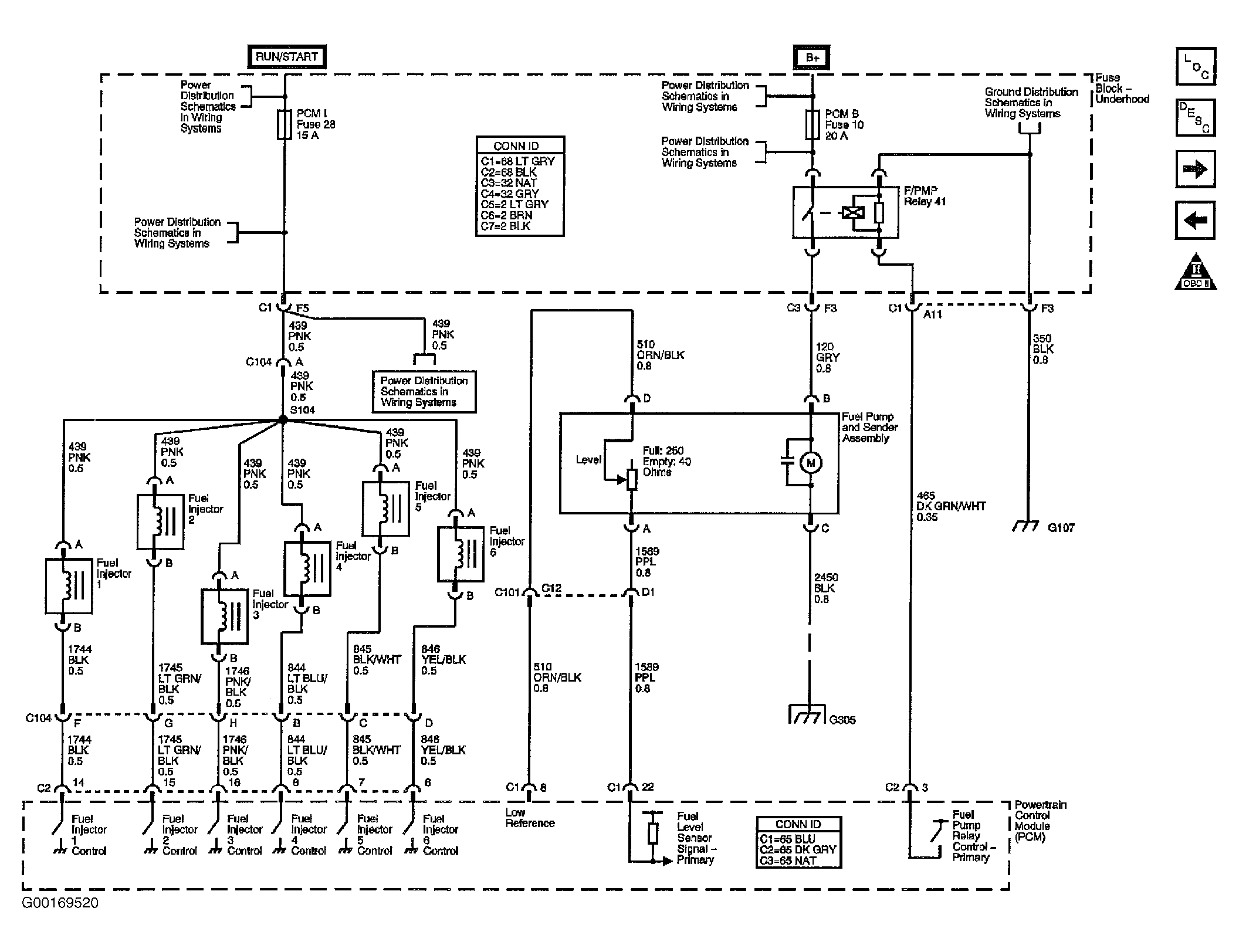
Fig 2: Fuel Pump Electrical Schematic
G00169520Courtesy of GENERAL MOTORS CORP.