LEMON Manuals: Even more car manuals for everyone
Home >> Oldsmobile >> 2003 >> Bravada AWD >> Repair and Diagnosis (Single Page) >> Accessories & Equipment >> Wiper/Washer Systems >> Wiper System & Washer System >> Schematic and Routing Diagrams >> Wiper/Washer System Schematics >> Wiper/Washer System Schematics (Outside Moisture Sensor and Front Wiper/Washer Motor)

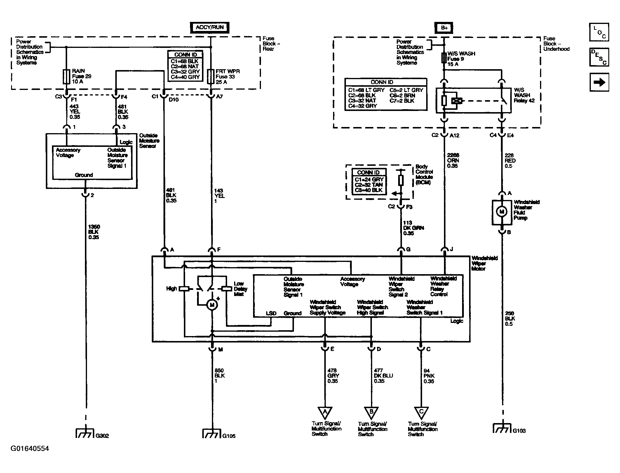
Wiper/Washer System Schematics (Outside Moisture Sensor and Front Wiper/Washer Motor)

Fig 1: Wiper/Washer System Schematic Diagram (Outside Moisture Sensor & Front Wiper/Washer Motor)
G01640554Courtesy of GENERAL MOTORS CORP.