LEMON Manuals: Even more car manuals for everyone
Home >> Oldsmobile >> 1998 >> Cutlass Base >> Repair and Diagnosis (Single Page) >> Quick Lookups >> Electrical Component Locations >> Electrical Component Locator >> Circuit Protection Devices

Circuit Protection Devices

CIRCUIT PROTECTION DEVICES

Component Component Location
Fusible Link (2.4L) Near starter. See Figure.
Fusible Link (3.1L) Near starter. See Figure.
Left I/P Wiring Harness Junction Block On left side of dash. See Figure.
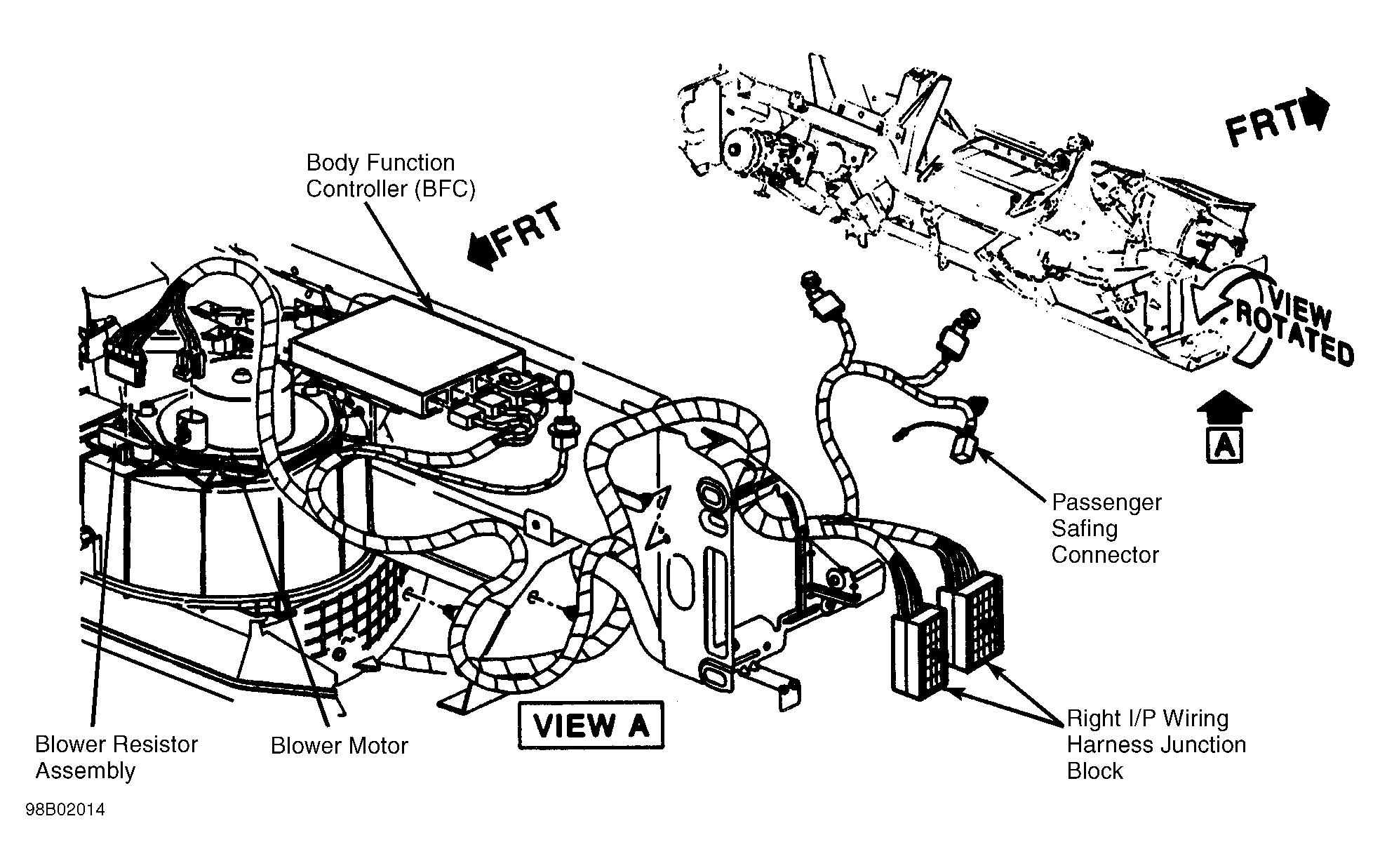
Right I/P Wiring Harness Junction Block On right side of dash. See Figure.
Underhood Wiring Harness Junction Block On left side of engine compartment.