LEMON Manuals: Even more car manuals for everyone
Home >> Oldsmobile >> 1988 >> Toronado Base >> Repair and Diagnosis (Single Page) >> Engine Performance >> System >> 3800 VIN [C] - BCM Tests W/Codes >> Code Testing >> Code B337, Loss Of HVAC Programmer Data

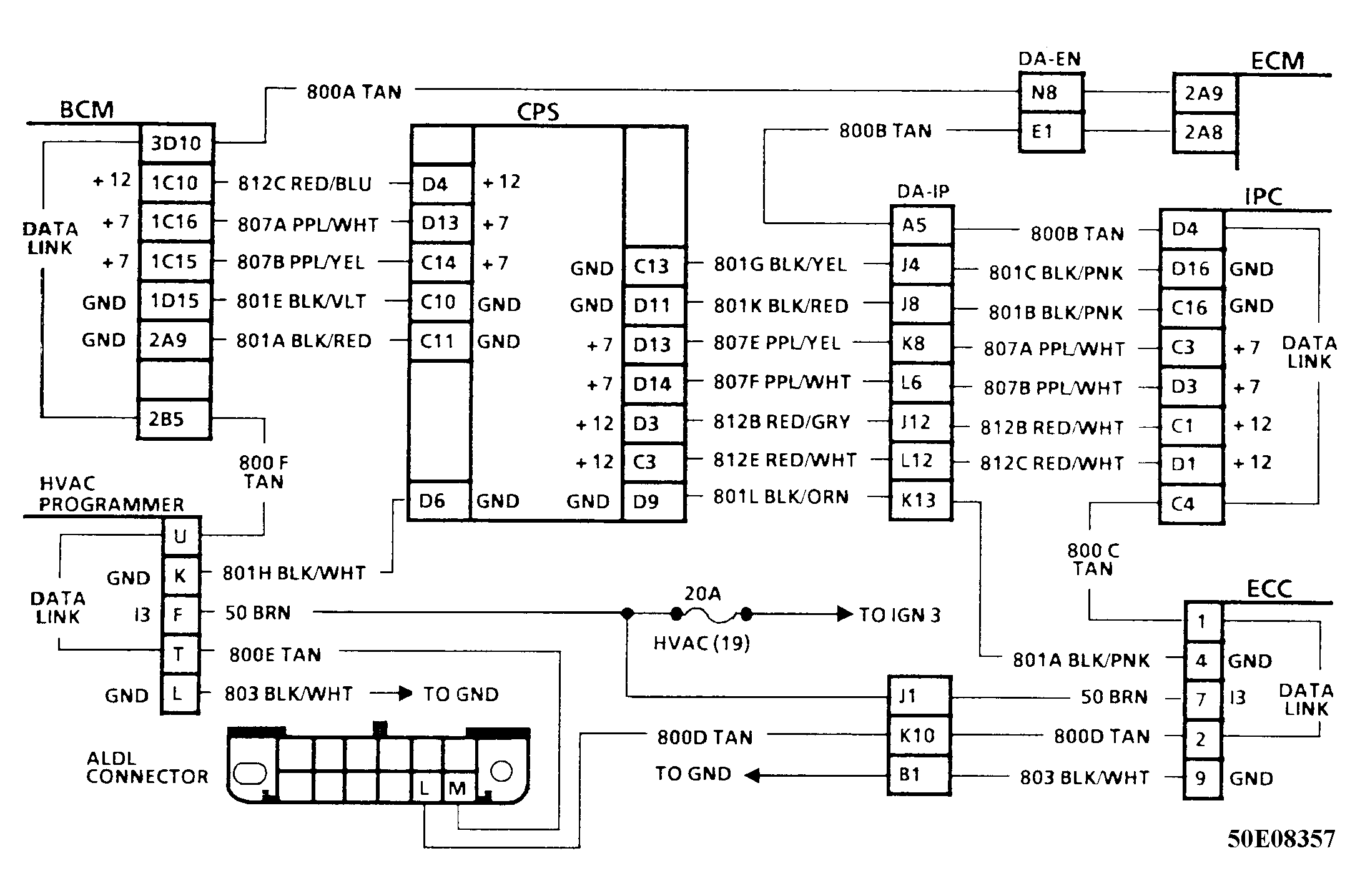
Code B337, Loss Of HVAC Programmer Data

Code B337 will set if the ignition is on and the BCM is not able to exchange data with the programmer. This can occur if the HVAC loses ignition, ground, or both serial data circuits.

NOTE: Test numbers refer to numbers on diagnostic chart.
  1. Checks for power and ground up to the programmer. The test light should be on when connected from ignition source to both grounds.
  2. Since power and ground are available to the programmer, the source for failure is either a double open in the circuit No. 800 or faulty terminal contacts.
Fig 1: Code B337 Schematic, Loss Of HVAC Programmer Data
G50E08357
Fig 2: Code B337 Flow Chart, Loss Of HVAC Programmer Data
G50C08356