LEMON Manuals: Even more car manuals for everyone
Home >> Oldsmobile >> 1986 >> Toronado >> Repair and Diagnosis >> Engine Performance >> System >> BCM System, Part II >> ECM Trouble Code Charts - Trouble Shooting >> Code B667, Set/Coast Or Resume/ACCEL Circuit Shorted >> Notes

Code B667, Set/Coast Or Resume/ACCEL Circuit Shorted: Notes

Fig 1: Code B667, Set/Coast or Resume/Accel Circuit Shorted
G5123
Fig 2: Code B667, Set/Coast or Resume/Accel Circuit Shorted
GB0048389
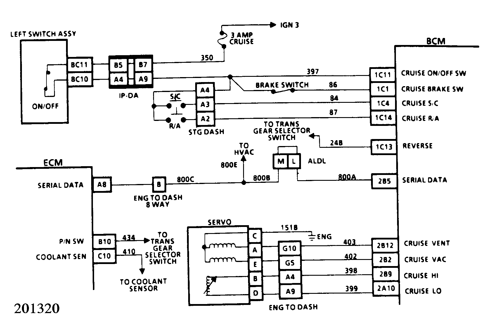
Fig 3: Code B667, Schematic
G201320

When the cruise control "ON/OFF" switch and ignition switch are on, system voltage is available at one side of the normally open contacts on the "Set/Coast" and "Resume/Accel" switches. If the cruise control "ON/OFF" switch was on, system voltage will be available to the "Set/Coast" and "Resume/Accel" switches at key on. If the "Set/Coast" or "Resume/Accel" switches were stuck, or their signal wires to the BCM were shorted to voltage, the vehicle could begin cruise operation. To prevent this, Code B667 will set and disable cruise control, if the signal voltage from the "Set/Coast" (circuit 84) or the "Resume/Accel" (circuit 87) is high when the cruise control "ON/OFF" switch is turned from off to on, or when the ignition switch is turned on and the cruise control "ON/OFF" switch was left on. Cruise control will be disabled until the BCM sees a low on both of these signals.

  1. BCM inputs BI76 and BI77 display "Set/Coast" and "Resume/Accel" switch status as "HIGH" or "LOW" depending on the voltage state at the BCM. If one of these inputs stays "HIGH" when the switches are cycled, that particular switch or signal wire is shorted to voltage.
  2. Checks to see if short circuit reading is due to switch or circuit.