LEMON Manuals: Even more car manuals for everyone
Home >> Oldsmobile >> 1986 >> Toronado >> Repair and Diagnosis >> Engine Performance >> System >> BCM System, Part II >> ECM Trouble Code Charts - Trouble Shooting >> Code B410, Charging System Regulator Problem (Riviera Only) >> Notes

Code B410, Charging System Regulator Problem (Riviera Only): Notes

Fig 1: Code B410 Flowchart, Charg Sys Regulator Prob (Riviera Only)
G5103
Fig 2: Code B410, Charg Sys Regulator Prob (Riviera Only)
GB0048369
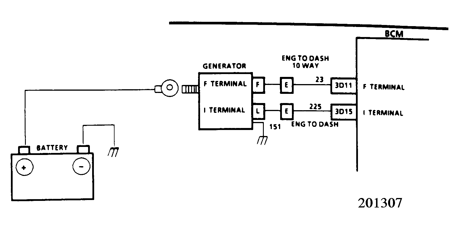
Fig 3: Code B410 Schematic, Charg Sys Regulator Prob (Riviera Only)
G201307

If Code B409 is also set, follow Code B409 chart first. Circuit 23 runs from the generator to the BCM to provide a PWM signal to the BCM indicating the amount (duty cycle or "ON" time) of regulation. If circuit 23 opens or shorts, the BCM will never get the regulator PWM signal and Code B410 will set, however, in this case the generator could still be operating. Code B410 will also set if circuit 225 opens. If circuit 225 opens, the generator never gets 12-volt signal to start. If the generator never starts, there is no PWM signal to send to the BCM on circuit 23.

These conditions can be observed in BCM input and data displays BI51 and BD51 as readings of "HIGH" or "LOW", depending on the state of circuit 225 and the percentage of alternator on circuit 23 PWM. With the ignition on, engine off, the generator will pull circuit 225 low and the PWM circuit 23 will be at 0%.

  1. Checks to see if the fault is in circuit 23 or circuit 225. If the display reading (BI51) is "HIGH" when ignition is on (engine off), and stays "HIGH" when engine is started, the fault is not with circuit 23.
  2. Checks to see if the PWM signal is reaching the BCM on circuit 23. When the engine is started, and display reading (BD51) is below 7%, circuit 23 is open or shorted.
  3. Checks to see if the "HIGH" reading is due to a fault in the circuit or the generator. If the display changes from "HIGH" to "LOW" when the engine is running and circuit 225 is grounded, the BCM and wiring are okay.
  4. Turning on headlights, A/C, or other electrical systems, causes the generator to charge at a higher rate, thereby verifying voltage regulator operation.