LEMON Manuals: Even more car manuals for everyone
Home >> Oldsmobile >> 1986 >> Toronado >> Repair and Diagnosis >> Engine Performance >> System >> BCM System, Part II >> ECM Trouble Code Charts - Trouble Shooting >> Code B409, Charging System Problem (TORONADO) >> Notes

Code B409, Charging System Problem (TORONADO): Notes

Fig 1: Code B409 Flowchart, Charging System Problem (Toronado)
G5101
Fig 2: Code B409, Charging System Problem (Toronado)
GB0048367
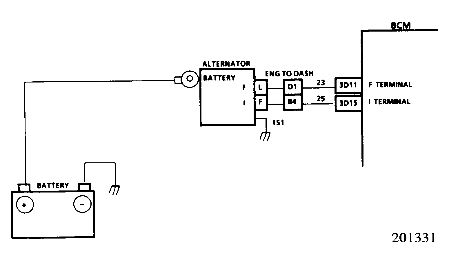
Fig 3: Code B409 Schematic, Charging System Problem (Toronado)
G201331

The 17SI generator has fault detection capability built into the regulator. The generator will pull circuit 25 low if the regulator detects any of the following problems: Open or shorted field circuit, drive belt break, overvoltage, and undervoltage conditions. Circuit 25 will normally have 12 volts out of the BCM to the generator in order to continuously signal the regulator. A short to ground on circuit 25 will cause the generator to not work, as the 12-volt signal from the BCM never reaches the generator, and a Code B409 will be set. Code B409 will set if the engine speed is greater than 600 RPM (Code B334 must not be set, otherwise the ECM cannot communicate engine speed to the BCM) and the BCM sees a low.

  1. BCM input BI51 displays generator signal voltage as "HIGH" or "LOW", depending on the voltage state at the BCM. Normally with key on, engine off, circuit 25 will be pulled "LOW" by the generator and BI51 will read "LOW".
  2. Checks to see if "LOW" reading is due to the circuit or the generator. If display reading changes from "LOW" to "HIGH" when the generator is disconnected, with engine running, the BCM and wiring are okay.
  3. Checks to see if the "LOW" reading is due to the BCM or a grounded circuit 25 or circuit 23.